Запчасти Case IH 606 (046) - FUEL SYSTEM, FUEL INJECTION PUMP, CONNECTIONS AND PIPES (02) - FUEL SYSTEM

Схема запчастей Case IH 606 - (046) - FUEL SYSTEM, FUEL INJECTION PUMP, CONNECTIONS AND PIPES (02) - FUEL SYSTEM
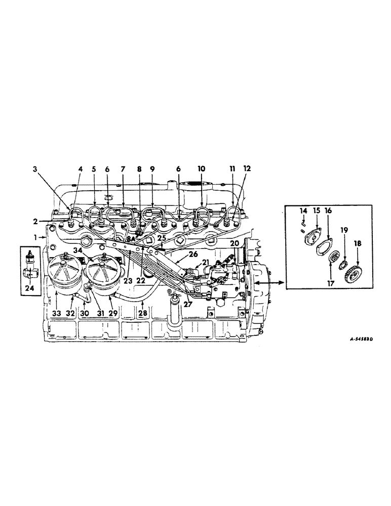
17
14
8
31
18
27
1
25
16
9
2
6
10
3
19
34
7
26
11
8a
24
12
32
6
21
22
20
33
30
15
5
29
28
4
23
FIT
1:1
100%

Артикул

Название

Примечание

Количество

1

278318R1

BRACKET

fuel filter

1шт.

413-716

BOLT,Hex, 7/16" - 14 x 1", Gr 5

SCREW, 7/16 x 1" cap

3шт.

103322

LOCK WASHER,7/16"

WASHER, LOCK, 7/16"

3шт.

2

250617R1

NUT

injection pipe-nozzle end

6шт.

3

278707R11

FUEL TUBE

PIPE ASSEMBLY, injection-cylinder no. 6

1шт.

4

250610R2

GUARD

SLEEVE, injection pipe

6шт.

5

278706R11

FUEL TUBE

PIPE ASSEMBLY, injection-cylinder no. 5

1шт.

6

319965R91

HARNESS

glow plug cable

2шт.

7

278705R11

FUEL TUBE

PIPE ASSEMBLY, injection-cylinder no. 4

1шт.

8

304313R1

BRACKET

junction block mounting

1шт.

8a

42915D

BLOCK

junction

1шт.

103088

NUT,#10-32

no. 10NF

1шт.

100764

SCREW,Sl Rd Hd, #10 - 24 x 1/2"

no. 10NF x 1/2" slt-rd-hd mach

1шт.

106497

LOCK WASHER,#10

WASHER, LOCK, #10

1шт.

9

278704R11

FUEL TUBE

PIPE ASSEMBLY, injection-cylinder no. 3

1шт.

10

278703R11

FUEL TUBE,28.33" Length

PIPE ASSEMBLY, injection-cylinder no. 2

1шт.

11

278702R11

PIPE

ASSEMBLY, injection-cylinder no. 1

1шт.

12

332487R91

NOZZLE INJECTION

NOZZLE ASSEMBLY, injection for components see list of parts under details of injection nozzle)

6шт.

179849

BOLT,Hex, 3/8" - 16 x 2 1/2", Gr 5

12шт.

14

303463R1

STUD

injection pump adapter

2шт.

15

303462R11

ADAPTER W/TWO STUDS, 303463R1 assembly, injection pump

1шт.

179838

BOLT,Hex, 3/8" - 16 x 7/8", Gr 5, Full Thd

3/8-16 x 7/8

3шт.

103321

LOCK WASHER,3/8"

WASHER, LOCK, 3/8"

3шт.

16

278347R1

GASKET

injection pump adapter

1шт.

17

278316R1

HUB CAP

HUB, injection pump gear

1шт.

347230R91

SCREW W/WASHER ASSEMBLY, 5/16 x 1-1/4" mach

3шт.

18

278315R1

PINION

GEAR, injection pump

1шт.

114497

NUT, 9/16NF jam

1шт.

280248

LOCK WASHER,9/16"

WASHER, LOCK, 9/16"

1шт.

19

278317R1

WASHER, injection pump gear

1шт.

20

321194R91

PUMP

ASSEMBLY, injection (for components see list of parts under details of "Injection Pump")

1шт.

102635

NUT,3/8"-16, G5

2шт.

103321

LOCK WASHER,3/8"

WASHER, LOCK, 3/8"

2шт.

113934H

WASHER

injection pump

2шт.

279673R91

WASHER

SEAL, injection pump torque screw

1шт.

21

118755

ELBOW

injection pump inlet (3/8-90 deg.)

1шт.

22

332491R1

PAD

injection pipe clamp

2шт.

23

332489R1

CLAMP, injection pipe-drilled

1шт.

414-420

BOLT,Hex, 1/4" - 28 x 1-1/4", Gr 5

SCREW, 1/4NF x 1-1/4" cap

4шт.

24

NOT USED

1шт.

25

332490R1

CLAMP

injection pipe-tapped

1шт.

26

312588R11

BRACKET W/CLAMP ASSEMBLY, engine shut-off wire

1шт.

27

275965R1

CLAMP

engine shut-off wire bracket

1шт.

103101

CLEVIS

NUT, no. 10NF sq

1шт.

100764

SCREW,Sl Rd Hd, #10 - 24 x 1/2"

no. 10NF x 1/2" slt-rd-hd mach

1шт.

106497

LOCK WASHER,#10

WASHER, LOCK, #10

1шт.

28

275946R91

HOSE,7.92mm ID x 368.3mm L, SAE 30R2

final filter to pump (5/16 ID x 9/16 OD x 14-1/2" long)

1шт.

29

137538

YOKE

ELBOW, final fuel filter outlet (1/4-90 deg.)

1шт.

30

278335R11

TUBE

PIPE ASSEMBLY, auxiliary to final filter

1шт.

31

22510D

ELBOW UNION

ELBOW, final filter inlet

1шт.

32

65834D

ELBOW

auxiliary filter outlet

1шт.

33

601507C91

FILTER

ASSEMBLY, primary fuel (Purolator) for components see list of parts under details of "Fuel Filter")

1шт.

33

601508C91

FILTER

ASSEMBLY, primary fuel (Fram) (for components see list of parts under details of "Fuel Filter")

1шт.

NIPPLE, 1/4 x 7/8" pipe

1шт.

9635082

NUT,5/16" - 18, Gr 5

4шт.

179817

BOLT,Hex, 5/16" - 18 x 7/8", Gr 5, Full Thd

4шт.

103320

LOCK WASHER,5/16"

WASHER, LOCK, 5/16"

4шт.

95-11034

WASHER,1/4"

11/32 x 11/16" x 16 ga

4шт.

34

347066R91

HOSE ASSY.

FILTER ASSEMBLY, final fuel (Purolator) (for components, see list of parts under details of "Fuel Filter")

1шт.

9635082

NUT,5/16" - 18, Gr 5

4шт.

179817

BOLT,Hex, 5/16" - 18 x 7/8", Gr 5, Full Thd

4шт.

103320

LOCK WASHER,5/16"

WASHER, LOCK, 5/16"

4шт.

95-11034

WASHER,1/4"

11/32 x 11/16 x 16 ga

4шт.

Выбрано товаров: 63