Запчасти Case IH 630 (119) - HYDRAULIC PUMP AND ADAPTER WITH CASE-O-MATIC DRIVE (08) - HYDRAULICS

Схема запчастей Case IH 630 - (119) - HYDRAULIC PUMP AND ADAPTER WITH CASE-O-MATIC DRIVE (08) - HYDRAULICS
4
16
20
33
22
30
18
29
28
3
14
27
9
31
12
26
19
32
25
15
2
8
35
1
6
10
24
22
7
13
21
5
11
23
17
FIT
1:1
100%

Артикул

Название

Примечание

Количество

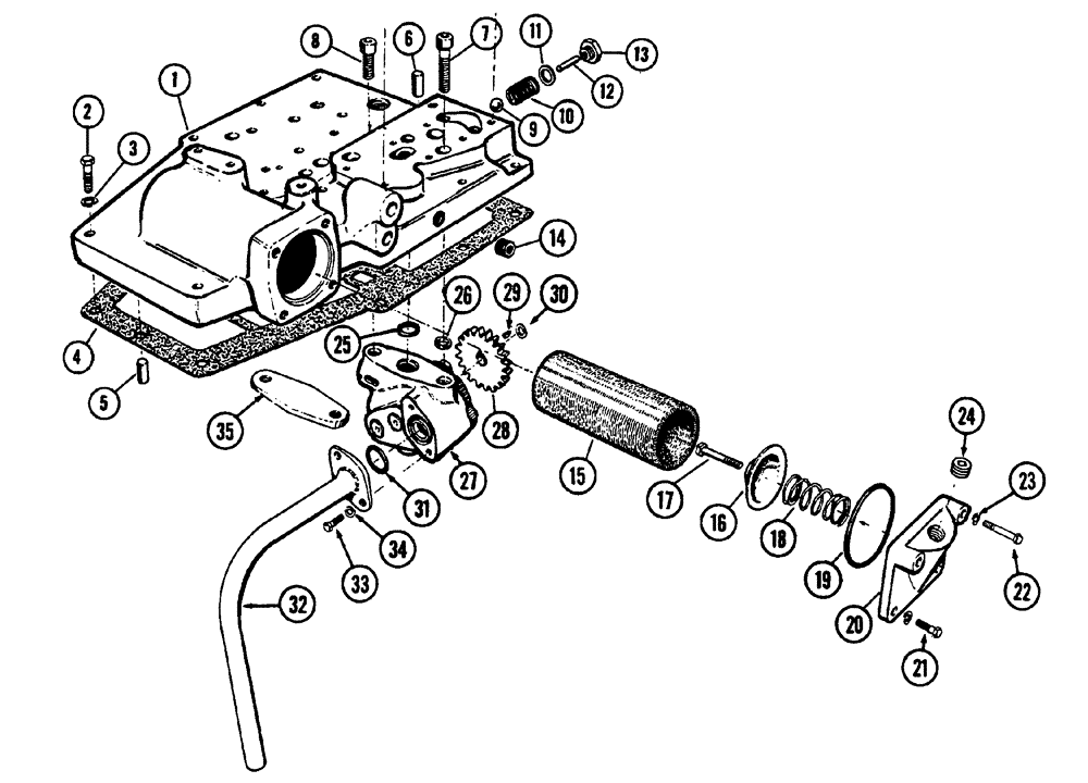
1

A49106

HOUSNG - adapter (Before tractor #8208001)

1шт.

A35441

HOUSING - adapter (Tractor #8208001 and after)

1шт.

2

13-618

BOLT,Hex, 3/8" - 16 x 1-1/8", Gr 5

1шт.

13-624

BOLT,Hex, 3/8" - 16 x 1-1/2", Gr 5

- 3/8" x 1-1/2" N.C. hex hd.

1шт.

13-626

BOLT,Hex, 3/8" - 16 x 1-5/8", Gr 5

5шт.

3

92-6

LOCK WASHER,3/8"

std. 3/8"

7шт.

4

G46818

GASKET

- housing to torque tube

1шт.

5

G10711

PIN

- dowel, housing rear

1шт.

6

VT4453

X

PIN - dowel, housing front

1шт.

7

165-104

SCREW - pump to housing, 7/16" x 1-3/4" socket hd. self locking

1шт.

8

165-106

SCREW - pump to housing, 7/16" x 1" socket hd. self locking

1шт.

9

211-14

BALL,9/16" Dia

- drop check (.) (Tractor #8208001 and after) 9/16" Dia

1шт.

10

A35442

VALVE SPRING

SPRING - drop check valve (Tractor #8208001 and after)

1шт.

11

09844AB

GASKET - plug, drop check valve (Tractor #8208001 and after)

1шт.

12

138-104

LOCK PIN,3/16" x 2", Slotted

PIN, (Tractor #8208001 and after) 3/16" x 2", Slotted

1шт.

13

A14280

PLUG

- drop check valve (Tractor #8208001 and after)

1шт.

14

221-32

PLUG,Sq Soc, 3/8"-18 NPTF

- pipe, 3/8"" socket hd. (short)

1шт.

15

G13113

ELEMENT,2.25" OD x 6" L

ELEMENT - (paper)

1шт.

16

VT3138

X

CAP - retainer, filter element

1шт.

17

13-428

BOLT,Hex, 1/4" - 20 x 1-3/4", Gr 5

1шт.

18

VT2864

SPRING

- retainer, filter element

1шт.

19

V20352

SCREW

"O" RING - cover cap

1шт.

20

G1353

CAP - cover, filter opening

1шт.

21

13-616

BOLT,Hex, 3/8" - 16 x 1", Gr 5, Full Thd

2шт.

22

13-636

BOLT,Hex, 3/8" - 16 x 2-1/4", Gr 5

2шт.

23

92-6

LOCK WASHER,3/8"

std. 3/8"

4шт.

24

221-845

PLUG,Hex Soc, 3/4"-14

- pipe, 3/4" socket hd.

1шт.

25

08416AB

"O" RING -, Serial Range: pump-housing

1шт.

26

G16785

RING

- dowel, Serial Range: pump-housing

2шт.

27

G45100

X

PUMP - hydraulic (old style) Use A49072

1шт.

A49072

X

PUMP - hydraulic

1шт.

28

G16797

GEAR

- pump drive

1шт.

29

126-11

WOODRUFF KEY,#5, 1/8" x 5/8"

1шт.

30

G46176

SNAP RING,#56, Ext

Ring, Snap, , gear for pump #56, Ext

1шт.

31

08377AB

"O"- RING - section, Serial Range: tube-pump

1шт.

32

G14134

TUBE - suction, pump

1шт.

33

13-516

BOLT,Hex, 5/16" - 18 x 1", Gr 5

2шт.

34

92-5

LOCK WASHER,5/16"

LOCKWASHER - std 5/16"

2шт.

35

G16830

COVER - pump opening (w/o hydraulics)

1шт.

30

G46176

SNAP RING,#56, Ext

Ring, Snap, , gear for pump #56, Ext

1шт.

Выбрано товаров: 40