Запчасти Case IH 630 (026) - ENGINE OIL PUMP (02) - ENGINE

Схема запчастей Case IH 630 - (026) - ENGINE OIL PUMP (02) - ENGINE
g45766
g11337
vta330
vt3356
g46852
vt3298
g11338
08416ab
a49050
vt3221
g48500
223-207
138-62
FIT
1:1
100%

Артикул

Название

Примечание

Количество

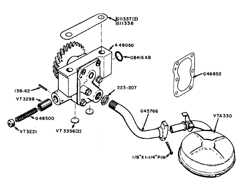
G2039

COVER

(Use A49050)

1шт.

G2109

BODY - (Use A49050)

1шт.

G11337

SHIM,.002" Thk

Pump to bearing cap .002" Thk

2шт.

G11338

SHIM,.005" Thk

Pump to bearing cap .005" Thk

1шт.

A490S0

PUMP - oil, complete (includes relief valve, plugs, gasket and "0" ring)

1шт.

G45766

PIPE, EXHAUST SYSTEM

PIPE -, Serial Range: float-pump

1шт.

G46852

GASKET

-, Serial Range: pump-body

1шт.

G48500

SPRING

VALVER -relief valve

1шт.

08416AB

"O" RING - port hole, pump body

1шт.

VT3221

X

RETAINER - spring, relief valve

1шт.

VT3298

X

VALVE - relief, oil pressure

1шт.

VT3356

PLUG - pump body

2шт.

VTA330

FLOAT ASSEMBLY - oil pan (includes screen)

1шт.

132-50

COTTER PIN,1/8" x 1 1/4"

Pin, Split (Cotter), 1/8" x 1 1/4"

1шт.

138-62

LOCK PIN,1/8" x 1 1/8", Slotted

ROLL PIN - retainer, relief valve spring (1/8" x 1-1/4")

1шт.

223-207

LOCK NUT

NUT - lock, G45766 pipe (3/8" P.T. conduit nut)

1шт.

Выбрано товаров: 16