Запчасти Case IH 630 (040) - PARTS FOR FUEL INJECTION PUMP (03) - FUEL SYSTEM

Схема запчастей Case IH 630 - (040) - PARTS FOR FUEL INJECTION PUMP (03) - FUEL SYSTEM
25
20
21
11
13
3
23
14
15
9
7
2
6
12
17
10
8
24
4
19
18
5
22
1
16
FIT
1:1
100%

Артикул

Название

Примечание

Количество

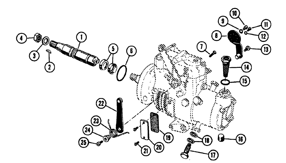
1

A49082

SHAFT - drive

1шт.

2

126-12

WOODRUFF KEY,#6, 5/32" x 5/8"

1шт.

3

G49081

WASHER

LOCKWASHER - lock, drive shaft nut

1шт.

4

25-119

NUT,9/16"-18, G5

- 9/16" N.F. hex

1шт.

5

R14711

SEAL

- drive shaft

1шт.

6

74244

SEAL,0.139" Thk x 1.046" ID, -215, Cl 5, 75 Duro

SEAL - pilot tube

1шт.

7

G49088

ADJUSTMENT SCREW,#10 - 32 x 1.781"

- adjusting, high idle

1шт.

8

G45337

ARM

- shut-off

1шт.

9

73630

LOCK WASHER

WASHER - shut-off arm retaining screw

1шт.

10

73670

SCREW

- retaining, shut-off arm

1шт.

11

73646

SCREW

- positioning, shut-off arm

1шт.

12

493-21017

LOCK WASHER,Int Tooth, #8

LOCKWASHER - lock, positioning screw

1шт.

13

73667

IGNITION SWITCH

- fitting, shut-off arm

1шт.

14

CAS73671

FILTER, ELEMENT

CAP

1шт.

15

51200280

SEAL

- filter cap

1шт.

16

73627

X

PLUG, pipe, end plate

1шт.

17

73613

SCREW

- connector, fuel line

4шт.

18

G49407

WASHER,9.63mm ID x 12.83mm OD x 1.65mm Thk

WASHER, connector screw

8шт.

19

73453

GASKET

- timing window cover

1шт.

20

G46330

COVER

- timing window

1шт.

21

73514

SCREW

- timing window cover

2шт.

22

G45338

ARM

- throttle

1шт.

23

G48505

SPRING

- throttle arm

1шт.

24

G49621

RETAINER

- spring, throttle arm

1шт.

25

G49079

SET SCREW

SCREW - throttle arm

1шт.

Выбрано товаров: 25