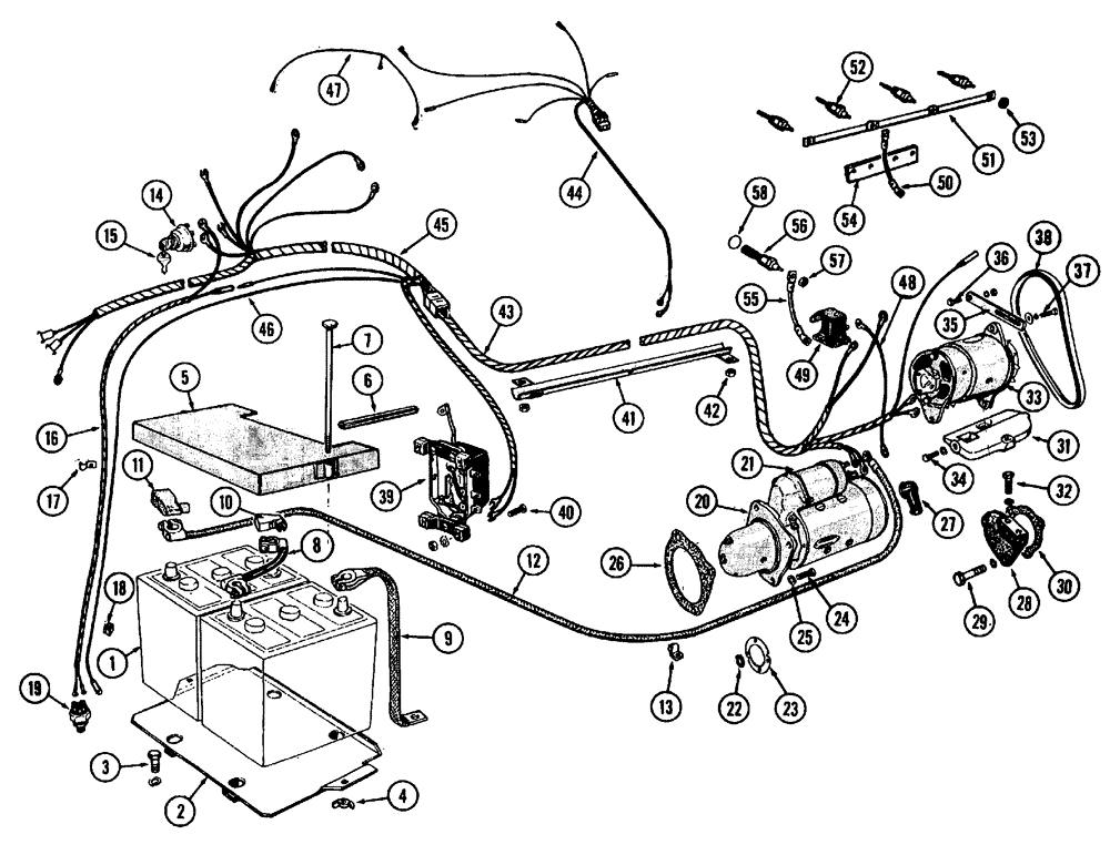
Запчасти Case IH 630 (046) - ELECTRICAL SYSTEM - DIESEL ENGINE (04) - ELECTRICAL SYSTEMS

Схема запчастей Case IH 630 - (046) - ELECTRICAL SYSTEM - DIESEL ENGINE (04) - ELECTRICAL SYSTEMS
53
3
44
7
23
8
47
24
26
54
35
25
43
52
27
2
6
46
29
36
14
42
17
50
5
39
45
20
41
56
40
30
58
15
57
34
16
51
49
1
11
32
18
9
55
38
31
19
13
12
48
21
22
37
33
4
10
28
FIT
1:1
100%

Артикул

Название

Примечание

Количество

1

1M-105R

BATTERY - 6 volt

2шт.

2

G30295

SPARE PART PAN - battery base

1шт.

3

13-624

BOLT,Hex, 3/8" - 16 x 1-1/2", Gr 5

BOLT, 3/8" x 1-1/2" N.C. hex hd.

4шт.

92-6

LOCK WASHER,3/8"

LOCK WASHER, , std. 3/8"

4шт.

4

G49020

NUT

NUT - wing, cover bolt (5/16" N.C.)

2шт.

5

G30296

COVER ASSY

COVER - battery

1шт.

6

G46881

SPARE PART MOULDING - rubber, battery cover (6" long)

2шт.

7

111-213

CARRIAGE BOLT,Short NK, 5/16"-18 x 9", G2

BOLT - 5/16" x 9" rd. hd. tq. nk.

2шт.

8

G44055

CABLE PULLING GRIP

CABLE -, Serial Range: battery-battery

1шт.

9

VT2336

X

STRAP - ground

1шт.

10

G46880

COVER

COVER - terminal (ER)

1шт.

11

G46879

COVER

COVER - terminal (EL)

2шт.

12

G44049

CABLE

SPARE PART CABLE -, Serial Range: battery-solenoid

1шт.

13

G16005

SPARE PART CLIP - battery cable

1шт.

14

A24510

SWITCH

SWITCH - starting (Diesel) (includes keys)

1шт.

15

A24509

KEY

KEY - starting switch (See A20621)

1шт.

A20621

KEY

KEY - starting switch (Before tractor #8201105)

1шт.

16

G44066

CABLE

CABLE - starting switch to safety switch

1шт.

17

07532AB

CLIP - cable to fuel tank

1шт.

18

G46047

SPARE PART CLIP - cable to battery base

1шт.

19

A20990

SWITCH

SWITCH - safety, neutral start

1шт.

20

G44927

SPARE PART MOTOR - starting (Delco #1107516) includes ref. 21, 22 and 23)

1шт.

20

104198A2R

REMAN-STARTER

Remanufactured Starter

1шт.

20

104198A1C

CORE-STARTER

Return Part Number

1шт.

21

A35350

X

SOLENOID - starting (Delco #1114289)

1шт.

22

G46911

OIL RESERVOIR

SEAL, (Delco #197538)

1шт.

23

G46912

GASKET

GASKET - (Delco #1867151)

1шт.

24

13-632

BOLT,Hex, 3/8" - 16 x 2", Gr 5

BOLT, Hex, 3/8"-16 x 2", G5

3шт.

25

92-6

LOCK WASHER,3/8"

LOCK WASHER, , std. 3/8"

3шт.

26

G46873

GASKET

GASKET - starting motor (w/Case-O-Matic only)

1шт.

27

A21753

CAP

NIPPLE - terminal

1шт.

28

G2098

SPARE PART SUPPORT - generator bracket (w/no power steering)

1шт.

29

13-652

BOLT,Hex, 3/8" - 16 x 3-1/4", Gr 5

BOLT - 3/8" x 3-1/4" N.C. hex hd.

3шт.

92-6

LOCK WASHER,3/8"

LOCK WASHER, , std. 3/8"

3шт.

30

VT3691

X

GASKET - support

1шт.

31

G2131

X

BRACKET - generator mounting

1шт.

32

13-516

BOLT,Hex, 5/16" - 18 x 1", Gr 5

BOLT, Hex, 5/16"-18 x 1", G5, Full Thd

1шт.

13-524

BOLT,Hex, 5/16" - 18 x 1-1/2", Gr 5

BOLT - 5/16" x 1-1/2" N.C. hex hd.

1шт.

92-5

LOCK WASHER,5/16"

LOCKWASHER - std. 5/16"

2шт.

33

G44877

SPARE PART GENERATOR, (Delco #1100385)

1шт.

34

13-516

BOLT,Hex, 5/16" - 18 x 1", Gr 5

BOLT, Hex, 5/16"-18 x 1", G5, Full Thd

2шт.

92-5

LOCK WASHER,5/16"

LOCKWASHER - std. 5/16"

2шт.

35

G11345

STRAP

STRAP - adjusting, generator

1шт.

36

13-612

BOLT,Hex, 3/8" - 16 x 3/4", Gr 5, Full Thd

BOLT, Hex, 3/8"-16 x 3/4", G5, Full Thd

1шт.

37

14-620

BOLT,Hex, 3/8" - 24 x 1-1/4", Gr 5

BOLT - 5/16" x 1/4" N.F. hex hd.

1шт.

38

A49149

X

BELT - generator drive

1шт.

39

G44889

X

REGULATOR - voltage (Delco #1119267)

1шт.

40

14-424

SCREW,Hex, 1/4" - 28 x 1 1/2", Gr 5

BOLT - 1/4" x 1-1/2" N.F. hex hd.

4шт.

25-114

NUT,1/4"-28, G5

NUT - 1/4" N.F. hex

4шт.

193-8

LOCK WASHER,Ext Tooth, 1/4"

WASHER, LOCK, Ext Tooth, 1/4"

4шт.

41

A20411

CONDUIT - master cable

1шт.

42

25-104

NUT,1/4"-20, G5

NUT, 1/4"-20, G5

2шт.

43

G44065

CABLE PULLING GRIP

CABLE - master, lower half (use with Aut-Lite cluster See Fig. 44)

1шт.

A35305

CABLE

CABLE - master, lower half (use with Stewart-Warner cluser See Fig. 44)

1шт.

44

G44064

SPARE PART CABLE - master, upper half (use with Auto-Lite cluster See Fig. 44)

1шт.

45

A35304

HARNESS

CABLE - master, upper half (use with Stewart-Warner cluster See Fig. 44)

1шт.

46

G44051

CABLE PULLING GRIP

CABLE - switch to ammeter and regulator

1шт.

47

G44057

SPARE PART CABLE - switch to temperature and fuel gauges

1шт.

48

G44053

X

CABLE - starter to beater solenoid

1шт.

49

G44835

SOLENOID

SOLENOID - manifold heater

1шт.

50

G44067

SPARE PART CABLE - solenoid to heater bar (Before eng. #2028232)

1шт.

51

G15955

BAR

BAR - connecting, heater plug (Before eng. #2028232)

1шт.

52

G45259

PLUG

PLUG - manifold heater (Before eng. #2028232)

4шт.

53

131-972

NUT

NUT - lock, #10-32 flange type

4шт.

54

G30577

SPARE PART PLATE - solenoid mounting (w/Power Steering only)

1шт.

55

A21482

CABLE

CABLE - solenoid to heater plug (Eng. #2023232 and after)

1шт.

56

A24396

X

PLUG - manifold heater (Eng. #2028232 and after)

1шт.

57

125-903

NUT- brass, 1/4" N.C. hex (Eng. #2028232) and after)

1шт.

58

A20916

MANIFOLD GASKET

GASKET - plug to manifold (Eng. #2028232 and after)

1шт.

58

108012A1R

REMAN-GENERATOR

Remanufactured Generator

1шт.

58

108012A1C

CORE

Return Part Number, 12 volt 20 ampere

1шт.

58

104450A1R

REMAN-GENERATOR

Remanufactured Generator, 12V 20A

1шт.

58

104450A1C

CORE-GENERATOR

Return Part Number

1шт.

58

103817A1R

REMAN-GENERATOR

Generator

1шт.

58

103817A1C

CORE-GENERATOR

Return Part Number

1шт.

Выбрано товаров: 75