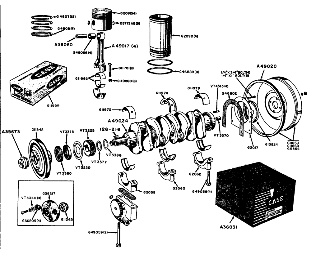
Запчасти Case IH 630 (004) - CRANKSHAFT, FLYWHEEL, PISTONS AND CONNECTING RODS (02) - ENGINE

Схема запчастей Case IH 630 - (004) - CRANKSHAFT, FLYWHEEL, PISTONS AND CONNECTING RODS (02) - ENGINE
vt3220
g11982
a36060
g11342
g2062
g46086
g4807
g2090
g46888
g11999
vt4513
g11864
g11859
g11263
126-216
g11860
a49017
g49059
g13824
g2060
a36031
vt3340
vt3380
a49024
g36217
a35673
vt3373
g4809
g49038
vt3377
vt3368
g11701
g11978
g2092
g49060
vt3370
a49020
g36209
vt3225
g46802
g2017
g2059
05713ab
g11974
g11970
FIT
1:1
100%

Артикул

Название

Примечание

Количество

A35673

NUT

- fan drive pulley

1шт.

G1260

FLYWHEEL - (Use G11860)

1шт.

G2010

FLYWHEEL - (Use G11864)

1шт.

G2011

FLYWHEEL - (Use G11859)

1шт.

G2017

RETAINER

- oil seal, crankshaft rear

1шт.

1/4" x 3/4" N.C. hex hd. bolt w/lockwasher

4шт.

1/4" x 1" N.C. hex hd. bolt w/lockwasher

3шт.

G2059

CAP - crankshaft front bearing

1шт.

G2060

CAP - crankshaft center bearing

1шт.

G2062

CAP - crankshaft rear bearing

1шт.

G2081

FLYWHEEL - (Use G11859)

1шт.

G2082

FLYWHEEL - (Use G11860)

1шт.

G2083

FLYWHEEL - (Use G11864)

1шт.

G4510

JAW

NUT - fan drive pulley (Gen. Purpose) Use A35673

1шт.

G11263

NUT

- fan drive pulley (Utility) Use A35673

1шт.

G11342

X

PULLEY- fan belt drive

1шт.

A49020

X

GEAR - ring, starting motor (135T)

1шт.

G11740

CRANKSHAFT - (Use A49024)

1шт.

G11859

FLYWHEEL

- w/135T ring rear (w/11" clutch)

1шт.

G11860

FLYWHEEL

- w/135T ring gear (Case-O-Matic drive)

1шт.

G11864

FLYWHEEL - w/135T ring gear (w/10" clutch)

1шт.

A49024

CRANKSHAFT - (includes VT3370 bushing)

1шт.

G11970

X

LINERS - crankshaft front bearing, top and bottom half (Standard)

1шт.

G11971

KIT

LINERS - crankshaft front bearing, top and bottom half (.002" undersize)

1шт.

G11972

KIT

LINERS - crankshaft front bearing, top and bottom half (.020" undersize)

1шт.

G11973

LINERS - crankshaft front bearing, top and bottom half (.040" undersize)

1шт.

G11974

KIT

LINERS - crankshaft center bearing, top and bottom half (Standard)

1шт.

G11975

KIT

LINERS - crankshaft center bearing, top and bottom half (.002" undersize)

1шт.

G11976

KIT

LINERS - crankshaft center bearing, top and bottom half (.020" undersize)

1шт.

G11977

LINERS - crankshaft center bearing, top and bottom half (.040" undersize)

1шт.

G11978

X

LINERS - crankshaft rear bearing, top and bottom half (Standard)

1шт.

G11979

KIT

LINERS - crankshaft rear bearing, top and bottom half (.002" undersize)

1шт.

G11980

KIT

LINERS - crankshaft rear bearing, top and bottom half (.020" undersize)

1шт.

G11981

LINERS - crankshaft rear bearing, top and bottom half (.040" undersize)

1шт.

G13824

RUBBER SEAL

SEAL oil - crankshaft rear

1шт.

G46802

GASKET

rear oil seal retainer

1шт.

G49038

BOLT - place, center and rear bearing caps (1/2" x 3-3/8")

4шт.

G49059

BOLT

- place, oil pump and front bearing cap (1/2" x 4-3/4")

2шт.

VT3220

X

SLINGER - oil, crankshaft front bearing

1шт.

VT3225

X

GEAR - crankshaft (24T)

1шт.

VT3366

X

COLLAR - fan pulley nut (Not used with A35673)

1шт.

VT3368

X

SHIM - crankshaft thrust (.010")

1шт.

VT3370

X

BUSHING - pilot, crankshaft

1шт.

VT3373

OIL - front, crankshaft

1шт.

VT3377

X

SPACER - crankshaft thrust

1шт.

VT3380

SEAL dust - fan drive pulley

1шт.

126-216

WOODRUFF KEY,Hi-Pro, 1" Dia x 1/4" x 1 1/16"

KEY - gear and pulley to crankshaft

2шт.

VT4513

X

STUD - flywheel to crankshaft (7/16" x 1-3/4")

4шт.

7/16" N.F. hex nut and lockwasher

4шт.

G2090

SLEEVE

- cylinder (3-13/16" bore) See A36031, pistons and connecting rods

4шт.

G2092

PISTON

- (4 ring 3-13/16" bore) See A36031, pistons and connecting rods

4шт.

G4807

RING

- compression, piston (See G11999), and connecting rods

12шт.

G4809

RING

- oil control, piston (See G11999), and connecting rods

4шт.

A49017

X

ASSEMBLY connecting rod (includes rod, cap, bushing, bolts and nuts), pistons

4шт.

G11176

X

ROD connecting (Use A49017), pistons

1шт.

G11701

BOLT

CAP connecting rod, pistons

8шт.

G11922

BUSHING

S - wrist pin Set of 4, pistons and connecting rods

1шт.

A36030

KIT

Set of 4 - A36060 wrist pins and 8 - 05713AB retainer rings, pistons and connecting rods

1шт.

A36031

SLEEVE

ASSEMBLY (set of 4 with matched pistons, rings, wrist pins and "0" rings), and connecting rods

1шт.

G11982

KIT

LINERS - connecting rod bearing, top and bottom half (Standard), pistons

1шт.

G11983

KIT

LINERS - connecting rod bearing, top and bottom half (.002" undersize), pistons

1шт.

G11984

KIT

LINERS - connecting rod bearing, top and bottom half (.020" undersize), pistons

1шт.

G11985

LINERS - connecting rod bearing, top and bottom half (.040" undersize), pistons

1шт.

G11999

RING

S - piston, set of 2 in 1 chrome, and connecting rods

1шт.

G46086

X

BUSHING - wrist pin (Use G1l922), pistons and connecting rods

4шт.

G49060

NUT

PIN - connecting rod cap (3/8" N.F.), pistons

8шт.

A3 60 60

PIN - wrist, piston (Use A36030), and connecting rods

4шт.

G46888

O-RING,3.737" ID x 3.943" OD

"O" RING - sealing, cylinder sleeve (3-3/4" I.D.), pistons and connecting rods

8шт.

05713AB

RING - retainer, wrist pin (See A36030), pistons and connecting rods

8шт.

Выбрано товаров: 69