Запчасти Case IH 630 (128) - SWINGING DRAWBAR (09) - CHASSIS

Схема запчастей Case IH 630 - (128) - SWINGING DRAWBAR (09) - CHASSIS
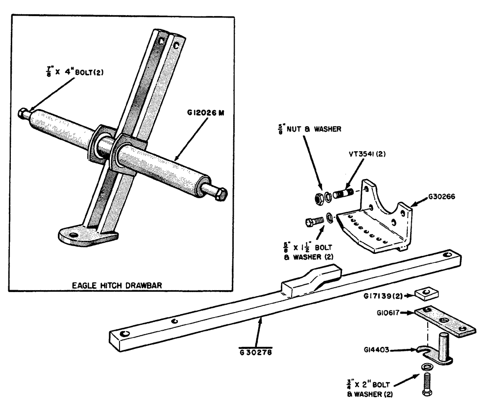
g10617
g12026m
g14403
g17139
g30278
g30266
vt3541
FIT
1:1
100%

Артикул

Название

Примечание

Количество

G10617

SUPPORT

pin

1шт.

3/4" x 2" N.C. hex hd. bolt w/lockwasher

2шт.

G14403

PIN

and LATCH - drawbar

1шт.

G17139

SPARE PART pin support

2шт.

G30266

SUPPORT

rear, drawbar

1шт.

5/8" x 1-1/2" N.C. hex hd. bolt w/lockwasher

2шт.

G30278

DRAWBAR

(38-1/8")

1шт.

VT3541

SPARE PART Stud - rear support to transmission case (5/8" x 2")

2шт.

5/8" N.F. hex nut and lockwasher

2шт.

G12026M

DRAWBAR - Eagle Hitch (includes 2-7/8" x 4" N.C. hex hd. bolts) Mchy. Item

1шт.

Выбрано товаров: 10