Запчасти Case IH 630 (129) - ROLLER TYPE DRAWBAR - SPECIAL (09) - CHASSIS

Схема запчастей Case IH 630 - (129) - ROLLER TYPE DRAWBAR - SPECIAL (09) - CHASSIS
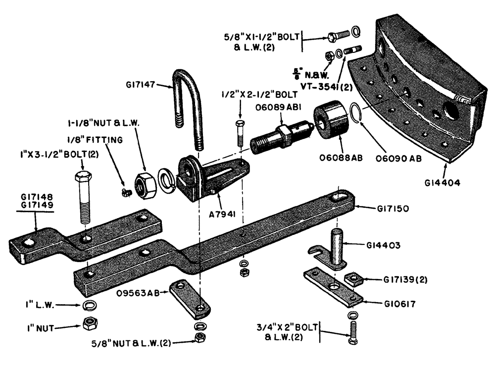
g14404
g17139
a7941
g10617
g17149
06089abi
06088ab
06090ab
09563ab
g17148
g14403
g17150
vt-3541
g17147
FIT
1:1
100%

Артикул

Название

Примечание

Количество

A7941

BRACKET

roller

1шт.

1/2" x 2-1/2" N.F. hex hd. bolt w/hex nut and lockwasher

1шт.

G10617

SUPPORT

pin

1шт.

3/4" x 2" N.C. hex hd. bolt w/lockwasher

2шт.

G14403

PIN

and LATCH - drawbar

1шт.

G14404

ANGLE - guide, drawbar

1шт.

5/8" x 1-1/2" N.C. hex hd. bolt w/lockwasher

2шт.

G17139

SPARE PART pin support

2шт.

G17147

"U" BOLT - guide bracket

1шт.

5/8" N.F. hex nut and lockwasher

2шт.

G17148

EXTENSION - drawbar, short (12" long)

1шт.

G17149

EXTENSION - drawbar, long (16" long)

1шт.

G17150

DRAWBAR

1шт.

1" x 3-1/2" N.F. hex hd. bolt w/hex nut and lockwasher

2шт.

06088AB

ROLLER - drawbar

1шт.

06089AB1

BOLT - roller, drawbar

1шт.

1-1/8" N.F. hex nut and lockwasher

1шт.

1/8" 90° fitting (Lincoln #5400)

1шт.

06090AB

RING - snap, roller bolt

1шт.

09563AB

STRAP - "U" bolt

1шт.

VT3541

SPARE PART STUD - guide angle to transmission case (5/8" x 2")

2шт.

5/8" N.F. hex nut and lockwasher

2шт.

Выбрано товаров: 22