Запчасти Case IH 630 (021) - CYLINDER HEAD - BLOCK AND OIL PAN (02) - ENGINE

Схема запчастей Case IH 630 - (021) - CYLINDER HEAD - BLOCK AND OIL PAN (02) - ENGINE
45
25
18
15
9
29
6
2
40
32
21
30
28
37
12
4
38
42
20
17
16
42
8
47
19
36
3
10
26
13
1
14
7
44
22
31
35
48
5
11
39
34
41
46
23
24
33
27
43
FIT
1:1
100%

Артикул

Название

Примечание

Количество

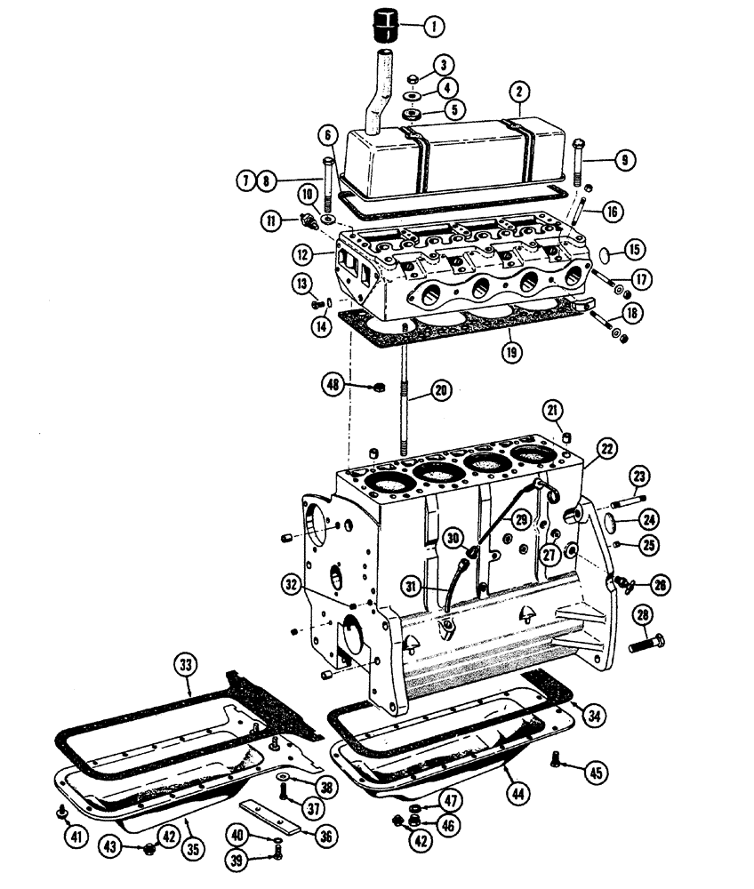
1

A49111

X

CAP - oil filler

1шт.

2

G11884

COVER - valve

1шт.

3

25-106

NUT,3/8"-16, G5

- 3/8" N.C. hex

2шт.

4

G49400

WASHER

- valve cover nut

2шт.

5

G46867

GROMMET

- rubber, valve cover

2шт.

6

G46866

GASKET

- valve cover

11шт.

7

A35371

BOLT

- head to block (1/2" x 5")

11шт.

8

A35372

BOLT (SPREADER)

BOLT - head to block (1/2" x 5-1/2")

2шт.

9

A35370

BOLT

BOLT - head to block (1/2" x 3-1/4")

4шт.

10

VT3359

WASHER - head bolt

18шт.

11

A21462

SENDER UNIT

SENDER - temperature gauge

1шт.

12

A49152

HEAD ASSEMBLY

1шт.

13

G49083

BOLT

- drilled, gear, Serial Range: cover-head

1шт.

14

193-12

LOCK WASHER,Ext Tooth, 0.52" ID x 0.89" OD, STL, PLN

WASHER, LOCK, Ext Tooth, 1/2"

1шт.

15

VT3479

X

PLUG - expansion, (1-3/4" dia.)

1шт.

16

VT4510

X

STUD - fuel injector, (3/8" x 1-3/4")

8шт.

17

VT4510

X

STUD - manifold, (3/8" x 1-3/4")

4шт.

18

A35175

STUD

- manifold, (3/8" x 2-7/16")

6шт.

19

A35196

X

GASKET -, Serial Range: head-block

1шт.

20

G49511

STUD

- head and valve cover

2шт.

21

G49608

RING

dowel, Serial Range: head-block

2шт.

22

A49125

BLOCK - stripped, (incl. Brg. caps and bolts camshaft bshgs., studs and plugs)

1шт.

G10509

SHORT BLOCK ASSEMBLY - (incl. stripped block camshaft, crankshaft, pistons and rods and oil pump)

1шт.

23

VT3531

X

STUD - engine to torque tube, (5/8" x 3")

2шт.

24

VT3398

X

PLUG - expansion, (2-1/8" dia.)

1шт.

25

VT3395

X

PLUG - oil gallery, (1/4" hex socket hd.)

2шт.

26

217-103

COCK, DRAIN

DRAIN COCK

1шт.

27

221-32

PLUG,Sq Soc, 3/8"-18 NPTF

- pipe, heater hole, (3/8" socket hd.)

1шт.

28

V14110

BOLT - engine to torque tube

2шт.

29

G37037

DIPSTICK

- oil level, (incl. Ref. 29)

1шт.

30

G46892

OIL SEAL

- rubber, dipstick

1шт.

31

G45139

BRACKET

SUPPORT - dipstick

1шт.

32

G49070

PLUG

- drilled (1/4" socket hd.)

1шт.

33

A35300

KIT

GASKET - oil pan, (w/torque converter)

1шт.

34

A35299

KIT

GASKET - oil pan, (w/standard clutch)

1шт.

35

A35285

X

PAN - oil, (w/torque converter)

1шт.

36

G11372

STRIP

- reinforcing, oil pan

1шт.

37

13-512

BOLT,Hex, 5/16" - 18 x 3/4", Gr 5

2шт.

38

195-400

WASHER

- special

2шт.

39

13-516

BOLT,Hex, 5/16" - 18 x 1", Gr 5

2шт.

40

193-29

LOCK WASHER,Int Tooth, 5/16"

WASHER, LOCK, Int Tooth, 5/16"

2шт.

41

195-514

BOLT - special, (incl. lockwasher)

12шт.

42

G45786

PLUG

- drain, (incl. gasket) See ref. 46

1шт.

43

G46903

GASKET

- drain plug

1шт.

44

A35281

X

PAN oil - (w/standard clutch)

1шт.

45

13-512

BOLT,Hex, 5/16" - 18 x 3/4", Gr 5

18шт.

46

VT4521

X

PLUG - drain, (7/8" N.F. thrd.)

1шт.

47

VT4520

X

GASKET - drain plug, (7/8" N.F. thrd. plug)

1шт.

48

VT3361

X

NUT- head stud, (19 used before head bolts)

2шт.

Выбрано товаров: 49