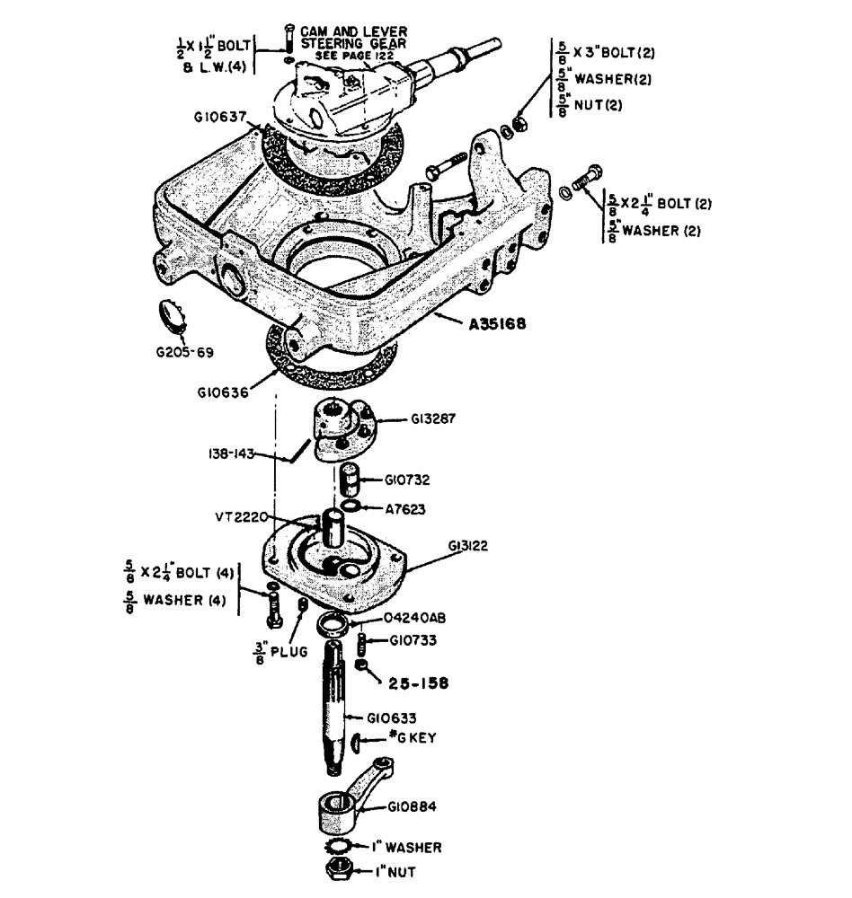
Запчасти Case IH 630 (099) - STEERING SUPPORT, LEVER AND SHAFT UTILITY TRACTOR (05) - STEERING

Схема запчастей Case IH 630 - (099) - STEERING SUPPORT, LEVER AND SHAFT UTILITY TRACTOR (05) - STEERING
g10633
04240ab
g13122
g10637
g13287
g10732
g10884
g10636
vt2220
g205-69
a7623
a35168
138-143
25-158
g10733
FIT
1:1
100%

Артикул

Название

Примечание

Количество

A7623

O-RING,0.139" Thk x 0.984" ID, -214, Cl 5, 75 Duro

"O"- RING - adjusting plug (1-1/4"dia.)

1шт.

G1119

SUPPORT, (Use G13122)

1шт.

A351168

SUPPORT, front axle and radiator

1шт.

5/8" x 2-1/4" N.C. hex. hd. bolt w/lockwasher

2шт.

5/8" x 3" N.F. hex hd. bolt w/hex nut and lockwasher (I.T. Shakeproof)

2шт.

G1370

SUPPORT, (Use G1326)

1шт.

G10633

SHAFT

- steering lever

1шт.

1" N.F. hex nut and lockwasher

1шт.

G10636

X

GASKET - steering shaft support

1шт.

G10637

GASKET

- steering, Serial Range: housing-support

1шт.

G10732

PLUG - adjusting, steering lever

1шт.

G10733

SCREW - adjusting plug

1шт.

G10884

ARM - steering, center -024, 70 Duro, 1.114" ID x .070" Thk

1шт.

#G Woodruff key (126-40)

1шт.

G13122

SUPPORT - steering lever shaft (includes VT2220 bushing)

1шт.

5/8" x 2-1/4" N.C. hex hd. bolt w/lockwasher

4шт.

3/8" std. sq. hd. pipe plug

1шт.

G13287

LEVER

- steering shaft

1шт.

04240AB

SEAL - oil, steering lever shaft

1шт.

VT2220

X

BUSHING - steering shaft

1шт.

25-158

JAM NUT,Jam, 1/2"-20, G5

- lock, adjusting plug screw

1шт.

138-143

LOCK PIN,1/4" x 2 1/4", Slotted

PIN, , Steering lever to shaft 1/4" x 2 1/4", Slotted

1шт.

205-69

PLUG

1шт.

Выбрано товаров: 23