Запчасти Case IH 630 (105) - POWER STEERING - UTILITY TRACTOR (05) - STEERING

Схема запчастей Case IH 630 - (105) - POWER STEERING - UTILITY TRACTOR (05) - STEERING
20
13
16
18
6
5
32
24
38
39
37
30
35
26
1
36
7
23
40
34
15
2
22
14
31
4
9
17
33
19
31
27
10
3
8
11
21
41
29
17
28
26
25
12
FIT
1:1
100%

Артикул

Название

Примечание

Количество

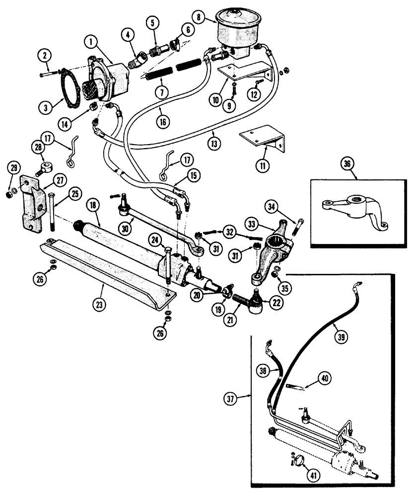
1

G45467

PUMP, HYDRAULIC

PUMP - hydraulic, power steering

1шт.

2

13-652

BOLT,Hex, 3/8" - 16 x 3-1/4", Gr 5

- 3/8" x 3-1/4" N.C. hex hd.

3шт.

92-6

LOCK WASHER,3/8"

std. 3/8"

3шт.

3

VT3691

X

GASKET -, Serial Range: pump-block

1шт.

4

221-404

FITTING

ELBOW - suction hose to pump (1/2" P.T. 45° street ell)

1шт.

s

217-124

FITTING,5/8" Hose Barb x 1/2" Male NPTF

CONNECTOR - suction hose

2шт.

6

214-253

HOSE CLAMP,#10, 0.56" - 1.06", Type F Worm

CLAMP - hose

2шт.

7

G46310

HOSE - suction, pump to reservoir (12" long, gas engine)

1шт.

G46311

HOSE - suction, pump to reservoir (11" long, diesel engine)

1шт.

8

A49064

X

RESERVOIR - oil (See Fig. 10)

1шт.

9

13-512

BOLT,Hex, 5/16" - 18 x 3/4", Gr 5

2шт.

92-5

LOCK WASHER,5/16"

LOCKWASHER - std. 5/16"

2шт.

10

G30392

BRACKET - reservoir (gas engine)

1шт.

11

G30379

BRACKET - reservoir (diesel engine)

1шт.

12

13-512

BOLT,Hex, 5/16" - 18 x 3/4", Gr 5

2шт.

9635082

NUT,5/16" - 18, Gr 5

- 5/16" N.C. hex

2шт.

92-5

LOCK WASHER,5/16"

LOCKWASHER - std. 5/16"

2шт.

13

G45295

HOSE ASSY.

HOSE - pump to reservoir (30" long, diesel engine)

1шт.

G45298

X

HOSE - pump to reservoir (37" long, gas engine)

1шт.

14

222-1027

ELBOW,90 Degree, 5/8"-18 Inv Fl x 3/8" NPT

- pressure line to pump (3/8" O.D. x 3/8" P.T.)

1шт.

15

G45297

HOSE - pressure, pump (43" long) Use A35662 Kit Ref. 37

1шт.

16

G45296

HOSE ASSY.

HOSE - return, pump (66" long) Use A35662 Kit Ref. 37

1шт.

17

G15475

SUPPORT - hose

2шт.

18

G14451

CYLINDER

- valve (includes Ref. 19) See Fig. 105

1шт.

19

G45175

CLAMP

- tie rod end (includes Ref. 20)

1шт.

20

14-836

BOLT,Hex, 1/2" - 20 x 2-1/4", Gr 5

- 1/2" x 2-1/4" N.F. hex hd.

1шт.

25-118

NUT,1/2"-20, G5

- 1/2" N.F. hex

1шт.

92-8

LOCK WASHER,1/2"

(std) 1/2"

1шт.

21

G45373

X

END - tie rod, cylinder to steering arm

1шт.

22

G46043

COVER

- dust, tie rod end

1шт.

23

G14039

GUARD - cylinder and valve

1шт.

24

14-10104

BOLT - 5/8" x 6-1/2" N.F. hex hd.

1шт.

25

14-10136

BOLT,Hex, 5/8" - 18 x 8-1/2", Gr 5

- 5/8" x 8-1/2" N.F. hex hd.

1шт.

26

25-1110

NUT,5/8"-18, G5

- 5/8" N.F. hex

2шт.

92-10

LOCK WASHER,5/8"

WASHER, LOCK, 5/8"

2шт.

27

G17092

BRACKET - mounting, cylinder and guard

1шт.

28

G47036

EYEBOLT - mounting bracket

1шт.

29

25-1110

NUT,5/8"-18, G5

- 5/8" N.F. hex

1шт.

92-10

LOCK WASHER,5/8"

WASHER, LOCK, 5/8"

1шт.

30

G45206

DRAG LINK

DRAGLINK - center arm to cylinder stud

1шт.

31

25-139

SLOTTED NUT,9/16"-18, G5

NUT - slotted, 9/16" N.F. hex

3шт.

32

132-50

COTTER PIN,1/8" x 1 1/4"

Pin, Split (Cotter), 1/8" x 1 1/4"

3шт.

33

G17093

ARM - steering (w/straight spline wheel spindle)

1шт.

34

14-848

BOLT,Hex, 1/2" - 20 x 3", Gr 5

- 1/2" x 3" N.F. hex hd.

1шт.

35

25-118

NUT,1/2"-20, G5

- 1/2" N.F. hex

1шт.

36

A35678

ARM - steering (w/tapered spline wheel spindle)

1шт.

37

A35662

HOSE

KIT - pump to cylinder hoses (includes Ref. 38, 39, 40 and 41)

1шт.

38

A35660

HOSE ASSY.

HOSE - pressure, Serial Range: pump-cylinder

1шт.

Part of Hose Kit, P/N A35662

1шт.

39

A35661

HOSE ASSY.

HOSE - return, Serial Range: cylinder-reservoir

1шт.

Part of Hose Kit, P/N A35662

1шт.

40

A22926

CLAMP

BAND - hose

2шт.

Part of Hose Kit, P/N A35662

1шт.

41

214-260

HOSE CLAMP,#36, 1.81" - 2.75", Type F Worm

- hose to cylinder #36, 1.81/2.75 Type F Worm

1шт.

Part of Hose Kit, P/N A35662

1шт.

Выбрано товаров: 55