Запчасти Case IH 630 (067) - CASE-O-MATIC CONTROL VALVE LINKAGE (06) - POWER TRAIN

Схема запчастей Case IH 630 - (067) - CASE-O-MATIC CONTROL VALVE LINKAGE (06) - POWER TRAIN
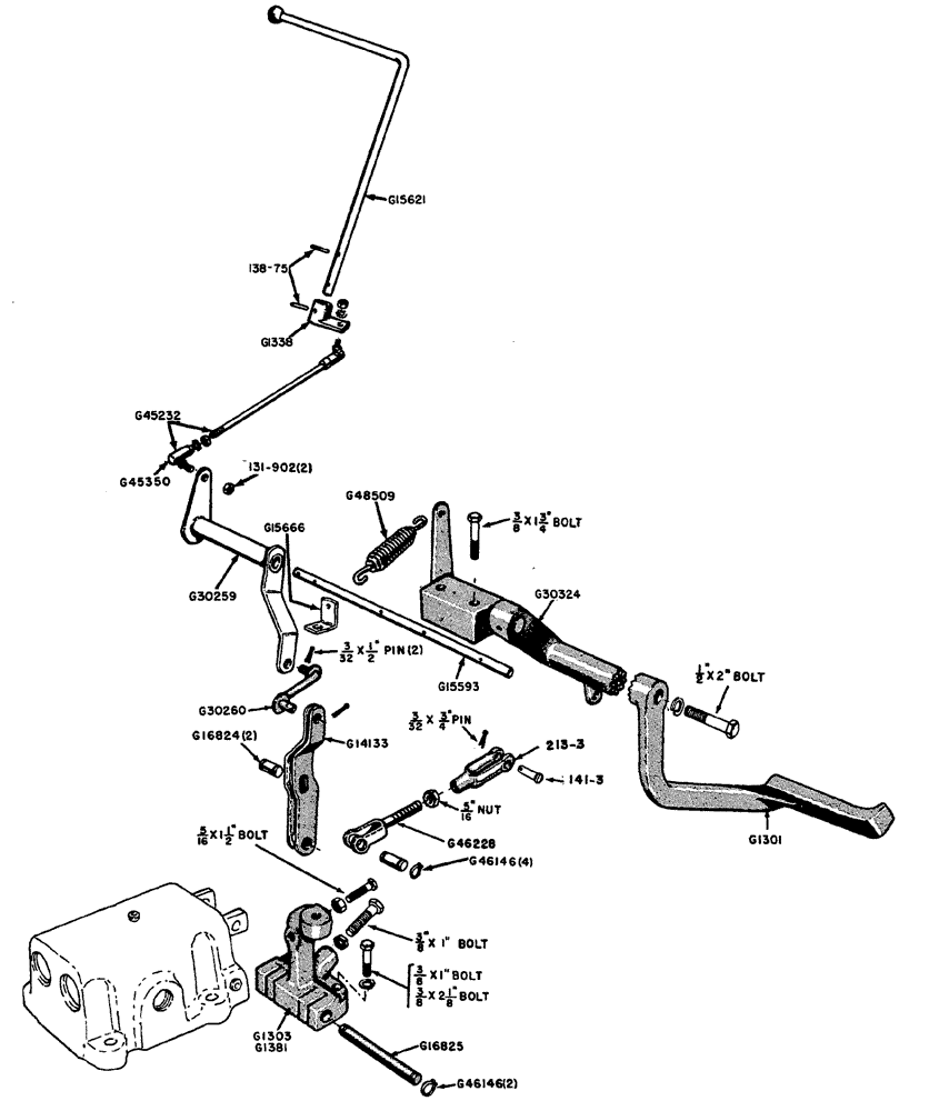
g45232
g1381
g15593
g1301
g1338
g30259
138-75
g16824
g46146
g46228
g15666
213-3
g14133
g15621
g45350
g48509
131-902
g46146
g16825
g30324
141-3
g30260
g1303
FIT
1:1
100%

Артикул

Название

Примечание

Количество

G1301

SPARE PART PEDAL - foot, Case-O-Matic control

1шт.

1/2" x 2" N.C. hex hd. bolt w/lockwasher

1шт.

G1302

SPARE PART LEVER - (Use G30324)

1шт.

G1303

SPARE PART direct drive link and steering support (gas engine) See G1381

1шт.

5/16" x 1-1/2" N.C. hex hd. tap bolt w/hex jam nut

1шт.

3/8" x 1" N.C. hex hd. bolt w/hex jam nut

1шт.

3/8" x 1" N.C. hex hd. bolt w/lockwasher

1шт.

3/8" x 2-1/8" N.C. hex hd. bolt w/lockwasher

1шт.

G1310

SPARE PART SUPPORT (Use G30324)

1шт.

G1338

LEVER

lower, direct drive handle

1шт.

G1381

SPARE PART direct drive link and steering support (diesel engine) See G1303

1шт.

G14133

SPARE PART direct drive spool

1шт.

G15593

SPARE PART cross

1шт.

G15621

HANDLE

direct drive control

1шт.

G15666

SPARE PART return spring

1шт.

G16824

AXLE PIN

pivot, drive spools

2шт.

G16825

PIN

lower pivot, direct drive link

1шт.

G30259

LEVER ASSEMBLY - cross shaft, direct drive

1шт.

G30260

LINK

direct drive cross shaft lever

1шт.

3/32" x 1/2" cotter pin

2шт.

G30324

LEVER

CLUTCH ASSEMBLY

1шт.

3/8" x 1-3/4" N.C. hex hd. bolt w/lockwasher

2шт.

G45232

BALL

joint assembly - control handle to cross shaft lever (includes G45350 ball joint)

1шт.

G45350

BALL JOINT

(front part of G45232)

1шт.

G46146

SNAP RING,#37, Ext

pivot pin #37, Ext

6шт.

G46228

YOKE

UNIVERSAL JOINT YOKE end - Case-O-Matic drive spool

1шт.

5/16" N.F. hex jam nut

1шт.

G48509

VALVE SPRING

return, Case-O-Matic control pedal

1шт.

141-3

CLEVIS PIN,5/16" x .940"

Yoke

1шт.

3/32" x 3/4" cotter pin

1шт.

213-3

ADJUSTABLE CLEVIS,5/16"-24

end - control pedal

1шт.

131-902

NUT,1/4"-28

lock, G45232 ball joint (1/4" N.F. Two-Way)

2шт.

138-75

LOCK PIN,5/32" x 7/8", Slotted

G1338 lever to handle

2шт.

Выбрано товаров: 33