Запчасти Case IH 630 (078) - TRIPL-RANGE CONTROL COVER WITH DRY CLUTCH DRIVE ONLY (06) - POWER TRAIN

Схема запчастей Case IH 630 - (078) - TRIPL-RANGE CONTROL COVER WITH DRY CLUTCH DRIVE ONLY (06) - POWER TRAIN
vt2012
g10398
g10715
g47039
g1361
g46842
a9238
g10394
04244ab
g10711
g10399
vt4453
138-45
g15655
g16663
g30309
g10392
211-11
03501ab
a10059
vt
222-508
FIT
1:1
100%

Артикул

Название

Примечание

Количество

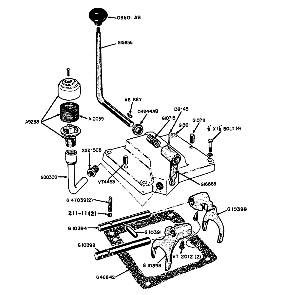
A9238

BREATHER

- hydraulic oil

1шт.

A10059

FILTER, ELEMENT

ELEMENT - for A9238 breather

1шт.

G1361

SPARE PART

COVER - "Tripl - Range" control

1шт.

3/8" x 1-1/2" N.C. hex hd. bolt w/lockwasher

4шт.

3/4" std. ctsk. hd. pipe plug

1шт.

G10391

PLUG - interlock, shift rail

1шт.

G10392

RAIL - shift, direct and high range

1шт.

G10394

RAIL - shift, low range

1шт.

G10398

FORK TEDDER

FORK - shift, direct and high range

1шт.

G10399

FORK - shift, low range

1шт.

G10711

PIN

- dowel, cover to torque tube (1/2" x 3/4")

1шт.

G10715

VALVE SPRING

SPRING - control lever

1шт.

G15655

X

LEVER - control, "Tripl - Range"

1шт.

#6 Woodruff key

1шт.

G16663

LEVER - fork shift, low range

1шт.

G30309

BREATHER,0.7535" OD x 1.5" L

TUBE

1шт.

G46842

GASKET

- control cover to torque tube

1шт.

G47039

SPRING

- detent, shift rail

2шт.

03501AB

KNOB - control lever

1шт.

04244AB

SEAL - oil control lever

1шт.

VT2012

X

SCREW - lock, shift fork

2шт.

VT4453

X

PIN - dowel, cover to torque tube (3/8" x 3/4")

1шт.

211-11

BALL,3/8" Dia

- detent, shift rail interlock

2шт.

138-45

LOCK PIN,3/32" x 1", Slotted

PIN, , Shift lever to control lever 3/32" x 1", Slotted

1шт.

222-508

TUBE NUT,1"-18

NUT - breather tube to cover (81LB - 3/4")

1шт.

Выбрано товаров: 25