Запчасти Case IH 630 (079) - TRIPL-RANGE UNIT WITH DRY CLUTCH DRIVE ONLY (06) - POWER TRAIN

Схема запчастей Case IH 630 - (079) - TRIPL-RANGE UNIT WITH DRY CLUTCH DRIVE ONLY (06) - POWER TRAIN
g10386
g10372
g46071
g14109
g10419
vt5156
g10375
g10420
g10710
g46841
g10368
g10442
g10378
g10614
g10381
g14108
g10417
g49000
g10374
06009ab
g10387
FIT
1:1
100%

Артикул

Название

Примечание

Количество

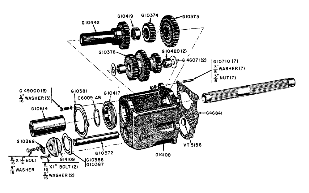
G1032

HOUSING - (Use G14108)

1шт.

G1037

X

BUSHING - (Use G14109)

1шт.

G10368

LOCK

- countershaft

1шт.

5/16" x 1-1/4" N.C. hex hd. bolt w/lockwasher

1шт.

G1372

COUNTERSHAFT - Tripl-Range cluster gear

1шт.

G10374

PINION

GEAR - direct and high (18T)

1шт.

G10375

PINION

GEAR - low (30T)

1шт.

G10378

GEAR - countershaft cluster (24T, 30T, 18T)

1шт.

G10381

RETAINER - input gear bearing

1шт.

G10386

SHIM,.005" Thk

Countershaft .005" Thk

1шт.

G10387

SHIM,.0075" Thk

Countershaft .0075" Thk

1шт.

G10417

X

BALL BEARING ASSEMBLY - w/snap ring (N.D. #4-3L11)

1шт.

G10419

NEEDLE BEARING

BEARING - needle, input gear (Torrington #BH-2212)

1шт.

G10420

NEEDLE BEARING

BEARING - needle, countershaft (Torrington #B-1616)

2шт.

G10442

PINION

GEAR - input (24T)

1шт.

G10614

COUPLING - transmission main shaft (without hand clutch)

1шт.

G10710

STUD

- housing to transmission case (3/8" x 1-5/8")

7шт.

3/8" N.F. hex nut and lockwasher

7шт.

G14108

HOUSING

- Tripl-Range, w/G46071 washer

1шт.

G14109

BUSHING

- countershaft front, w/G46071 washer

1шт.

5/16" x 1" N.C. hex hd. bolt w/lockwasher

2шт.

G46071

WASHER

- thrust, countershaft

2шт.

G46841

GASKET

- housing to transmission case

1шт.

G49000

BOLT,Hex, 5/16" - 18 x 3/4", Gr 5, Drilled

- drilled, bearing retainer (5/16" x 3/4")

3шт.

5/16" lockwasher

3шт.

06009A6

SNAP - RING, G10417 bearing to input gear

1шт.

VT5156

PLUG - expansion, countershaft rear opening

1шт.

Выбрано товаров: 27