Запчасти Case IH 700 (184) - MAIN HOUSING FOR PTO AND HYDRAULIC PUMP (06) - POWER TRAIN

Схема запчастей Case IH 700 - (184) - MAIN HOUSING FOR PTO AND HYDRAULIC PUMP (06) - POWER TRAIN
FIT
1:1
100%

Артикул

Название

Примечание

Количество

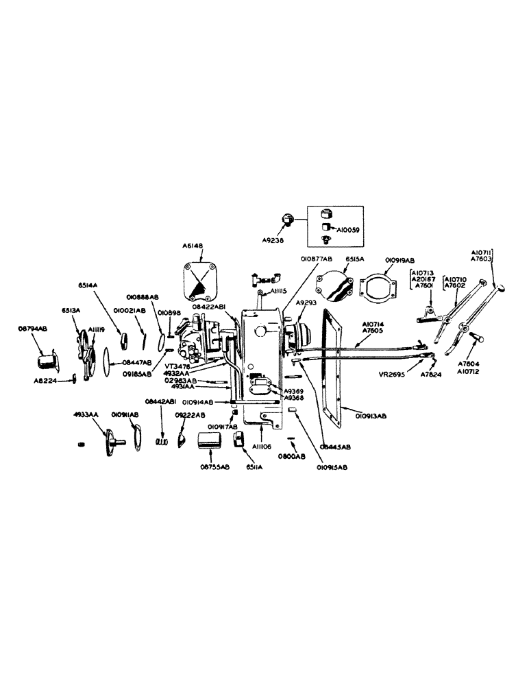
A7601

BRACKET, hydraulic valve control hand lever (use A20167)

1шт.

A7602

LEVER, hand, hydraulic valve control, inner (use A10710) (see note)

1шт.

A7603

LEVER, hand, hydraulic valve control, outer (use A10711) (see note)

1шт.

A7604

STUD, valve control hand lever (for all tractors except orchard models) (see A10712)

1шт.

NSS

NOT SOLD SEPARAT

5/8" N.F. hex jam nut and lockwasher

1шт.

A7605

ROD, hydraulic valve control (use A10714)

1шт.

A7824

X

PIN, for VR2695 control rod yoke end

2шт.

NSS

NOT SOLD SEPARAT

3/32" x 3/4" cotter pin

2шт.

A8908

BREATHER, hydraulic housing, inner (for orchard models) (see A9238)

1шт.

NSS

NOT SOLD SEPARAT

1/8" - 45 deg. std. pipe elbow and 1/8" x 1" pipe nipple

1шт.

A9238

BREATHER

hydraulic housing, outer (for all but Orchard models) (see A8908)

1шт.

NSS

NOT SOLD SEPARAT

3/4" std. pipe elbow (used with 6518A bracket only)

1шт.

NSS

NOT SOLD SEPARAT

3/4" x 3" std. pipe nipple (used with 6518A bracket only)

1шт.

NSS

NOT SOLD SEPARAT

3/4" std. pipe street tee (used with 6518A bracket only)

1шт.

A9368

CAP, PTO clutch adjusting hole, for hydraulic housing

1шт.

NSS

NOT SOLD SEPARAT

3/4" x 3/4" N.C. hex bolt w/lockwasher

2шт.

A9369

GASKET

PTO clutch adjusting hold cap (A9368)

1шт.

A10059

FILTER, ELEMENT

ELEMENT, for A9238 breather

1шт.

A10710

LEVER, hand, hydraulic valve control, inner

1шт.

NSS

NOT SOLD SEPARAT

1/8" str. Lincoln fitting #5000

1шт.

A10711

LEVER, hand, hydraulic valve control, outer

1шт.

NSS

NOT SOLD SEPARAT

1/8" Str. Lincoln fitting #5000

1шт.

A10712

STUD, hydraulic hand control lever (for orchard tractors only) (see A7604)

1шт.

NSS

NOT SOLD SEPARAT

5/8" N.F. hex nut and lockwasher

1шт.

A10713

BRACKET, hydraulic valve control hand lever (for Orchard tractors only)

1шт.

NSS

NOT SOLD SEPARAT

1/2" x 1-1/2" N.C. flat hd. mach. screw

2шт.

NSS

NOT SOLD SEPARAT

1/2" Shakeproof ctsk. ext. lockwasher #1524-00

2шт.

NSS

NOT SOLD SEPARAT

1/2" x 1-1/2" N.C. hex bolt

1шт.

A10714

ROD, hydraulic valve hand lever control (see A7605)

1шт.

NSS

NOT SOLD SEPARAT

5/16" N.F. hex nut

4шт.

A11106

HOUSING, PTO and hydraulic pump

1шт.

NSS

NOT SOLD SEPARAT

1/2" x 1-1/2" N.C. hex bolt w/lockwasher

2шт.

NSS

NOT SOLD SEPARAT

5/8" x 1-1/2" N.C. hex bolt w/lockwasher

4шт.

NSS

NOT SOLD SEPARAT

5/8" x 8-1/2" N.C. hex bolt w/lockwasher

2шт.

NSS

NOT SOLD SEPARAT

1/8" sq. hd. pipe plug

1шт.

NSS

NOT SOLD SEPARAT

1/2" sq. hd. pipe plug

1шт.

NSS

NOT SOLD SEPARAT

3/4" sq. hd. pipe plug

1шт.

A20167

BRACKET, hand levers (for all but Orchard tractors)

1шт.

NSS

NOT SOLD SEPARAT

1/2" x 2" N.C. hex bolt

2шт.

A6148A

COVER, hydraulic pump opening (standard 4-wheel tractor)

1шт.

NSS

NOT SOLD SEPARAT

1/2" x 1-1/2" N.C. hex bolt w/lockwasher

2шт.

6509A

ELBOW (use 4931AA)

1шт.

6510A

ELBOW (use 4932AA)

1шт.

6511A

ELBOW, hydraulic pump filter

1шт.

6512A

COVER (use 4933AA)

1шт.

6513A

COVER, PTO shaft opening

1шт.

6514A

COVER, PTO clutch shaft opening

1шт.

6515A

COVER, PTO and hydraulic pump drive shaft opening (standard 4-wheel tractor)

1шт.

NSS

NOT SOLD SEPARAT

1/2" x 1-1/4" N.C. hex bolt w/lockwasher

4шт.

4931AA

ELBOW, hydraulic pump inlet, with tube and screen

1шт.

NSS

NOT SOLD SEPARAT

5/16" x 1" N.C. hex bolt w/lockwasher

2шт.

4932AA

ELBOW, hydraulic pump outlet, with tube

1шт.

NSS

NOT SOLD SEPARAT

5/16" x 2" N.C. hex bolt w/lockwasher

1шт.

4933AA

COVER, hydraulic pump filter, with tube

1шт.

NSS

NOT SOLD SEPARAT

3/8" x 1-1/8" N.C. hex bolt w/lockwasher

3шт.

NSS

NOT SOLD SEPARAT

3/32" x 1-1/8" cotter pin

1шт.

NSS

NOT SOLD SEPARAT

1/2" sq. hd. pipe plug

1шт.

O800AB

STUD, in housing, for hydraulic pump filter elbow

1шт.

NSS

NOT SOLD SEPARAT

3/8" N.F. hex nut

1шт.

NSS

NOT SOLD SEPARAT

3/8" std. lockwasher

1шт.

O2983AB

STUD, PTO and hydraulic pump housing (short)

2шт.

NSS

NOT SOLD SEPARAT

5/8' N.F. hex nut and lockwasher

2шт.

O8422AB1

X

GASKET, hydraulic pump opening cover on hydraulic valve body

1шт.

O8442AB1

X

SPRING, hydraulic pump filter

1шт.

O8445AB

X

JOINT, ball, hydraulic valve control rod

2шт.

NSS

NOT SOLD SEPARAT

5/16" std. lockwasher

2шт.

O8447AB

X

"O" RING, PTO shaft opening cover

1шт.

O8755AB

X

FILTER, oil, hydraulic pump

1шт.

O9185AB

X

STUD, PTO shaft bearing carrier or hydraulic pump opening cover

2шт.

NSS

NOT SOLD SEPARAT

1/2" N.F. hex nut

2шт.

NSS

NOT SOLD SEPARAT

1/2" Internal tooth shakeproof lockwasher #1224-00

2шт.

O9222AB

X

RETAINER, hydraulic pump filter

1шт.

O9223AB

HOSE, hydraulic, cylinder to pump and R.H. valve to filter cover (3/8" I.D. x 13" long) (for high clearance tractors without Eagle hitch)

2шт.

O10021AB

X

"O" RING, PTO clutch shaft opening cover (6514A)

1шт.

O10888AB

X

SNAP RING, PTO clutch shaft opening cover

1шт.

O10898AB

STUD, PTO shaft opening cover or PTO shaft bearing carrier

2шт.

NSS

NOT SOLD SEPARAT

5/8" N.F. hex nut

2шт.

NSS

NOT SOLD SEPARAT

5/8" Internal tooth shakeproof lockwasher #1228-00

2шт.

O10910AB

GASKET

hydraulic pump, for 4931AA and 4932AA elbows

2шт.

O10911AB

X

GASKET, for 4933AA filter cover

1шт.

O10913AB

X

GASKET, A11106 housing to transmission case

1шт.

O10914AB

STUD, PTO and hydraulic pump housing (5/8" x 9-1/2" long)

2шт.

NSS

NOT SOLD SEPARAT

5/8" N.F. hex nut and lockwasher

2шт.

O10915AB

X

DOWEL PIN, A11106 housing to transmission case

2шт.

O10917AB

PLUG, pipe, 3/4" lisle magnetic sq. hd., for PTO and hydraulic pump housing

1шт.

O10919AB

GASKET, for 6515A cover (std. 4-wheel tractor)

1шт.

V22152

CAP

WELCH PLUG, hydraulic pump housing (1-1/2" dia.)

2шт.

VR2695

X

YOKE END, hydraulic valve control rod

2шт.

VT3399

WELCH PLUG, hydraulic pump housing (1" dia.)

1шт.

VT3476

STUD, hydraulic valve body or hydraulic pump opening cover

2шт.

NSS

NOT SOLD SEPARAT

1/2" N.F. hex nut

2шт.

NSS

NOT SOLD SEPARAT

1/2" std. lockwasher

2шт.

Выбрано товаров: 92