Запчасти Case IH 700 (065) - POWRCEL DIESEL ENGINE, MULTIPLUNGER FUEL PUMP (02) - ENGINE

Схема запчастей Case IH 700 - (065) - POWRCEL DIESEL ENGINE, MULTIPLUNGER FUEL PUMP (02) - ENGINE
FIT
1:1
100%

Артикул

Название

Примечание

Количество

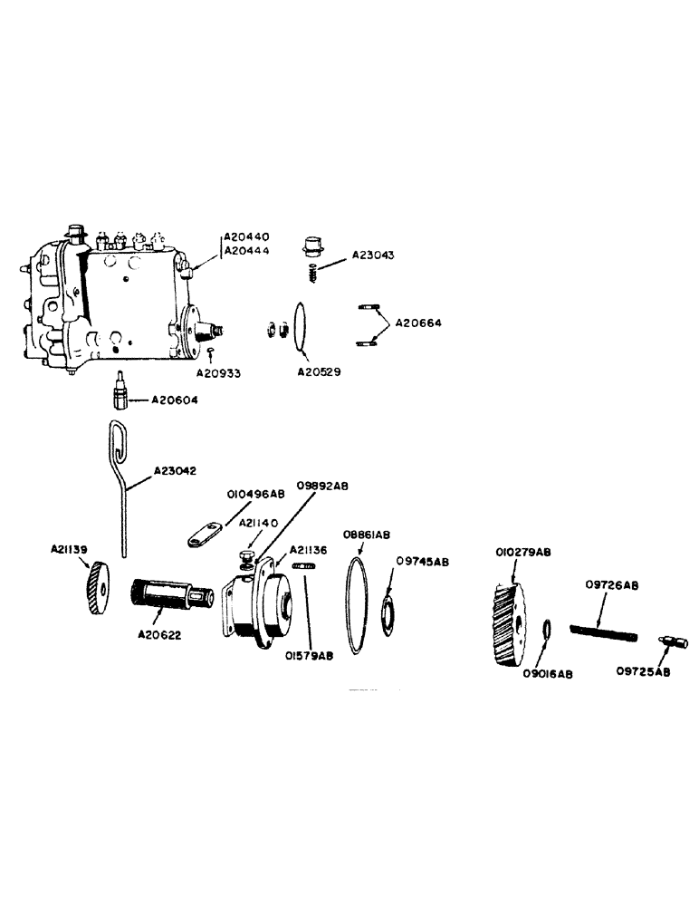
A20440

X

PUMP, fuel (Robert Bosch no. PES-4A-420LS-401/11) (model 700)

1шт.

NSS

NOT SOLD SEPARAT

3/8" x 1-1/2" N.C. hex bolt w/plain washer and Shakeproof int. lockwasher #1220-00, Serial Range: (pump-housing)

2шт.

A20444

PUMP

fuel (Robert Bosch no. PES-4A-80B-420LS-401/11) (model 800)

1шт.

NSS

NOT SOLD SEPARAT

3/8" x 1-1/2" N.C. hex bolt w/plain washer and Shakeproof int. lockwasher #1200-00, Serial Range: (pump-housing)

2шт.

A20529

O-RING,2.598" ID x 2.834" OD

"O" RING, fuel pump to housing

1шт.

A20604

FITTING, lube oil overflow

1шт.

A20622

GEAR

SHAFT AND PINION, fuel pump

1шт.

NSS

NOT SOLD SEPARAT

#141 Woodruff key

1шт.

A20664

STUD, fuel pump

2шт.

NSS

NOT SOLD SEPARAT

3/8" N.F. hex nut w/plain washer and Shakeproof lockwasher #1220-00

2шт.

A20933

KEY

woodruff, fuel pump to A21139 gear

1шт.

A21136

HOUSING, fuel pump drive shaft w/bushings

1шт.

NSS

NOT SOLD SEPARAT

3/8" x 1-1/4" N.C. hex bolt w/lockwasher

1шт.

NSS

NOT SOLD SEPARAT

3/8" x 1-1/4" N.C. hex socket hd. bolt w/lockwasher

1шт.

A21137

HOUSING (use A21136)

1шт.

A21139

GEAR

fuel pump drive (to pump shaft)

1шт.

A21140

PLUG

timing window

1шт.

A23042

TUBE, lube oil overflow

1шт.

A23043

OIL BAFFLE, fuel pump breather cap, spring type

1шт.

O1579AB

STUD, fuel pump drive housing to cylinder block

1шт.

NSS

NOT SOLD SEPARAT

3/8" N.F. hex nut w/lockwasher

1шт.

O8861AB

X

"O" RING, fuel pump drive shaft housing

1шт.

O9016AB

X

SNAP RING, fuel pump drive shaft

1шт.

O9725AB

X

PLUNGER, fuel pump drive shaft thrust

1шт.

O9726AB

X

SPRING, fuel pump drive shaft thrust plunger

1шт.

O9745AB

X

WASHER, thrust, fuel pump drive shaft

1шт.

O9892AB

STUD

GASKET, timing window plug

1шт.

O10279AB

X

GEAR, fuel pump drive

1шт.

O10496AB

CLIP, lube oil overflow tube

1шт.

NSS

NOT SOLD SEPARAT

3/8" x 1-1/4" N.C. hex bolt w/2-plain washers

1шт.

Выбрано товаров: 30