Запчасти Case IH D-SERIES (067) - INDEPENDENT BRAKE ASSEMBLY, FOR D, DO AND DV TRACTORS NO. (06) - POWER TRAIN

Схема запчастей Case IH D-SERIES - (067) - INDEPENDENT BRAKE ASSEMBLY, FOR D, DO AND DV TRACTORS NO. (06) - POWER TRAIN
FIT
1:1
100%

Артикул

Название

Примечание

Количество

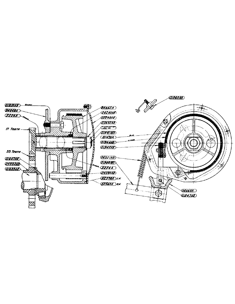
b4662a

B4662A

PULLEY, differential brake

2шт.

a4663a

A4663A

HOUSING, brake, R.H. Use A256AA

1шт.

nss

NSS

NOT SOLD SEPARAT

SCREW, 1/2" x 2-1/4" hexagon head cap, N.C. thread

3шт.

nss

NSS

NOT SOLD SEPARAT

WASHER, 1/2" standard lock

3шт.

a4668a

A4668A

END, brake pedal

2шт.

5254a

5254A

BUSHING, brake housing

4шт.

o1941ab3

O1941AB3

SHAFT AND GEAR, brake pulley

2шт.

nss

NSS

NOT SOLD SEPARAT

NUT, 1" hexagon jam, light, N.F. thread

2шт.

o1944ab1

O1944AB1

LINING, brake

2шт.

nss

NSS

NOT SOLD SEPARAT

RIVET, 9/64" x 6/16" brass tubular, no. 2561

34шт.

o1945ab

O1945AB

SCREW, brake band adjusting

2шт.

o1946ab1

O1946AB1

PEDAL, brake. Tractor no. 4402685 and after. See O4924AB (D, DO, DV)

2шт.

nss

NSS

NOT SOLD SEPARAT

BOLT, 1/2" x 1-1/2" machine, with hex. nut (D, DO, DV)

2шт.

nss

NSS

NOT SOLD SEPARAT

WASHER, 1/2" standard lock (D, DO, DV)

2шт.

o1947ab

O1947AB

PIN, brake pedal end

2шт.

nss

NSS

NOT SOLD SEPARAT

PIN, 1/8" x 3/4" cotter

4шт.

o1949ab

O1949AB

SCREW, brake spring. Tractor no. 4402685 and after (D, DO, DV)

2шт.

o1950ab

O1950AB

GASKET, brake housing

2шт.

o2248ab

O2248AB

COVER, brake housing

2шт.

nss

NSS

NOT SOLD SEPARAT

SCREW, 5/16" x 5/8" hexagon head cap, N.C. thread

12шт.

nss

NSS

NOT SOLD SEPARAT

WASHER, 5/16" standard lock

12шт.

o3682ab

O3682AB

WASHER, lock, brake pulley shaft

2шт.

o4240ab

O4240AB

X

SEAL, oil, brake pulley shaft

2шт.

o4390ab

O4390AB

PIN, brake band anchor

2шт.

o4734ab

O4734AB

OIL THROWER, brake pulley, See 1837AA

2шт.

o4735ab

O4735AB

REINFORCEMENT, oil thrower

2шт.

nss

NSS

NOT SOLD SEPARAT

SCREW, 1/4" x 3/4" rd. hd. machine, N.C. thread

6шт.

nss

NSS

NOT SOLD SEPARAT

WASHER, 1/4" standard lock

6шт.

o4736ab

O4736AB

GASKET, brake pulley oil thrower

2шт.

o4921ab

O4921AB

X

SPRING, brake pedal

2шт.

o4922ab

O4922AB

GUIDE, brake pedal, R.H. Prior to tractor no. 4402685 (D, DO, DV)

1шт.

o4922ab

O4922AB

GUIDE, brake pedal, R.H. (DC, DH)

1шт.

o4923ab

O4923AB

GUIDE, brake pedal, L.H. Prior to tractor no. 4402685 (D, DO DV)

1шт.

o4923ab

O4923AB

GUIDE, brake pedal, L.H. (DC, DH)

1шт.

o4924ab

O4924AB

PEDAL, brake. Prior to tractor no. 4402685. See O1946AB1 (D, DO DV)

2шт.

nss

NSS

NOT SOLD SEPARAT

BOLT, 1/2" x 1-1/2" machine, with hex. nut (D, DO, DV)

2шт.

nss

NSS

NOT SOLD SEPARAT

WASHER, 1/2" standard lock (D, DO, DV)

2шт.

o4924ab

O4924AB

PEDAL, brake (DC, DH)

2шт.

nss

NSS

NOT SOLD SEPARAT

BOLT, 1/2" x 1-1/2" machine, with hex. nut (DC, DH)

2шт.

nss

NSS

NOT SOLD SEPARAT

WASHER, 1/2" standard lock (DC, DH)

2шт.

o4992ab

O4992AB

GEAR AND SPROCKET, differential

2шт.

b147aa

B147AA

BAND, brake, complete

2шт.

a256aa

A256AA

HOUSING, brake, with bushings, R.H.

1шт.

a257aa

A257AA

HOUSING, brake, with bushings, L.H.

1шт.

1837aa

1837AA

SET OF (2) OIL THROWERS FOR BRAKE PULLEY, Consists of 2 - O4734AB, 2 - O4735AB, 2 - O4736AB, 6-1/4" x 3/4" rd. hd. machine screws, and 6-1/4" standard lockwashers

1шт.

Выбрано товаров: 45