Запчасти Case IH DC-SERIES (040) - FAN AND WATER PUMP ASSEMBLY, D, DC, DO, DV (02) - ENGINE

Схема запчастей Case IH DC-SERIES - (040) - FAN AND WATER PUMP ASSEMBLY, D, DC, DO, DV (02) - ENGINE
FIT
1:1
100%

Артикул

Название

Примечание

Количество

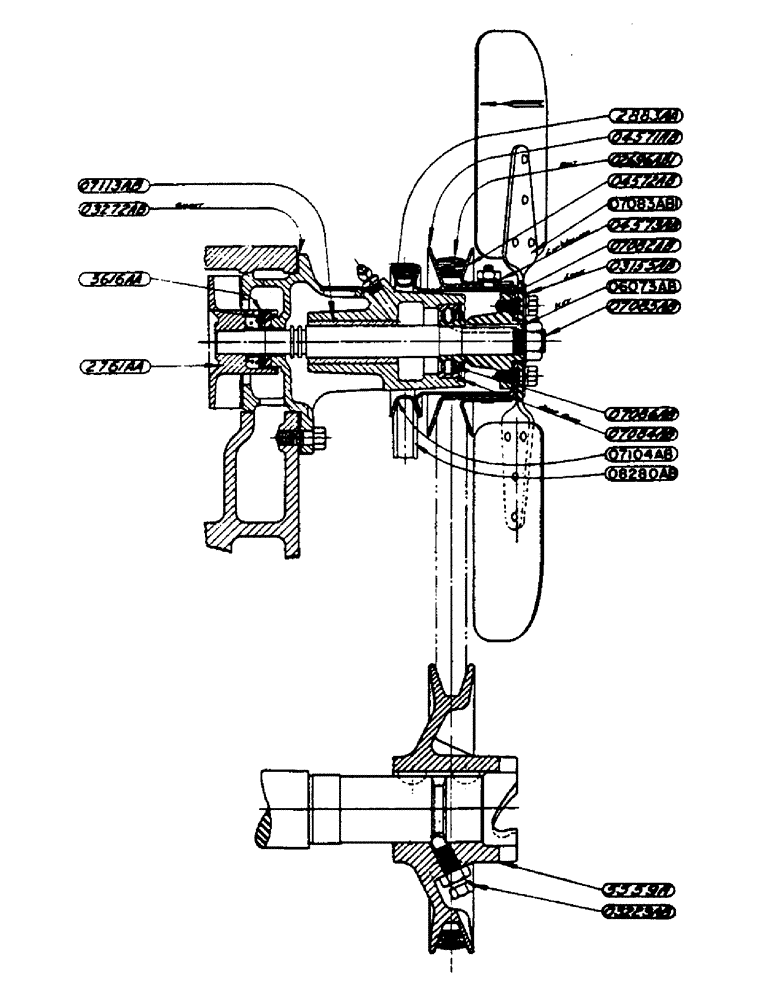
VT3399

PLUG - Welch, water pump body (1" dia.)

1шт.

5559A

PULLEY - fan drive

1шт.

5577A

BODY - water pump (Use 2883AA)

1шт.

O2696AB1

X

BELT - fan

1шт.

O3155AB

X

LOCK - water pump and fan shaft nut

1шт.

O3223AB

SCREW - set, fan drive pulley

1шт.

NUT - 1/2" hex, jam, N.C. thread

1шт.

O3272AB

X

GASKET - water pump

1шт.

O4571AB

X

PULLEY - fan, drive hub half (See O7104AB)

1шт.

BOLT - 1/4" x 5/8" short sq. carr. (Cadmium plated)

3шт.

WASHER - 1/4" std. lock

3шт.

NUT - 1/4" hex, N.C. thread (Cadmium plated)

3шт.

O4572AB

PULLEY - fan, adjustable half

1шт.

O4573AB

WASHER - lip, adjustable fan pulley

3шт.

O5785AB

WASHER - carbon seal, for 3616AA

1шт.

O6073AB

X

KEY - water pump and fan shaft

1шт.

O7082AB

HUB - fan

1шт.

O7083AB1

BLADE - fan, assembly (6 blades - 17" dia.)

1шт.

SCREW - 5/16" x 7/8" hex hd. cap, N.C. thread

4шт.

WASHER - 5/16" std. lock

4шт.

O7084AB

X

SNAP RING - water pump body

1шт.

O7085AB

X

SHAFT - water pump and fan

1шт.

NUT - 5/8" hex, light, N.F. thread

1шт.

O7086AB

X

BEARING - water pump and fan shaft (New Departure no. 8604)

1шт.

O7104AB

X

PULLEY - generator drive (See O4571AB)

1шт.

O7113AB

X

BUSHING - water pump

1шт.

O8280AB

BELT

Generator

1шт.

2761AA

X

IMPELLER ASSEMBLY - water pump (Includes seal)

1шт.

2883AA

BODY - water pump, with bushing and VT3399 plug

1шт.

FITTING - 1/8" - 45 degree Lincoln no. 5200

1шт.

SCREW - 3/8" x 1" hex hd. cap, N.C. thread

2шт.

SCREW - 3/8" x 1-1/4" hex hd. cap, N.C. thread

1шт.

3048AA

FAN AND WATER PUMP ASSEMBLY - less fan blades, lower pulley and belt

1шт.

3326AA

PULLER - with screw, for removing 2761AA impeller

1шт.

3394AA

KIT

- water pump repair. Consists of 1-2761AA, 1-O3272AB, 1-O7084AB, 1-O7085AB, 1-O7086AB and 1-O7113AB

1шт.

3616AA

KNOCKER

SEAL - water pump, complete

1шт.

Выбрано товаров: 36