Запчасти Case IH DC-SERIES (030) - GOVERNOR, D, DC, DO, DV (03) - FUEL SYSTEM

Схема запчастей Case IH DC-SERIES - (030) - GOVERNOR, D, DC, DO, DV (03) - FUEL SYSTEM
FIT
1:1
100%

Артикул

Название

Примечание

Количество

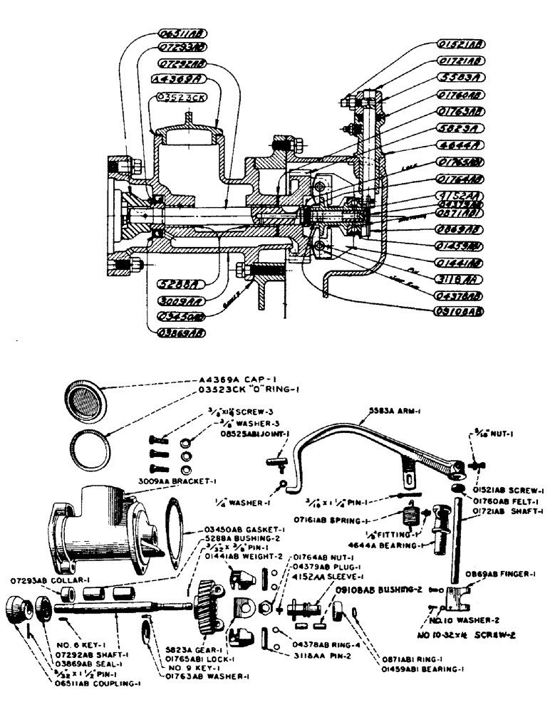
4369A

X

CAP - (Use A4369A cap with O3523CK "O" ring)

1шт.

A4369A

CAP - oil filler

1шт.

4644A

BEARING - governor arm shaft

1шт.

FITTING - 1/8" straight Lincoln no. 5000

1шт.

5288A

BUSHING - in 3009AA magneto bracket for governor shaft

2шт.

5583A

ARM - governor

1шт.

PIN - 3/16" x 1-1/4" cotter

1шт.

5822A

BRACKET - magneto (Use 3009AA)

1шт.

5823A

GEAR - governor

1шт.

Part of governor assy P/N 3029AA

1шт.

O869AB

FINGER - governor

1шт.

SCREW - no. 10-32 x 1/2" rd. hd. mach.

2шт.

WASHER - no. 10 std. lock

2шт.

O871AB1

SNAP RING - governor shaft thrust bearing

1шт.

Part of governor assy P/N 3029AA

1шт.

O966AB

X

GASKET - for 4369A cap (See O3523CK)

1шт.

O1441AB

X

WEIGHT - governor

2шт.

Part of governor assy P/N 3029AA

1шт.

O1459AB1

X

BEARING - thrust, governor shaft (Nice no. 6071)

1шт.

Part of governor assy P/N 3029AA

1шт.

O1521AB

SCREW - set, governor arm

1шт.

NUT - 5/16" hex jam, N.C. thread

1шт.

O1721AB

SHAFT - governor arm

1шт.

O1760AB

X

WASHER - felt, governor arm shaft bearing

1шт.

O1763AB

WASHER - thrust, governor gear

1шт.

Part of governor assy P/N 3029AA

1шт.

O1764AB

NUT - governor shaft

1шт.

Part of governor assy P/N 3029AA

1шт.

O1765AB1

LOCK - governor shaft nut

1шт.

Part of governor assy P/N 3029AA

1шт.

O3869AB

X

OIL SEAL - governor shaft

1шт.

Part of governor assy P/N 3029AA

1шт.

O4378AB

SNAP RING - governor weight pin

4шт.

O4379AB

PLUG - governor shaft

1шт.

Part of governor assy P/N 3029AA

1шт.

O6511AB

COUPLING - magneto

1шт.

Part of governor assy P/N 3029AA

1шт.

PIN - 5/32" x 1-1/2" type 1 groove

1шт.

O7096AB

ROD - governor, Serial Range: lever-carburetor

1шт.

PIN - 3/32" x 1/2" cotter

1шт.

NUT - 1/4" hex, light, N.F. thread

1шт.

O7161AB

X

SPRING - governor

1шт.

O7292AB

SHAFT - governor

1шт.

Part of governor assy P/N 3029AA

1шт.

KEY - no. 6 Woodruff

1шт.

KEY - no. 9 Woodruff

1шт.

PIN - 3/32" x 3/8" type 1, full length taper groove

1шт.

O7293AB

X

COLLAR - thrust, governor shaft

1шт.

Part of governor assy P/N 3029AA

1шт.

O7294AB

TUBE - governor oil supply

1шт.

ELBOW - Dole A-7 male, with compression screw, 3/16" tube size x 1/8" pipe thread

2шт.

O8525AB1

X

JOINT - ball, governor lever

1шт.

WASHER - 1/4" std. lock

1шт.

O9108AB

BUSHING - governor sleeve

2шт.

O3523CK

X

"O" RING - for A4369A cap (See O966AB)

1шт.

3009AA

BRACKET - magneto, with bushings

1шт.

Part of governor assy P/N 3029AA

1шт.

SCREW - 3/8" x 1-1/4" hex hd. cap, N.C. thread with lockwasher

3шт.

SCREW - 3/8" x 2-1/4" hex hd. cap, N.F. thread with lockwasher

1шт.

SCREW - 3/8" x 1-5/8" hex hd. cap, N.C. thread with lockwasher

1шт.

3029AA

GOVERNOR - assembly. Includes all items marked

1шт.

3118AA

PIN - governor weight, with O4378AB snap ring

2шт.

Part of governor assy P/N 3029AA

1шт.

4152AA

X

SLEEVE - governor, with O9108AB bushing

1шт.

Part of governor assy P/N 3029AA

1шт.

41

SCREW

MAGNETO - "Case" flange mounted

1шт.

5288A

BUSHING - magneto bracket for governor shaft

2шт.

5822A

BRACKET - magneto (Use 3009AA)

1шт.

O1571AB

WIRE - magneto to no. 1 cylinder

1шт.

O1798AB

RING - rubber, ignition wires, magneto

1шт.

O3450AB

X

GASKET - magneto bracket, at timing gear cover

1шт.

O4449AB1

X

NIPPLE - spark plug wire, on distributor, magneto

4шт.

O6352AB

SWITCH

- magneto ground

1шт.

O6511AB

COUPLING - magneto

1шт.

PIN - 5/32" x 1-1/2" type 1, full length taper groove

1шт.

O6619AB

ELECTRICAL WIRE

WIRE - magneto to no. 3 cylinder

1шт.

O7295AB

WIRE - magneto ground switch

1шт.

O7738AB

X

WIRE - magneto to no. 2 and 4 cylinders

2шт.

O7769AB

X

GASKET - spark plug, magneto

4шт.

O9012AB

X

PLUG - spark, 18MM AC85 (See VTA4705), magneto

4шт.

3009AA

BRACKET - magneto, with bushings

1шт.

SCREW - 3/8" x 1-1/4" hex hd. cap, N.C. thread with lockwasher, magneto

3шт.

SCREW - 3/8" x 2-1/4" hex hd. cap, N.F. thread with lockwasher, magneto

1шт.

SCREW - 3/8" x 1-5/8" hex hd. cap, N.C. thread with lockwasher, magneto

1шт.

VTA4705

X

PLUG - spark, 18MM Champion #8 commercial (See O9012AB), magneto

4шт.

Выбрано товаров: 85