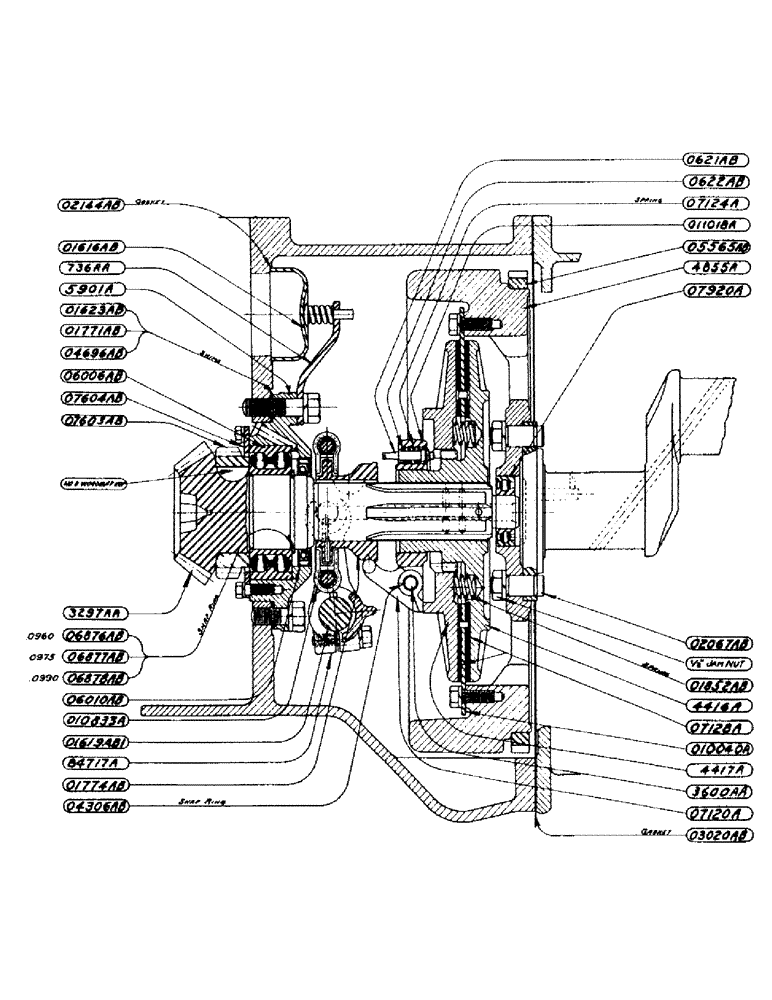
Запчасти Case IH DC-SERIES (049) - CLUTCH SHAFT ASSEMBLY - FOR TRACTORS, HAVING 3261AA GEAR (06) - POWER TRAIN

Схема запчастей Case IH DC-SERIES - (049) - CLUTCH SHAFT ASSEMBLY - FOR TRACTORS, HAVING 3261AA GEAR (06) - POWER TRAIN
FIT
1:1
100%