Запчасти Case IH L-SERIES (029) - FAN AND WATER PUMP, FLAT TYPE BELT (PRIOR TO TRACTOR NO. L300723) (02) - ENGINE

Схема запчастей Case IH L-SERIES - (029) - FAN AND WATER PUMP, FLAT TYPE BELT (PRIOR TO TRACTOR NO. L300723) (02) - ENGINE
01539ab
01541ab
4466a
01199ab
03313ab
03152ab1
a4516a
130aa
a4468a
01539ab
01718ab2
a4468a
01197ab
01196ab
01195ab1
0798ab
01201ab
02868ab
0762ab
01194ab
01202ab
01195ab1
01203ab
03334ab
01541ab
01201ab
01200ab
01203ab
01204ab1
01196ab
01179ab
01205ab
05087a
01197ab
a4469a
02868ab
01542ab
4466a
4516a
01198ab
01204ab1
01205ab
4469a
4446a
01200ab
01199ab
4939a
05087a
01202ab
01198ab
01206ab
01206ab
4465a
01542ab
01718ab2
FIT
1:1
100%

Артикул

Название

Примечание

Количество

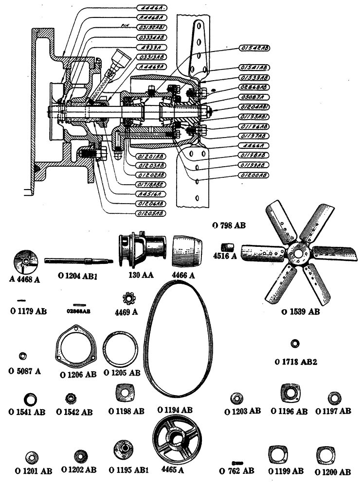
4465a

4465A

PULLEY fan drive, lower, 7 - 1/2" diameter, Uses O1194AB belt, L324436 and below, see 4779A, Years: 01-JAN-29-01-JAN-31

1шт.

KEY no. 152 woodruff

1шт.

4466a

4466A

PULLEY upper fan, Years: 01-JAN-29-01-JAN-34

1шт.

4467a

4467A

BODY water pump, Use 130AA

1шт.

a4468a

A4468A

IMPELLER water pump, Years: 01-JAN-29-01-JAN-34

1шт.

4469a

4469A

NUT packing, water pump use 1050AA

1шт.

a4469a

A4469A

NUT packing, water pump, use 1050AA

1шт.

4516a

4516A

BUSHING water pump, use 1028AA

1шт.

a4516a

A4516A

BUSHING water pump, use 1028AA

1шт.

4779a

4779A

PULLEY fan drive, lower, 8 - 1/4" diameter, uses O2696AB belt, L324435 and above, see 4465A, Years: 01-JAN-31-01-JAN-34

1шт.

4939a

4939A

WASHER water pump body, bronze, Years: 01-JAN-29-01-JAN-34

1шт.

05087a

A26381

WASHER

fan shaft, Years: 01-JAN-29-01-JAN-34

1шт.

0762ab

O762AB

SCREW set, for 4465A and 4779A pulleys, Years: 01-JAN-29-01-JAN-34

1шт.

NUT 1/2" hexagon half, N.C. thread

1шт.

0798ab

O798AB

DOWEL water pump bushing, Years: 01-JAN-29-01-JAN-34

1шт.

01179ab

O1179AB

PIN water pump impeller, Years: 01-JAN-29-01-JAN-34

1шт.

01194ab

O1194AB

BELT fan, for 4465A pulley, L32443 and below, see O2696AB, Years: 01-JAN-29-01-JAN-31

1шт.

01195ab1

O1195AB1

HUB fan pulley, Years: 01-JAN-29-01-JAN-34

1шт.

KEY no. 11 Woodruff

1шт.

01196ab

O1196AB

RETAINER fan bearing felt, Years: 01-JAN-29-01-JAN-34

1шт.

SCREW 1/4" x 5/8" hexagon head cap, N.C. thread

4шт.

WASHER 1/4" standard lock.

4шт.

01197ab

O1197AB

WASHER felt, fan bearing, outer, Years: 01-JAN-29-01-JAN-34

1шт.

01198ab

O1198AB

RETAINER fan bearing, outer, Years: 01-JAN-29-01-JAN-34

1шт.

01199ab

O1199AB

SHIM fan bearing, no. 30 guage, Years: 01-JAN-29-01-JAN-34

4шт.

01200ab

O1200AB

SHIM fan bearing, .005" thick, Years: 01-JAN-29-01-JAN-34

3шт.

01201ab

O1201AB

RETAINER fan bearing, inner, Years: 01-JAN-29-01-JAN-34

1шт.

01202ab

O1202AB

RETAINER felt, fan bearing, inner, Years: 01-JAN-29-01-JAN-34

1шт.

01203ab

O1203AB

WASHER felt, fan bearing, inner, Years: 01-JAN-29-01-JAN-34

1шт.

01204ab1

O1204AB1

SHAFT water pump and fan, Years: 01-JAN-29-01-JAN-34

1шт.

NUT 1/2" hexagon, castle, N.F. thread

1шт.

PIN 3/32" x 7/8" cotter

1шт.

01205ab

A26477

GASKET

water pump, Years: 01-JAN-29-01-JAN-34

1шт.

01206ab

O1206AB

RING clamping, water pump body, Years: 01-JAN-29-01-JAN-34

1шт.

SCREW 3/8" x 1" hexagon head cap, N.C. thread

3шт.

01539ab

O1539AB

FAN BLADE ASSEMBLY 6 blade 18", Years: 01-JAN-29-01-JAN-34

1шт.

SCREW 3/8" x 1" hexagon head cap, N.C. thread

4шт.

WASHER 3/8" standard lock

4шт.

01541ab

O1541AB

CUP water pump and fan shaft bearing, Timken no. 09194, Years: 01-JAN-29-01-JAN-34

2шт.

01542ab

13823V

CONE

water pump and fan shaft bearing, Timken no. 09074, Years: 01-JAN-29-01-JAN-34

2шт.

01718ab2

O1718AB2

PACKING water pump, Years: 01-JAN-29-01-JAN-34

2шт.

02696ab

O2696AB

BELT fan, used with 4779A, L324435, see O1194AB, Years: 01-JAN-31-01-JAN-34

1шт.

02868ab

A27001

KEY

water pump and fan shaft, Years: 01-JAN-29-01-JAN-34

1шт.

03152ab1

A26704

PIN

water pump impeller, Years: 01-JAN-32-01-JAN-34

1шт.

03313ab

O3313AB

TUBE grease, for 1028AA bushing, Years: 01-JAN-29-01-JAN-34

1шт.

CUP 1/2 ounce, 1/8" grease

1шт.

03334ab

O3334AB

SPRING water pump, Years: 01-JAN-29-01-JAN-34

1шт.

130aa

130AA

BODY water pump, with bushing, Years: 01-JAN-29-01-JAN-34

1шт.

PLUG 1/8" pipe, square head

1шт.

FITTING 1/8", 90° lubricating, Lincoln no. 5400

1шт.

951aa

951AA

WATER PUMP AND FAN ASSEMBLY less fan blades, to change from flat belt to V type drive, Years: 01-JAN-29-01-JAN-34

1шт.

1028aa

1028AA

BUSHING ASSEMBLY with nut, packing, grease tube and grease cup, Years: 01-JAN-29-01-JAN-34

1шт.

1050aa

1050AA

NUT packing, with packing for water pump, Years: 01-JAN-29-01-JAN-34

1шт.

Выбрано товаров: 53