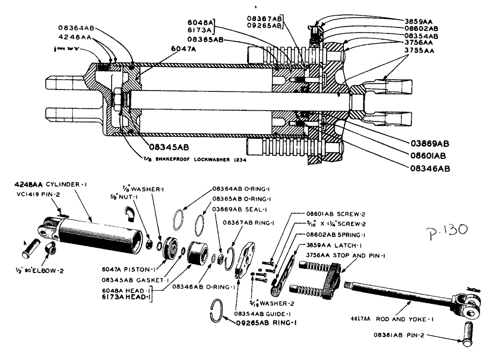
Запчасти Case IH LA-SERIES (092) - HYDRAULIC SINGLE AND DUAL CONTROL UNIT - A3847AA PORTABLE CYLINDER (4" X 8") (08) - HYDRAULICS

Схема запчастей Case IH LA-SERIES - (092) - HYDRAULIC SINGLE AND DUAL CONTROL UNIT - A3847AA PORTABLE CYLINDER (4" X 8") (08) - HYDRAULICS
08601ab
08345ab
08354ab
4248aa
6173a
08367ab
4248aa
03869ab
4417aa
6047a
08601ab
08367ab
3859aa
08364ab
6173a
08361ab
3755aa
08346ab
08602ab
03869ab
6048a
09265ab
08602ab
08365ab
08346ab
6047a
08364ab
3756aa
08354ab
08345ab
08365ab
3756aa
3859aa
6048a
vc1419
09265ab
FIT
1:1
100%

Артикул

Название

Примечание

Количество

6046a

6046A

CAP cylinder, hydraulic (Use 3757AA or 4248AA)

1шт.

6047a

6047A

PISTON cylinder, hydraulic

1шт.

6048a

6048A

HEAD inner, cylinder, hydraulic (Used with 3757AA cylinder) (See 6173A)

1шт.

6173a

6173A

HEAD inner, cylinder, hydraulic (Used with 4248AA cylinder) (See 6048A)

1шт.

03869ab

A26758

OIL SEAL

SEAL oil, rod, piston, hydraulic cylinder

1шт.

08345ab

A30894

COPPER WASHER

GASKET piston, cylinder, hydraulic

1шт.

08346ab

356005R1

O-RING,1.109" ID x 0.139" Width

rod, piston, cylinder, hydraulic

1шт.

08354ab

O8354AB

GUIDE pin, stop, limit, hydraulic cylinder

1шт.

08361ab

A27347

PIN

yoke, cylinder, hydraulic

2шт.

08364ab

2701035-15

O-RING

piston, cylinder, hydraulic

1шт.

08365ab

355740R1

O-RING,0.139" Thk x 3.734" ID, -240, Cl 5, 75 Duro

cylinder, hydraulic

1шт.

08367ab

O8367AB

RING snap, collar, cylinder, hydraulic (Used with 3757AA cylinder) (See O9265AB)

1шт.

08601ab

A31157

SCREW,5/16" - 18 x 1 3/4"

latch, stop, limit, hydraulic cylinder

2шт.

WASHER lock, shakeproof, No. 1218-4, 5/16"

2шт.

08602ab

A27421

SPRING

latch, stop, limit, hydraulic cylinder

1шт.

09265ab

A30896

RING

snap, collar, cylinder, hydraulic (Used with 4248AA cylinder) (See O8367AB)

1шт.

vc1419

A29054

HAIR PIN COTTER

SPRING retainer, pin, yoke, hydraulic cylinder

2шт.

3756aa

3756AA

STOP limit, hydraulic cylinder, with pins

1шт.

3757aa

3757AA

X

CYLINDER and CAP hydraulic (Furnish later cylinder 4248AA with 1 - 6173A cylinder head and 1 - O9265AB snap ring)

1шт.

ELBOW streeet, 90°, 1/2"

2шт.

a3847aa

A3847AA

CYLINDER hydraulic, portable, complete, 4" x 8" (Consists of the following part numbers: 6047A, 6173A, O3869AB, O8345AB, O8346AB, O8354AB, O8364AB, O8365AB, O8601AB, O8602AB, O9265AB, 3756AA, 3859AA, 4248AA and 4417AA) (Use B3847AA)

1шт.

SCREW cap, hex head, N.C. thread, 5/16" x 1-1/4", with lock washer

2шт.

3859aa

A31156

LATCH

stop, limit, hydraulic cylinder

1шт.

4248aa

4248AA

CYLINDER and CAP hydraulic

1шт.

ELBOW street, 90°, 1/2"

2шт.

4417aa

4417AA

ROD and YOKE piston, cylinder, hydraulic

1шт.

NUT jam, light, hex, N.F. thread, 7/8"

1шт.

WASHER lock, shakeproof, No. 1234, type 12, 7/8"

1шт.

Выбрано товаров: 28