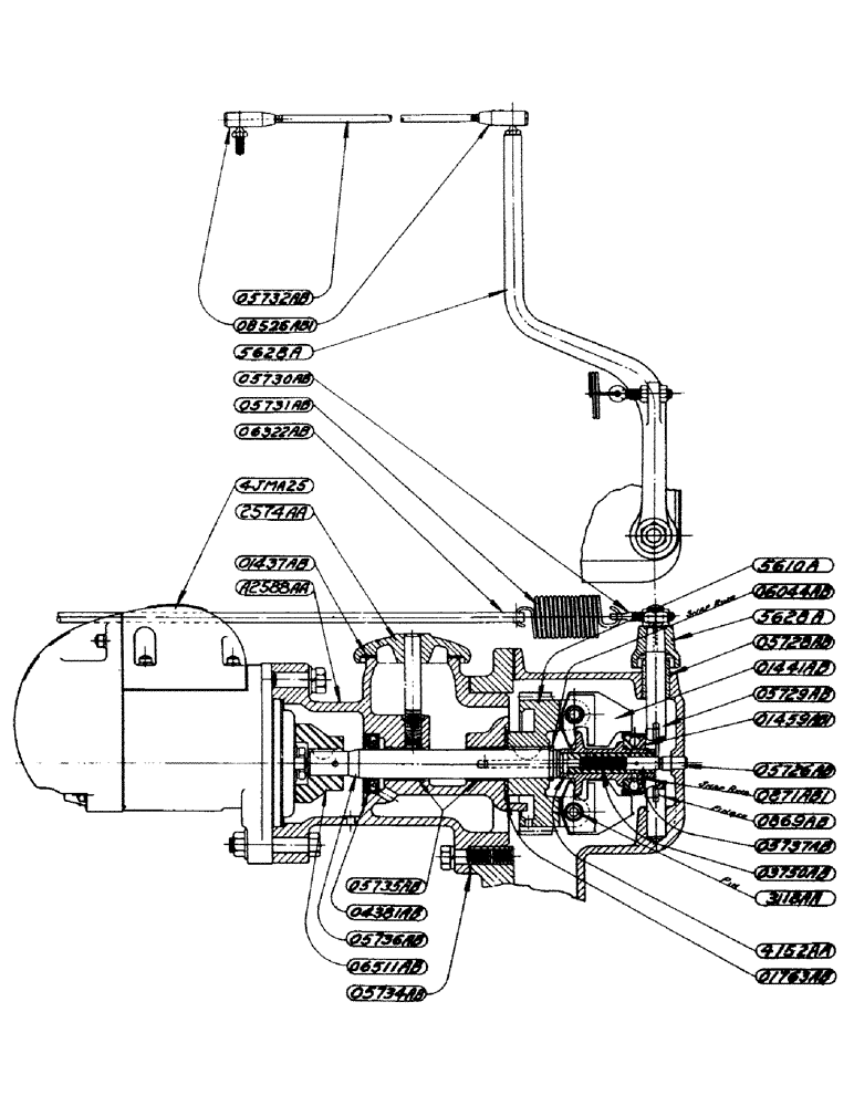
Запчасти Case IH S-SERIES (028) - GOVERNOR AND MAGNETO ASSEMBLY, PRIOR TO TRACTOR NUMBER 5300000, GOVERNOR, S, SC, SO (03) - FUEL SYSTEM

Схема запчастей Case IH S-SERIES - (028) - GOVERNOR AND MAGNETO ASSEMBLY, PRIOR TO TRACTOR NUMBER 5300000, GOVERNOR, S, SC, SO (03) - FUEL SYSTEM
FIT
1:1
100%

Артикул

Название

Примечание

Количество

A4362A

X

SLEEVE, governor. Use 4152AA

1шт.

5610A

GEAR, governor

1шт.

Part of P/N A2587AA Governor Assy., plus A2588AA magneto bracket and 06511AB magneto coupling

1шт.

5614A

CAP, oil filler. Use 2574AA

1шт.

5628A

LEVER, governor, prior to tractor no. 5300000. See 6063A

1шт.

6063A

LEVER, governor. Tractor no. 5300001 and after. See 5628A

1шт.

PIN, 3/16" x 1-1/4" cotter

1шт.

6116A

X

SLEEVE, governor. Use 4152AA

1шт.

O869AB

FINGER, governor

1шт.

SCREW, no. 10-32 x 1/2" round head machine, N.F. thread

2шт.

WASHER, no. 10 standard lock

2шт.

O871AB1

RING, snap, governor thrust bearing

1шт.

Part of P/N A2587AA Governor Assy., plus A2588AA magneto bracket and 06511AB magneto coupling

1шт.

O1437AB

GASKET, oil filler cap

1шт.

Part of P/N A2587AA Governor Assy., plus A2588AA magneto bracket and 06511AB magneto coupling

1шт.

O1441AB

X

WEIGHT, governor

2шт.

Part of P/N A2587AA Governor Assy., plus A2588AA magneto bracket and 06511AB magneto coupling

1шт.

O1459AB1

X

BEARING, thrust, governor shaft

1шт.

Part of P/N A2587AA Governor Assy., plus A2588AA magneto bracket and 06511AB magneto coupling

1шт.

O1763AB

WASHER, thrust, governor gear

1шт.

Part of P/N A2587AA Governor Assy., plus A2588AA magneto bracket and 06511AB magneto coupling

1шт.

O3750AB

SPRING, thrust, governor shaft

1шт.

Part of P/N A2587AA Governor Assy., plus A2588AA magneto bracket and 06511AB magneto coupling

1шт.

O4378AB

RING, governor weight pin snap

4шт.

Part of P/N A2587AA Governor Assy., plus A2588AA magneto bracket and 06511AB magneto coupling

1шт.

O4381AB

SEAL, oil, governor shaft

1шт.

Part of P/N A2587AA Governor Assy., plus A2588AA magneto bracket and 06511AB magneto coupling

1шт.

O5726AB

BUTTON, thrust, governor shaft

1шт.

O5728AB

BUSHING, governor lever shaft

1шт.

O5729AB

SHAFT, governor lever

1шт.

KEY, no. 2 Woodruff

1шт.

NUT, 3/8" hexagon, light, N.F. thread

1шт.

WASHER, 3/8" standard lock

1шт.

O5730AB

SCREW, governor lever adjusting, prior to tractor no. 5300000

1шт.

NUT, 1/4" hexagon, N.C. thread

2шт.

O5731AB

SPRING

governor

1шт.

O5732AB

ROD, governor, Serial Range: lever-carburetor

1шт.

NUT, no. 10-32 machine screw, light, N.F. thread

2шт.

O5736AB

SHAFT, governor

1шт.

Part of P/N A2587AA Governor Assy., plus A2588AA magneto bracket and 06511AB magneto coupling

1шт.

KEY, no. 6 Woodruff

1шт.

Part of P/N A2587AA Governor Assy., plus A2588AA magneto bracket and 06511AB magneto coupling

1шт.

KEY, no. 9 Woodruff

1шт.

Part of P/N A2587AA Governor Assy., plus A2588AA magneto bracket and 06511AB magneto coupling

1шт.

PIN, 5/32" x 1-1/2" type 1 groove

1шт.

Part of P/N A2587AA Governor Assy., plus A2588AA magneto bracket and 06511AB magneto coupling

1шт.

O5737AB

PLUNGER, governor shaft thrust

1шт.

Part of P/N A2587AA Governor Assy., plus A2588AA magneto bracket and 06511AB magneto coupling

1шт.

PIN, 5/64" x 3/8" type 5 groove

1шт.

Part of P/N A2587AA Governor Assy., plus A2588AA magneto bracket and 06511AB magneto coupling

1шт.

O6044AB

X

RING, snap, governor shaft

1шт.

Part of P/N A2587AA Governor Assy., plus A2588AA magneto bracket and 06511AB magneto coupling

1шт.

O6488AB

THIMBLE, for installing O4381AB oil seal

1шт.

O8526AB1

X

JOINT, ball, governor, Serial Range: lever-carburetor

2шт.

WASHER, no. 10 standard lock

2шт.

O9108AB

BUSHING, for 4152AA governor sleeve

2шт.

2574AA

CAP, oil filler, with stud

1шт.

Part of P/N A2587AA Governor Assy., plus A2588AA magneto bracket and 06511AB magneto coupling

1шт.

A2587AA

GOVERNOR ASSEMBLY, Includes P/N 5610A, 0871AB1, 01437AB, 01441AB, 01459AB1, 01763AB, 03750AB, 04378AB, 04381AB, 05736AB plus 2 keys and pin, 05737AB plus pin, 06044AB,2574AA, 4152AA, and A2588AA magneto bracket and 06511AB magneto coupling

1шт.

3118AA

PIN, governor weight, with snap rings

2шт.

4152AA

X

SLEEVE, governor, with bushings

1шт.

Part of P/N A2587AA Governor Assy., plus A2588AA magneto bracket and 06511AB magneto coupling

1шт.

5673A

LEVER, throttle. Used prior to no. 5313815 on tractors without hydraulic control unit. See 6081A, S, SC

1шт.

SCREW, 5/16" x 2-1/2" hexagon head cap, N.F. thread, S, SC

1шт.

NUT, 5/16" hexagon, light, N.F. thread, S, SC

2шт.

5673A

LEVER, throttle. Used prior to no. 4600000 on tractors without hydraulic control unit. See 5735A, 6081A, SO

1шт.

SCREW, 5/16" x 2-1/2" hexagon head cap, N.F. thread, SO

1шт.

NUT, 5/16" hexagon, light, N.F. thread, SO

2шт.

5735A

LEVER, throttle, Used from no. 4600000 to no. 5313815 on tractors without hydraulic control unit. See 5673A, 6081A, SO

1шт.

SCREW, 3/8" x 2" hexagon head cap, N.F. thread, SO

1шт.

NUT, 3/8" hexagon, light, N.F. thread, SO

2шт.

6081A

LEVER, throttle. Used on all tractors beginning with no. 5313815; also used prior to no. 5313815 on tractors with hydraulic control unit. See 5673A, 5735A

1шт.

SCREW, 5/16" x 2-1/2" hexagon head cap, N.F. thread (See O8647AB for SO), S, SC

1шт.

NUT, 5/16" hexagon, light, N.F. thread, S, SC

2шт.

O6221AB

SPRING, throttle lever. Used from no. 4600000 to no. 5313815 on tractors without hydraulic control unit. See O6326AB, SO

1шт.

O6320AB

X

DISC, throttle lever friction. Used on all tractors prior to no. 4600000 and after no. 5313815; also used from no. 4600000 to no. 5313815 on tractors equipped with hydraulic control unit. See 2882AA

1шт.

O6321AB1

ROD, throttle control rear. Used prior to no. 5313815 on tractors without hydraulic control unit. See O8629AB, S, SC

1шт.

NUT, 5/16" hexagon, N.C. thread, S, SC

2шт.

PIN, 3/32" x 5/8" cotter, S, SC

1шт.

O6321AB1

ROD, throttle control, rear. Used prior to no. 4600000 on tractors without hydraulic control unit. See O6601AB1, O8679AB, SO

1шт.

O6322AB

ROD, throttle control, front. Prior to tractor no. 5300000. See O8522AB

1шт.

O6326AB

X

SPRING, throttle lever, S, SC

1шт.

O6326AB

X

SPRING, throttle lever. Used on all tractors prior to no. 4600000 and after no. 5313815; also used from no. 4600000 to no. 5313815 on tractors equipped with hydraulic control unit. See O6221AB, SO

1шт.

O6601AB1

ROD, throttle control, rear. Used from no. 4600000 to no. 5313815 on tractors without hydraulic control unit. See O6321AB11, O8679AB, SO

1шт.

NUT, 5/16" hexagon, N.C. thread, SO

2шт.

PIN, 3/32" x 5/8" cotter, SO

1шт.

O7346AB

COLLAR, throttle rod stop. Tractor no. 5300001 and after

1шт.

O8334AB

SUPPORT, throttle rear rod. Tractor no. 5300001 and after

1шт.

SCREW, 1/4" x 3/8" cup point set

1шт.

SCREW, 1/4" x 5/8" hexagon head cap

1шт.

NUT, 1/4" hexagon, light, N.F. thread

1шт.

WASHER, 1/4" standard lock

1шт.

O8522AB

ROD, throttle control, front. Tractor no. 5300001 and after. See O6322AB

1шт.

O8629AB

ROD, throttle control, rear. Tractor no. 5313815 and after, also used prior to no. 5313815 on tractors with hydraulic control unit. See O6321AB1, S, SC

1шт.

NUT, 5/16" hexagon, N.C. thread, S, SC

2шт.

PIN, 3/32" x 5/8" cotter, S, SC

1шт.

WASHER, 5/16" plaing, S, SC

1шт.

O8647AB

STUD, throttle lever. Tractor no. 5313815 and after, also used prior to no. 5313815 on tractors with hydraulic control unit, SO

1шт.

NUT, 5/16" hexagon, light, N.F. thread, SO

2шт.

O8679AB

ROD, throttle control, rear. Tractor no. 5313815 and after, also used prior to no. 5313815 on tractors with hydraulic control unit. See O6321AB1, O6601AB1, SO

1шт.

NUT, 5/16" hexagon, N.C. thread, SO

2шт.

WASHER, 5/16" standard lock, SO

1шт.

PIN, 3/32" x 5/8" cotter, SO

1шт.

2882AA

QUADRANT, throttle control, with supports. Used from no. 4600000 to no. 5313815 on tractors without control unit. See O6320AB, SO

1шт.

SCREW, 5/16" x 1/2" hexagon head cap, N.C. thread, SO

2шт.

WASHER, 5/16" standard lock, SO

2шт.

WASHER, 5/16" plain, SO

2шт.

5613A

BRACKET, magneto. Use A2588AA

1шт.

A5613A

BRACKET, magneto. Use A2588AA

1шт.

O1798AB

RING, spark plug wire

1шт.

O3029AB

WIRE, magneto to no. 1 cylinder. For "Edison-Splitdorf" Magneto (17-5/8" long)

1шт.

O3030AB

WIRE, magneto to no. 2, 3 and 4 cylinders. For "Edison-Splitdorf" Magneto (13-5/8" long)

3шт.

O3432AB

X

WIRE, magneto to no. 1 cylinder (18-5/8" long). For "Case" magneto having distributor cap with horizontal outlet

3шт.

O4449AB1

X

NIPPLE, spark plug wire, on magneto distributor

4шт.

O5734AB

GASKET

magneto bracket

1шт.

O5735AB

BUSHING, magneto bracket

2шт.

O5877AB

COUPLING, magneto, Used with O6303AB "Edison-Splitdorf" magneto. See O6511AB

1шт.

O5999AB

SPARK PLUG

PLUG, spark (14MM AC45)

4шт.

O6303AB

MAGNETO, "Edison-Splitdorf" (Not furnished, Use 4JMA-25 "Case" magneto with O6511AB coupling)

1шт.

O6352AB

SWITCH

magneto

1шт.

O6360AB

WIRE, magneto to magneto switch

1шт.

O6511AB

COUPLING, magneto, Used with 4JMA-25 "Case" magneto. See O5877AB

1шт.

O6619AB

ELECTRICAL WIRE

WIRE, magneto to no. 2 cylinder, 14-5/8" long. For "Case" magneto having distributor cap with horizontal outlet

1шт.

O6619AB

ELECTRICAL WIRE

WIRE, magneto to no. 1 and no. 4 cylinders, 14-5/8" long. For "Case" magneto having distributor cap with vertical outlet

2шт.

O6620AB

WIRE, magneto to no. 2 and no. 3 cylinders, 11-1/8" long. For "Case" magneto having distributor cap with vertical outlet

2шт.

O7739AB

WIRE, magneto to no. 3 and no. 4 cylinders, 12-5/8" long. For "Case" magneto having distributor cap with horizontal outlet

2шт.

O7768AB

GASKET, spark plug

4шт.

4JMA-25

MAGNETO, "Case"

1шт.

SCREW, 3/8" x 2-1/4" hexagon head cap, N.F. thread

1шт.

NUT, 3/8" hexagon, light, N.F. thread

1шт.

A2588AA

BRACKET, magneto, with bushings

1шт.

SCREW, 3/8" x 1-1/4" hexagon head cap, N.C. thread

3шт.

SCREW, 3/8" x 1-5/8" hexagon head cap, N.C. thread

1шт.

WASHER, 3/8" standard lock

5шт.

WASHER, 3/8" plain

2шт.

Выбрано товаров: 135