Запчасти Case IH VAC11-SERIES (140) - DEPTH ADJUSTING TURNBUCKLE, VAC, VA, VAO, VAH (06) - POWER TRAIN

Схема запчастей Case IH VAC11-SERIES - (140) - DEPTH ADJUSTING TURNBUCKLE, VAC, VA, VAO, VAH (06) - POWER TRAIN
FIT
1:1
100%

Артикул

Название

Примечание

Количество

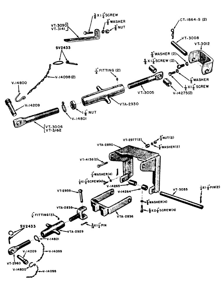
CT1864S

X

PIN - spring (Also used with V14204 pin) (VAC, VA, VAO)

2-3шт.

CT1864S

X

PIN - spring (Also used with V14204 pin) (VAH)

1шт.

SV2433

X

PIN - and ring retaining (Use with V14209)

1шт.

V14098

CHAIN - anchor (#4 tenso 8 links) (VAC, VA, VAO)

2шт.

V14098

CHAIN - anchor (#4 tenso 8 links) (VAH)

1шт.

V14099

CHAIN - anchor (#4 tenso 13 links) (VAH)

1шт.

V14204

PIN - mast (Use V14209)

1шт.

V14209

X

PIN - mast

1шт.

V14264

SPARE PART

SPACER - bail, right-hand (1-5/8" long) (VAH)

1шт.

V14265

SPACER - bail, left-hand (2-11/16" long) (VAH)

1шт.

V14275

SPACERS (VAC, VA, VAO)

2шт.

V14800

"S" HOOK - small

1шт.

V14801

SET OF BELTS

"S" HOOK - large

1шт.

VT599

TURNBUCKLE (Use VTA2930)

1шт.

VT600

TURNBUCKLE (Use VTA2929)

1шт.

VT2959

PIN - swivel yoke (VAH)

1шт.

NSS

NOT SOLD SEPARAT

3/16" x 1-1/4" pin - cotter (VAH)

1шт.

VT2960

EYE - depth adjusting link (VAH)

1шт.

VT2977

SPACER (VAH)

2шт.

VT3005

EYE - depth adjusting link, front (VAC, VA, VAO)

1шт.

VT3006

EYE - depth adjusting link, rear (VAC, VA, VAO)

1шт.

NSS

NOT SOLD SEPARAT

1-1/8" - 7 nut - hexagon, U.N.C., S.F. light series (VAC, VA, VAO)

1шт.

VT3008

SHAFT - depth adjusting (VAC, VA, VAO)

1шт.

VT3012

BRACKET - pivot, depth adjustin link (VAC, VA, VAO)

1шт.

NSS

NOT SOLD SEPARAT

1/2" x 1-1/2" screw - cap, hex. head, U.N.C. with lockwasher (VAC, VA, VAO)

1шт.

NSS

NOT SOLD SEPARAT

5/8" x 1-1/4" screw - cap, socket head, U.N.C. (VAC, VA, VAO)

2шт.

NSS

NOT SOLD SEPARAT

5/8" washer - Shakeproof, E.T. (VAC, VA, VAO)

2шт.

VT3055

SHAFT - bail (VAH)

1шт.

NSS

NOT SOLD SEPARAT

1/4" x 1-1/2" pin - cotter (VAH)

2шт.

VT3141

BRACKET - chain anchor and rear light

1шт.

NSS

NOT SOLD SEPARAT

3/8" x 1-1/4" screw - cap, hex. head, U.N.C. w/hex. nut and lockwasher

1шт.

VT3162

TURNBUCKLE EYE (VAC, VA, VAO)

1шт.

VT4136

SCREW - cap, ground body (VAH)

2шт.

NSS

NOT SOLD SEPARAT

5/8" nut - hexagon, U.N.F., S.F. light series with lockwasher (VAH)

2шт.

VTA2836

BAIL - depth adjusting (VAH)

1шт.

VTA2838

YOKE - swivel, depth adjusting (VAH)

1шт.

VTA2892

BRACKET - mounting (VAH)

1шт.

NSS

NOT SOLD SEPARAT

1/2" x 1-1/2" screw - cap, hex. head, U.N.C. with lockwasher (VAH)

4шт.

NSS

NOT SOLD SEPARAT

5/8" x 2-1/2" screw - cap, hex. head, U.N.C. w/hex. nut and 1/washer (VAH)

4шт.

VTA2929

TURNBUCKLE ASSEMBLY WITH FITTINGS (VAH)

1шт.

VTA2930

TURNBUCKLE ASSEMBLY WITH FITTINGS (VAC, VA, VAO)

1шт.

NSS

NOT SOLD SEPARAT

1/4" fitting - grease, straight drive (Lincoln #5029)

2шт.

Выбрано товаров: 42