Запчасти Case IH VAI-SERIES (033) - RADIATOR AND CONNECTIONS (02) - ENGINE

Схема запчастей Case IH VAI-SERIES - (033) - RADIATOR AND CONNECTIONS (02) - ENGINE
FIT
1:1
100%

Артикул

Название

Примечание

Количество

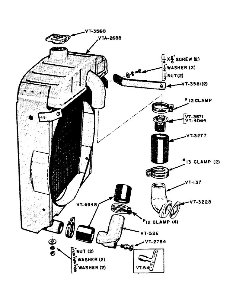
VT137

ELBOW - water outlet

1шт.

3/8" x 1-1/4" bolt, hexagon head, U.N.C. with lockwasher

2шт.

VT514

WRENCH FOR DRAIN PLUG (Tractors before no. 5157131)

1шт.

VT526

ELBOW - drain (Tractors after no. 5157130)

1шт.

VT2784

X

VALVE - drain (Tractors after no. 5157130)

1шт.

VT3228

X

GASKET - water outlet

1шт.

VT3277

X

HOSE - upper

1шт.

No. 12 clamp, hose, with bolt and nut

1шт.

No. 13 clamp, hose, with bolt and nut

1шт.

VT3533

HOSE - water pump outlet (Use VTA2691)

1шт.

VT3560

CAP

- radiator

1шт.

VT3581

BRACE - radiator

2шт.

1/4" x 5/8" screw, machine, round head, U.N.C. with square nut and lockwasher

2шт.

VT3671

X

THERMOSTAT (Gasoline manifold engines) (150 degree F to 175 degree F)

1шт.

VT3980

SPACER - radiator (See VTA351)

2шт.

VT4064

X

THERMOSTAT (Low cost fuel manifold engines) (175 degree F to 180 degree F)

1шт.

VT4948

X

HOSE - drain elbow (Tractors after no. 5157130)

2шт.

No. 12 clamp, hose, with bolt and nut

4шт.

VTA351

RADIATOR AND CAP (Tractors before no. 4829409) (Use VTA2688, VTA2691 and (2) VT3980)

1шт.

VTA618

RADIATOR AND CAP (Tractors no. 4829408 thru no. 5157130) (Use VTA2688 and VTA2691)

1шт.

VTA2688

RADIATOR AND CAP (Tractors after no. 5157130) (See VTA351 and VTA618)

1шт.

1/8" P.T. plug, pipe, standard, brass (Tractors before no. 5157131)

1шт.

1/8" x 2-1/2" nipple, standard pipe (Tractors before no. 5157131)

1шт.

3/8" nut, hexagon, U.N.C. with lockwasher

2шт.

3/8" washer, plain, S.A.E. standard

2шт.

VTA2691

ELBOW - assembly (Consists of (1) VT526, (2) VT526, (2) VT4948, (1) VT2784, and (2) no. 13 clamps)

1шт.

Выбрано товаров: 26