Запчасти Case IH 7110 (8-02) - HYDRAULIC TRANSMISSION FILTERS, PRIOR TO TRANSMISSION SERIAL NUMBER AJB0044915 (08) - HYDRAULICS

Схема запчастей Case IH 7110 - (8-02) - HYDRAULIC TRANSMISSION FILTERS, PRIOR TO TRANSMISSION SERIAL NUMBER AJB0044915 (08) - HYDRAULICS
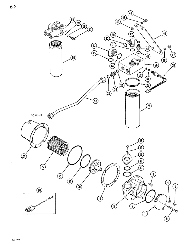
17
48
48
9
42
60
40
52
34
16
44
3
27
56
18
5
59
29
4
22
13
32
47
2
35
9
33
24
45
6
20
58
25
57
28
46
21
19
50
55
26
41
30
49
47
31
51
1
43
FIT
1:1
100%

Артикул

Название

Примечание

Количество

1

139252C3

COVER

- base, filter

1шт.

2

G10347

O-RING,0.139" Thk x 4.984" ID, -250, Cl 5, 75 Duro

- cover

1шт.

3

614-8030

BOLT,Hex, M8 x 1.25 x 30mm, Cl 8.8, Full Thd

hex, CL 8.8, M8 x 1.25 x 30

2шт.

4

895-15008

WASHER,9mm ID x 20mm OD x 1.6mm Thk

- flat, 9 x 21 x 2 mm

2шт.

5

1968032C1

BASE

- suction, filter

1шт.

6

139241C2

GASKET

- base, if equipped

1шт.

9

30021R1

BOLT,Hex, M10 x 1.5 x 30mm, Cl 10.9, Full Thd

5шт.

9

30035R1

BOLT,Hex, M10 x 1.5 x 110mm, Cl 10.9

- hex, 10 x 110 mm

1шт.

13

1976758C1

MOUNTING CLIP

RETAINER - tube

1шт.

16

238-5228

O-RING,0.139" Thk x 2.234" ID, -228, Cl 5, 75 Duro

1шт.

17

238-5235

O-RING,0.139" Thk x 3.109" ID, -235, Cl 5, 75 Duro

1шт.

18

613-10035

BOLT,Hex, M10 x 1.5 x 35mm, Cl 8.8, Full Thd

- hex, 10 x 35 mm

2шт.

19

30184R1

WASHER,M10 x 24.5 x 3, HT

- flat, 11 x 24 x 3 mm

2шт.

20

148960C2

PLUG

- locator, filter

1шт.

21

238-5250

O-RING,0.139" Thk x 4.984" ID, -250, Cl 5, 75 Duro

-250, 70 Duro, 4.984" ID x .139 Thk

1шт.

22

1282384C1

SCREEN

- suction

1шт.

24

139242C3

CONTAINER

- filter

1шт.

25

238-5264

O-RING,0.139" Thk x 7.484" ID, -264, Cl 5, 75 Duro

1шт.

26

1957825C1

FILTER CARTRIDGE

FILTER ASSEMBLY - hydraulic, Includes: Ref. 27 - 29, Serial Range: -JJA0001549

1шт.

27

123010C2

GASKET

- filter element

1шт.

28

1971728C1

FILTER, ELEMENT

ELEMENT - filter

1шт.

29

84017C1

SWITCH

ASSEMBLY - pressure, filter, Includes: Ref. 51 and 52

1шт.

30

201-309

ELBOW,90 Degree Elbow, 1-11/16" - 12 Male ORFS x 1-5/8" - 12 Male ORB

- 90 degree adjustable, 1-5/8 x 1-11/16 inch thread, Includes: Ref. 31 and 32

1шт.

31

237-6020

O-RING,0.118" Thk x 1.475" ID, -920, Cl 6, 90 Duro

20-1, 90 Duro, 1.475" ID x .118" Thk, Boss end

1шт.

32

238-6025

O-RING,0.07" Thk x 1.176" ID, -25, Cl 6, 90 Duro

Face end -025, 90 Duro, 1.176" ID x .070" Thk

1шт.

33

201-105

HYD CONNECTOR,1-7/16" - 12 Male ORFS x 1-5/16" - 12 Male ORB

ADAPTER - straight, 1-5/16 x 1-7/16 inch thread, Incl. Ref. 34 and 35

2шт.

34

237-6016

O-RING,0.116" Thk x 1.171" ID, -916, Cl 6, 90 Duro

- boss end, 1-11/16 ID x 1/8 inch

1шт.

35

238-6021

O-RING,15/16 X 1 - 1/16, Cl 6

Face End -021, 90 Duro, .926" ID x .070" Thk

1шт.

40

201-104

HYD CONNECTOR,1-3/16" - 12 Male ORFS x 1-1/16" - 12 Male ORB

ADAPTER - straight, 1-5/16 x 1-3/16 inch thread, Includes Ref. 41 and 42

1шт.

41

237-6012

O-RING,0.116" Thk x 0.924" ID, -912, Cl 6, 90 Duro

12-1, 90 Duro, .924 ID x .116" Thk, Boss end

1шт.

42

238-6018

O-RING,0.07" Thk x 0.739" ID, -18, Cl 6, 90 Duro

Face end -018, 90 Duro, .739" ID x .070" Thk

1шт.

43

201-310

ELBOW,90 Degree Elbow, 2" - 12 Male ORFS x 1-7/8" - 12 Male ORB

- 90 degree adjustable, 1-7/8 x 2 inch thread, Includes: Ref. 44 and 45

1шт.

44

237-6024

O-RING,0.118" Thk x 1.720" ID, -924, Cl 6, 90 Duro

24-1, 90 Duro, 1.72" ID x .118" Thk, Boss end

1шт.

45

238-6029

O-RING,0.07" Thk x 1.489" ID, -29, Cl 6, 90 Duro

Face end -029, 90 Duro, 1.489" ID x .070" Thk

1шт.

46

1289143C1

PLATE ASSY.

PLATE - mounting, filter

1шт.

47

30041R1

BOLT,Hex, M12 x 1.75 x 25mm, Cl 10.9, Full Thd

- hex, 12 x 25 mm, class 10.9

4шт.

48

896-11012

WASHER,13.5mm ID x 24mm OD x 3mm Thk

4шт.

49

829-1312

NUT,M12 x 1.75, Cl 10

- hex, 12 mm - 1.75, class 10

2шт.

50

1289371C1

HYD TUBE

TUBE - return, reservoir

1шт.

51

237-6008

O-RING,0.087" Thk x 0.644" ID, -908, Cl 6, 90 Duro

8-1, 90 Duro, .644" ID x .087" Thk

1шт.

52

G102845

O-RING,0.07" Thk x 0.489" ID, -14, Cl 6, 90 Duro

- 1/2 inch ID x 1/16 inch

1шт.

55

1971727C1

FILTER ASSY

FILTER ASSEMBLY - hydraulic, Includes: Ref. 56 - 59, Start Serial: JJA0001549

1шт.

56

1971728C1

FILTER, ELEMENT

ELEMENT- filter

1шт.

57

1957801C1

PRESSURE SWITCH

SWITCH ASSEMBLY - pressure, Includes: Ref. 58 and 59

1шт.

58

359158R1

O-RING,0.301" ID x 0.07" Width

-011, 70 Duro, .031" ID x .070" Thk - Shaft

1шт.

59

237-6006

O-RING,0.078" Thk x 0.468" ID, -906, Cl 6, 90 Duro

6-1, 90 Duro, .468" ID x .078" Thk

1шт.

60

1964795C1

ELECTRICAL WIRE

CABLE - adapter, harness

1шт.

Prior to transmission Serial No. AJB0001514 if equipped with 1971727C1 filter

1шт.

Выбрано товаров: 48