Запчасти Case IH 7110 (9-012) - HITCH LOWER LIFT LINKS, P.I.N. JJA0036010 AND AFTER (09) - CHASSIS/ATTACHMENTS

Схема запчастей Case IH 7110 - (9-012) - HITCH LOWER LIFT LINKS, P.I.N. JJA0036010 AND AFTER (09) - CHASSIS/ATTACHMENTS
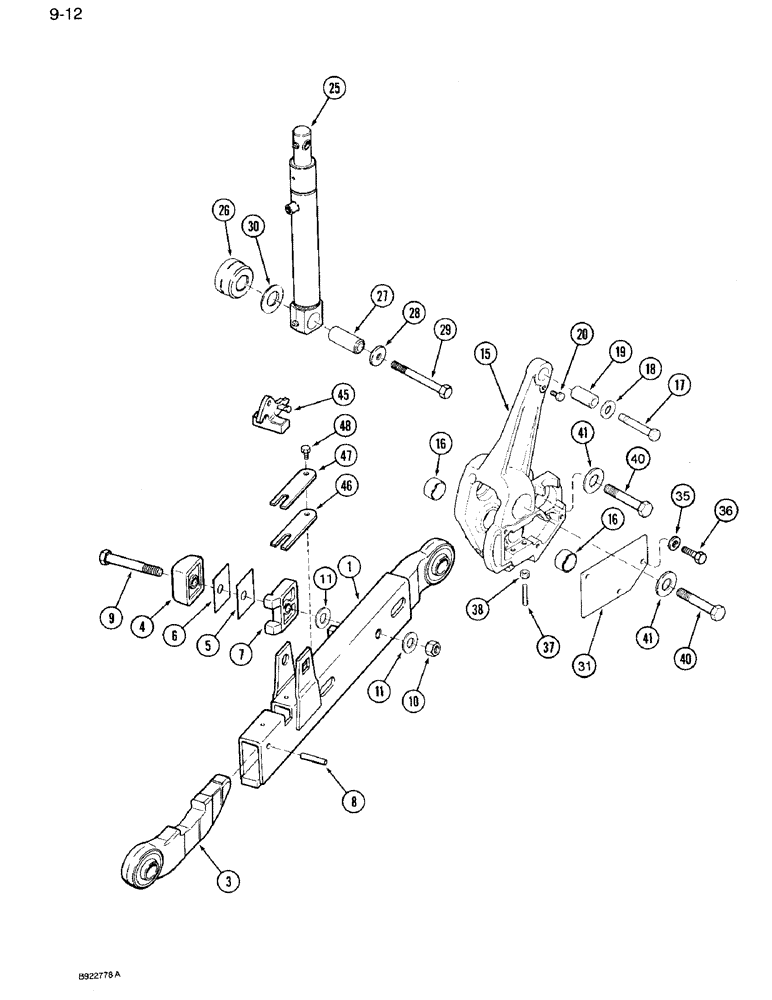
40
31
1
40
29
41
8
17
4
46
27
47
7
16
11
41
25
11
38
20
18
26
15
9
10
3
16
35
19
6
28
45
36
48
30
5
37
FIT
1:1
100%

Артикул

Название

Примечание

Количество

1

1965616C3

LOWER LINK

LINK - lower lift, left-hand front, not shown, Serial Range: JJA0036010-JJA0043441

1шт.

1

1965617C3

DRAG LINK

LINK - lower lift, right-hand front, Serial Range: JJA0036010-JJA0043441

1шт.

1

1331893C5

DRAG LINK

LINK - lower lift, left-hand front, not shown, Replaces: 130316A1, Replaces: 1331893C5, Start Serial: JJA0043442

1шт.

1

1331894C5

DRAG LINK

LINK - lower lift, right-hand front, Replaces: 130317A1, 1331894C5, Start Serial: JJA0043442

1шт.

3

1282114C4

LOWER LINK

LINK - lower lift, left-hand rear, not shown

1шт.

3

1282115C4

LOWER LINK

LINK - lower lift, right-hand rear

1шт.

4

1286789C1

BLOCK

BUMPER - cam, Serial Range: JJA0036010-JJA0043441

2шт.

4

1286752C1

BLOCK

BUMPER - cam, Start Serial: JJA0043442

2шт.

5

70479C1

SHIM

- bumper, 0.033 inch

2шт.

6

70480C1

SHIM

- bumper, 0.067 inch

12шт.

7

1266811C1

SPACER

- cam bumper

2шт.

8

738-31260

PIN,M12 x 60, Coiled

2шт.

9

413-1288

BOLT,Hex, 3/4" - 10 x 5-1/2", Gr 5

- hex, 3/4 NC x 5-1/2 inch, if used

2шт.

9

413-1280

BOLT,Hex, 3/4" - 10 x 5", Gr 5

- hex, 3/4 NC x 5 inch, if used

2шт.

10

22244R1

LOCK NUT

- hex lock, 3/4 inch NC

2шт.

11

495-11081

WASHER,3/4", SAE

4шт.

15

1347900C3

SUPPORT ASSY.

BRACKET ASSEMBLY - lower link, left-hand, not shown, Replaces: 1347900C2, Includes: Ref. 16

1шт.

Part of hitch bracket kit P/N 1998043C1.

1шт.

15

1347902C3

SUPPORT ASSY.

BRACKET ASSEMBLY - lower link, right-hand, Replaces: 1347902C2, Includes: Ref. 16

1шт.

Part of hitch bracket kit P/N 1998043C1.

1шт.

16

1960223C1

BUSHING,37.15mm ID x 43.09mm OD x 24mm L

- bracket

2шт.

17

828-16090

BOLT,Hex, M16 x 2 x 90mm, Cl 10.9

- hex, 16 mm - 2.00 x 90 mm, class 10.9

2шт.

Part of hitch bracket kit P/N 1998043C1.

1шт.

18

896-16016

WASHER,17.5mm ID x 34mm OD x 5mm Thk

- flat, 17.5 x 34 x 5 mm

2шт.

Part of hitch bracket kit P/N 1998043C1.

1шт.

19

1347983C1

BUSHING,16.38mm ID x 28.4mm OD x 56mm L

- bracket

2шт.

Part of hitch bracket kit P/N 1998043C1.

1шт.

20

614-10020

BOLT,Hex, M10 x 1.5 x 20mm, Cl 8.8, Full Thd

2шт.

Part of hitch bracket kit P/N 1998043C1.

1шт.

25

REF

INSTRUCTION

CYLINDER ASSEMBLY - lift, hitch, See Figure 8-46 or 8-48

2шт.

26

1998150C1

SPACER

- cylinder mounting

2шт.

Part of hitch bracket kit P/N 1998043C1.

1шт.

27

1998013C1

BUSHING

- cylinder

2шт.

Part of hitch bracket kit P/N 1998043C1.

1шт.

28

145678C3

WASHER

- flat, 17 mm

2шт.

29

828-16160

BOLT,Hex, M16 x 2 x 160mm, Cl 10.9

- hex, 16 x 160 mm, class 10.9

2шт.

Part of hitch bracket kit P/N 1998043C1.

1шт.

30

495-81206

WASHER,32.54mm ID x 63.5mm OD x 3.4mm Thk

- plain, 1-9/32 x 2-1/2 x 3/32 inch

2шт.

Part of hitch bracket kit P/N 1998043C1.

1шт.

31

1347904C1

LARGE PLATE

PLATE - sensing pin retaining

1шт.

Part of hitch bracket kit P/N 1998043C1.

1шт.

35

895-18010

WASHER,10.5mm ID x 18mm OD x 1.6mm Thk

6шт.

36

614-10020

BOLT,Hex, M10 x 1.5 x 20mm, Cl 8.8, Full Thd

6шт.

Part of hitch bracket kit P/N 1998043C1.

1шт.

37

878-31050

SET SCREW,Hex Skt, M10 x 50mm, Flat Pt

SCREW - set, 10 - 1.50 x 50 mm

4шт.

Part of hitch bracket kit P/N 1998043C1.

1шт.

38

825-1410

NUT,M10, Cl 8

4шт.

Part of hitch bracket kit P/N 1998043C1.

1шт.

40

828-24110

BOLT,Hex, M24 x 3 x 110mm, Cl 10.9

4шт.

Part of hitch bracket kit P/N 1998043C1.

1шт.

41

896-16024

WASHER,26mm ID x 56mm OD x 6mm Thk

- flat, 17.5 x 34 x 5 mm

4шт.

Part of hitch bracket kit P/N 1998043C1.

1шт.

45

398399R1

LATCH

- lower link

2шт.

46

382192R1

SPRING

- link latch

2шт.

47

382193R1

SPRING

- stiffener

2шт.

48

414-58

BOLT,Hex, 5/16" - 24 x 1/2", Gr 5

2шт.

1998043C1

SET OF PARTS

KIT - hitch bracket, Includes: Ref. 15, 17 - 20, 26, 27, 29 - 31 and 36 - 41

1шт.

Выбрано товаров: 0