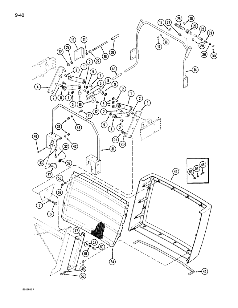
Запчасти Case IH 7110 (9-040) - HOOD SUPPORTS, HINGE AND LATCH, AND LOWER GRILLE (09) - CHASSIS/ATTACHMENTS

Схема запчастей Case IH 7110 - (9-040) - HOOD SUPPORTS, HINGE AND LATCH, AND LOWER GRILLE (09) - CHASSIS/ATTACHMENTS
5
33
2
2
41
26
21
46
22
53
1
10
19
17
37
39
28
22
23
56
1
42
12
28
9
44
20
13
25
55
2
5
27
32
2
2
8
4
6
40
50
18
31
11
5
5
2
27
56
7
2
49
3
38
25
1
14
2
54
55
52
43
5
15
16
45
24
30
21
51
1
47
29
FIT
1:1
100%

Артикул

Название

Примечание

Количество

1

1968100C3

DRAG LINK

LINK ASSEMBLY - hood tilt, Includes: Ref. 2

4шт.

2

A59809

BUSHING,12.8mm ID x 15.93mm OD x 25.4mm L

- hood tilt link

2шт.

3

1334698C4

SUPPORT

BRACKET - hinge support, right, Replaces: 1334698C3

1шт.

4

1334697C4

SUPPORT

BRACKET - hinge support, left, Replaces: 1334697C3

1шт.

1348418C1

COVER

TREAD - non-slip, not shown

1шт.

5

131-425

PUSH-ON NUT,Push, 1/2"

NUT, LOCK, Push, 1/2"

8шт.

6

627-12040

BOLT,Hex, M12 x 1.75 x 40mm, Cl 10.9, Full Thd

4шт.

7

1976756C2

WASHER

- flat, hinge

4шт.

8

A185252

LEVER

- hood lock, Replaces: 1976741C2

1шт.

9

B18208

SNAP RING,#100, Ext

hood lock lever #100, Ext

1шт.

10

495-81147

WASHER,0.41" ID x 2" OD x 0.11" Thk

- flat, 13/32 x 2 x 1/8 inch

2шт.

11

413-620

BOLT,Hex, 3/8" - 16 x 1-1/4", Gr 5

- hex, 3/8 NC x 1-1/4 inch

1шт.

12

131-206

NUT,3/8"-16

NUT - hex elastic, 3/8 inch

1шт.

13

1348231C1

HANDLE

GRIP - hood handle

1шт.

14

1960835C3

SUPPORT

BRACE - hood, center and cylinder

1шт.

16

495-81286

WASHER,.281" x 1 1/8" x .060"

- flat, 9/32 x 1-1/8 x 1/16 inch

3шт.

17

231-1444

NUT,1/4"-20, GB

NUT, LOCK, 1/4"-20, GB

3шт.

18

1960757C3

HANDLE

- assist, hood tilt, if equipped

1шт.

19

1960758C2

BRACKET

- hood tilt assist, if equipped

1шт.

20

1978473C1

HANDLE

GRIP - handle, hood release, if equipped

1шт.

21

495-11053

WASHER,1/2", SAE

(17/32" x 1-1/16"), If equipped 1/2", SAE

2шт.

22

425-108

NUT,1/2" - 13, Gr 5

NUT, , Hex, If equipped 1/2"-13, G5

1шт.

23

892-11012

LOCK WASHER,M12

WASHER, LOCK, M12

4шт.

24

829-1412

NUT,M12, Cl 10.9

4шт.

25

1968168C3

GAS STRUT

CYLINDER ASSEMBLY - hood lift, Includes: Ref. 26

2шт.

26

1968120C1

SEAL

- gas cylinder

1шт.

27

3234063R1

BALL STUD,M10 x 1.5

STUD - ball

4шт.

28

3233348R1

CLIP

- retaining, ball stud

4шт.

29

892-11010

LOCK WASHER,M10

4шт.

30

825-1410

NUT,M10, Cl 8

4шт.

31

1289137C1

BRACE

- hood support rear

1шт.

32

413-528

BOLT,Hex, 5/16" - 18 x 1-3/4", Gr 5

- hex, 5/16 NC x 1-3/4 inch, Replaces A145178

2шт.

33

425-105

NUT,5/16"-18, G5

- hex, 5/16 inch NC

2шт.

37

A147728

TRIGGER

- hood lock

2шт.

38

1978450C2

SPRING

- torsion, hood lock

2шт.

39

231-1444

NUT,1/4"-20, GB

NUT, LOCK, 1/4"-20, GB

5шт.

40

413-452

BOLT,Hex, 1/4" - 20 x 3-1/4", Gr 5

2шт.

42

495-21031

WASHER,1/4"

- flat, 5/16 x 3/4 x 1/16 inch

2шт.

43

495-81286

WASHER,.281" x 1 1/8" x .060"

- flat, 9/32 x 1-1/8 x 1/16 inch

3шт.

44

1289381C2

SEAL - lower housing, 862 mm, order 1348430C1 and, Serial Range: cut-length

1шт.

A162397

SEAL

- bulk, 50 foot roll

1шт.

45

1289075C2

HOUSING

- lower grille

1шт.

46

1974428C1

STUD

- mounting

1шт.

47

1289112C1

ANGLE

- grille support, right, shown

1шт.

48

1289111C1

ANGLE

- grille support, left

1шт.

49

A147030

SPACER

- grille screen

12шт.

50

413-612

BOLT,Hex, 3/8" - 16 x 3/4", Gr 5

4шт.

51

492-11038

LOCK WASHER,3/8"

4шт.

52

495-81147

WASHER,0.41" ID x 2" OD x 0.11" Thk

- flat, 13/32 x 2 x 3/16 inch

4шт.

53

231-1444

NUT,1/4"-20, GB

NUT, LOCK, 1/4"-20, GB

6шт.

54

1976793C2

SCREEN

- lower grille, Replaces: 1289082C2 and 1976793C1

1шт.

55

495-21031

WASHER,1/4"

- flat, 5/16 x 3/4 x 1/16 inch

12шт.

56

231-1444

NUT,1/4"-20, GB

NUT, LOCK, 1/4"-20, GB

12шт.

1348430C1

SEAL

- 50 foot, bulk roll

1шт.

15

413-420

BOLT,Hex, 1/4" - 20 x 1-1/4", Gr 5

3шт.

41

413-420

BOLT,Hex, 1/4" - 20 x 1-1/4", Gr 5

3шт.

Выбрано товаров: 56