Запчасти Case IH 7120 (6-056) - TRANSMISSION, INTERNAL CONTROL, TRANSMISSION SERIAL NUMBER AJB0055133 AND AFTER (06) - POWER TRAIN

Схема запчастей Case IH 7120 - (6-056) - TRANSMISSION, INTERNAL CONTROL, TRANSMISSION SERIAL NUMBER AJB0055133 AND AFTER (06) - POWER TRAIN
23
34
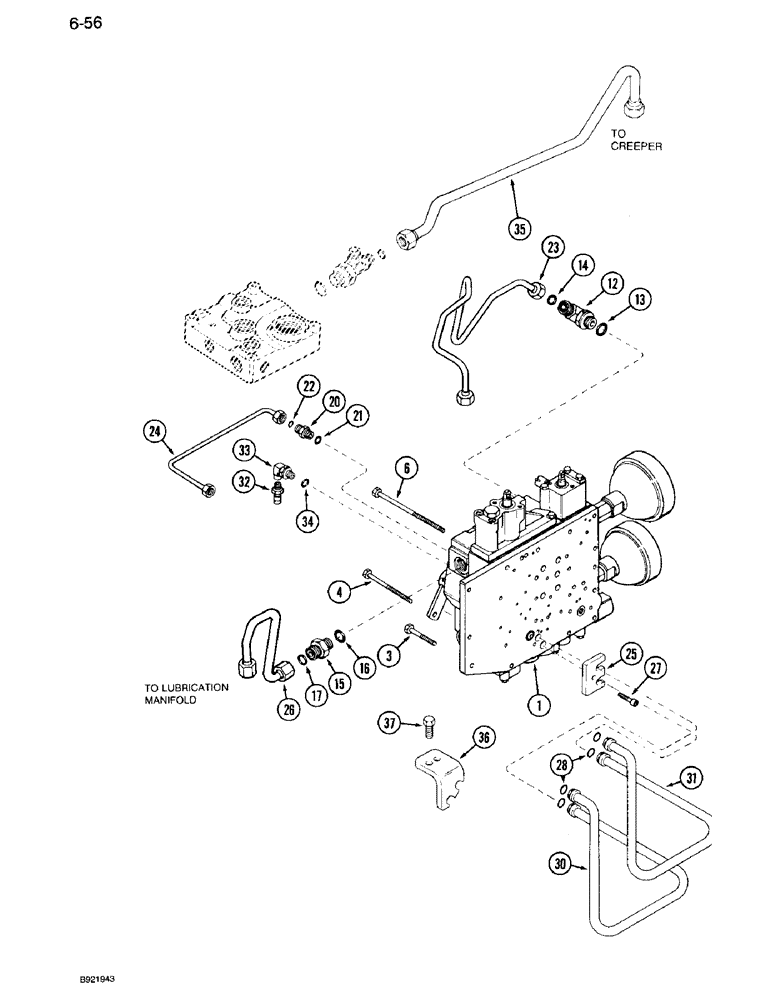
1
35
25
24
27
20
3
14
28
32
17
15
13
37
30
36
12
16
21
26
4
31
22
33
6
FIT
1:1
100%

Артикул

Название

Примечание

Количество

1

REF

INSTRUCTION

VALVE ASSEMBLY - control, without creeper, See Figure 6-80

1шт.

1

REF

INSTRUCTION

VALVE ASSEMBLY - control, with creeper, See Figure 6-80

1шт.

3

813-10065

BOLT,Hex, M10 x 1.5 x 65mm, Cl 8.8

- hex, 10 x 65 mm, See Figure 6-94

3шт.

4

828-8120

BOLT,Hex, M8 x 1.25 x 120mm, Cl 10.9

- hex, 8 x 120 mm, class 10.9, See Figure 6-94

3шт.

4

828-8140

BOLT,Hex, M8 x 1.25 x 140mm, Cl 10.9

- hex, 8 x 140 mm, class 10.9, See Figure 6-94

8шт.

6

813-10175

BOLT,Hex, M10 x 1.5 x 175mm, Cl 8.8

- hex, 10 x 175 mm, See Figure 6-94

2шт.

20

201-101

HYD CONNECTOR,11/16" - 16 Male ORFS x 9/16" - 18 Male ORB

Adapter - short, with creeper, Incl Ref. 21 and 22 11/16"-16 ORFS x 9/16"-18 ORB

1шт.

21

237-6006

O-RING,0.078" Thk x 0.468" ID, -906, Cl 6, 90 Duro

6-1, 90 Duro, .468" ID x .078" Thk, Boss end

1шт.

22

238-6012

O-RING,0.07" Thk x 0.364" ID, -12, Cl 6, 90 Duro

Face end -012, 90 Duro, .364" ID x .070" Thk

1шт.

23

1968016C2

HYD TUBE

TUBE - inlet, valve

1шт.

24

1968170C1

HYD TUBE

TUBE - jumper, with creeper

1шт.

25

1342600C2

ANCHOR

RETAINER - tube

1шт.

26

1348287C1

HYD TUBE,0.625" OD, 399.7, 343.5 mm Length

TUBE - clutch, master

1шт.

27

863-10040

HEX SOC SCREW,M10 x 40mm, Cl 12.9

SCREW, Hex Soc Hd, M10 x 40, 12.9

1шт.

28

238-7018

O-RING,0.07" Thk x 0.739" ID, -18, Cl 7, 75 Duro

4шт.

30

1349400C1

TUBE,5.88 mm OD, 305, 277 mm Length

- clutch, odd

1шт.

31

1349402C1

TUBE,5.88 mm OD, 331, 61 mm Length

- clutch, even

1шт.

32

H434164

COUPLING

COUPLER - quick disconnect

1шт.

33

218-5450

ELBOW,90 Degree, 7/16"-20 ORB x 1/8" NPT Fem

- 90 deg, 7/16-20 adj O-ring boss x 1/8 inch fem PT, Includes: Ref. 34

1шт.

34

237-6004

O-RING,0.072" Thk x 0.351" ID, -904, Cl 6, 90 Duro

4-1, 90 Duro, .351" ID x .072" Thk

1шт.

35

1348316C1

HYD TUBE,0.5" OD, 548.8, 32.6 mm Length

TUBE - lubrication, creeper drive

1шт.

36

1981208C1

SUPPORT

BRACKET - tube

1шт.

37

864-10025

HEX SOC SCREW,M10 x 25mm, Cl 8.8

BOLT - hex socket, 10 mm - 1.50 x 25 mm

2шт.

Выбрано товаров: 23