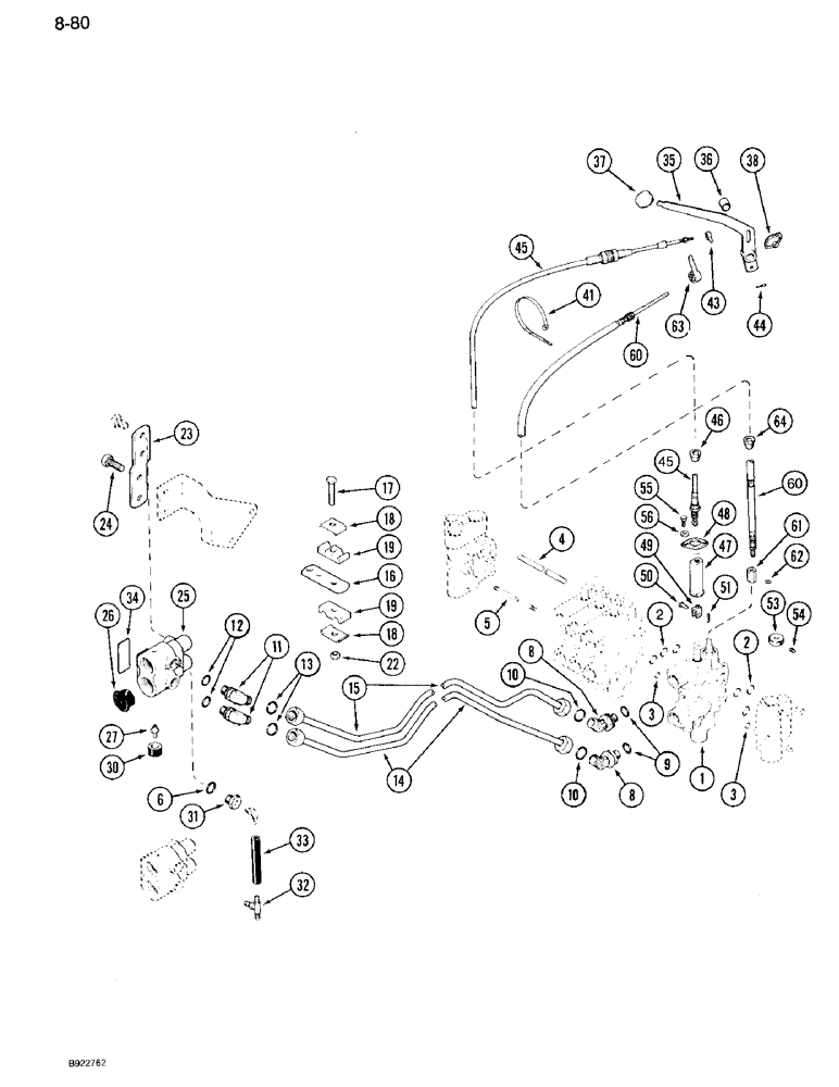
Запчасти Case IH 7120 (8-80) - FOURTH CIRCUIT REMOTE HYDRAULICS, PRIOR TO TRANSMISSION SERIAL NUMBER AJB0018756 (08) - HYDRAULICS

Схема запчастей Case IH 7120 - (8-80) - FOURTH CIRCUIT REMOTE HYDRAULICS, PRIOR TO TRANSMISSION SERIAL NUMBER AJB0018756 (08) - HYDRAULICS
46
38
60
3
30
15
17
45
2
43
49
33
19
9
18
18
11
26
2
19
53
35
4
56
10
54
61
10
50
64
48
55
1
8
16
23
5
36
37
8
47
22
62
6
12
34
41
13
63
14
60
31
45
3
24
25
27
44
32
51
FIT
1:1
100%

Артикул

Название

Примечание

Количество

1348200C1

ATTACHMENT

- fourth remote, machinery item, order from Machinery Price List, Replaces: A67673, Includes: Ref. 1 - 56

1шт.

1

REF

INSTRUCTION

VALVE ASSEMBLY - fourth remote, See Figures 8-66 - 8-68

1шт.

2

D63414

O-RING,0.103" Thk x 0.799" ID, -117, Cl 6, 90 Duro

- seal, valve

6шт.

3

H756783

O-RING,0.103" Thk x 0.487" ID, -112, Cl 6, 90 Duro

- seal, valve

2шт.

4

1334614C1

STUD

- valve, 12 x 320 mm, class 10.9

2шт.

5

1334613C1

STUD

- valve, 10 x 320 mm, class 10.9

1шт.

8

201-316

ELBOW,45 Degree Elbow, 1" - 14 Male ORFS x 7/8" - 14 Male ORB

- 45 degree adjustable, 7/8 x 1 inch thread, Includes: Ref. 9 and 10

2шт.

9

237-6010

O-RING,0.097" Thk x 0.755" ID, -910, Cl 6, 90 Duro

10-1, 90 Duro, .755" ID x .097" Thk, Boss end

1шт.

10

238-6016

O-RING,0.07" Thk x 0.614" ID, -16, Cl 6, 90 Duro

Face end -016, 90 Duro, .614" ID x .070" Thk

1шт.

11

201-306

90 ELBOW,90 Degree Elbow, 1" - 14 Male ORFS x 7/8" - 14 Male ORB

- 90 degree adjustable, 7/8 x 1 inch thread, Includes: Ref. 12 and 13

2шт.

12

237-6010

O-RING,0.097" Thk x 0.755" ID, -910, Cl 6, 90 Duro

10-1, 90 Duro, .755" ID x .097" Thk, Boss end

1шт.

13

238-6016

O-RING,0.07" Thk x 0.614" ID, -16, Cl 6, 90 Duro

Face end -016, 90 Duro, .614" ID x .070" Thk

1шт.

14

1289150C1

HYD TUBE

TUBE - raise, valve

1шт.

15

1289149C1

HYD TUBE

TUBE - drop, valve

1шт.

16

1334203C1

SUPPORT ASSY.

SUPPORT - tube

1шт.

17

30011R1

BOLT,Hex, M8 x 1.25 x 65mm, Cl 10.9

- hex, 8 x 65 mm, class 10.9

1шт.

18

486004R1

CLAMP

- tube

2шт.

19

224968C2

STRIP

- isomount, tube

2шт.

22

30382R1

NUT,M8 x 1.25, Cl 10

Hex M8 x 1.25, Cl 10

1шт.

23

120012C1

SUPPORT

- coupler

1шт.

24

30041R1

BOLT,Hex, M12 x 1.75 x 25mm, Cl 10.9, Full Thd

- hex, 12 x 25 mm, class 10.9

2шт.

25

REF

INSTRUCTION

COUPLER ASSEMBLY - quick, See Figure 8-70

2шт.

26

1954126C1

PLUG

CAP - dust, coupler

2шт.

27

1272765C1

FITTING,1/8" - 27 NPT

- drain, coupler

1шт.

30

1272764C1

SEAL

SEAL - drain

1шт.

31

1334586C1

PLUG

- drain coupler

1шт.

32

1289480C1

TEE

- hose, 1/8 PT x 1/4 x 1/4 inch barbed end

1шт.

33

NSS

NOT SOLD SEPARAT

HOSE - drain, elbow to tee, 115 mm, order 427683C2 and, Serial Range: cut-length

1шт.

427683C2

HYDRAULIC HOSE,6.35 mm ID BULK, SAE 30R6 or SAE 30R7

HOSE - rubber, 1/4 inch ID, 50 foot roll

1шт.

34

1334584C3

DECAL

- coupler, shown on Figure 9-154

1шт.

35

96786C2

LEVER

- control, Includes: Ref. 36

1шт.

36

676862R1

BUSHING

- pivot

1шт.

37

96816C2

KNOB

- lever, black

1шт.

38

1283461C4

LEVER

- lockout, float

1шт.

41

L18337

CABLE TIE,9.95"-12.1" lg

STRAP - tie, 15 inch, nylon

3шт.

42

96990C1

GROMMET

- cable

1шт.

43

1276365C1

ADAPTER

- end, cable

1шт.

44

732-2016

COTTER PIN,M2 x 16

PIN - cotter, 2 x 16 mm

1шт.

45

96481C1

CABLE PULLING GRIP

CABLE - valve

1шт.

46

96989C1

GROMMET

- cable

1шт.

47

1340478C1

HOUSING

- support, cable, Replaces: 96791C1

1шт.

48

1280055C1

FLANGE

- housing

1шт.

49

96790C2

CLEVIS COUPLING

CLEVIS - cable

1шт.

50

96846C2

AXLE PIN,7.87mm OD x 19.78mm L

PIN - clevis

1шт.

51

732-2012

COTTER PIN,M2 x 12

1шт.

53

1340223C1

KNOB

- control, flow, tractors without in-cab flow control, Replaces: A160814

1шт.

54

84-21010

SET SCREW,Hex Soc, #10-32 x 5/8"

SCREW - set, hex socket, No. 10 NF x 5/8 inch

1шт.

55

827-6014

BOLT,Hex, M6 x 14mm, Cl 10.9, Full Thd

- hex, 6 - 1 x 14 mm, class 10.9

2шт.

56

895-11006

WASHER,6.6mm ID x 12mm OD x 1.6mm Thk

2шт.

A67920

ATTACHMENT

- flow control, machinery item, order from Machinery Price List, Includes: Ref. 60 - 64

1шт.

60

96711C3

CABLE

ASSEMBLY - control, flow, attachment, Includes: Ref. 61 and 62

1шт.

61

1955422C1

FITTING

- end cable, flow control attachment

1шт.

62

84-1104

SET SCREW,#10 - 32 x 1/4"

SCREW - set, hex socket, No. 10 NF x 1/4 inch, flow control attachment

1шт.

63

96816C3

KNOB

- control, flow, attachment

1шт.

64

96990C2

GROMMET

- cable, flow control attachment

1шт.

Выбрано товаров: 55