Запчасти Case IH 7120 (2-62) - CYLINDER BLOCK, 6T-830 ENGINE, BLOCK WITH 12 PISTON COOLING NOZZLES, ENGINE S/N 44706126 - 44823527 (02) - ENGINE

Схема запчастей Case IH 7120 - (2-62) - CYLINDER BLOCK, 6T-830 ENGINE, BLOCK WITH 12 PISTON COOLING NOZZLES, ENGINE S/N 44706126 - 44823527 (02) - ENGINE
19
22
8
18
2
24
3
17
13
15
11
16
12
7
14
4
1
23
7
9
28
14
8
25
14
10
7
12
20
26
21
5
7
6
FIT
1:1
100%

Артикул

Название

Примечание

Количество

1989005C2

ENGINE ASSEMBLY

6T-830, complete, 7110 Tractor, includes all parts except starter, alternator, fan, fan belt, air cleaner, muffler and exhaust pipe, for service order 1989098C2 basic engine below

1шт.

87448699

REMAN-SHORT ENGINE

Remanufactured

1шт.

6830SHBC

CORE-SHORT ENGINE

Return Number, Short Block

1шт.

1989006C2

ENGINE ASSEMBLY

6T-830, complete, 7120 Tractor, includes all parts except starter, alternator, fan, fan belt, air cleaner, mufler and exhaust pipe, for service order 1989098C2 basic engine below

1шт.

AR174398

REMAN-BASIC ENGINE

Remanufactured Basic Engine Assembly, assembly includes short block assembly, cylinder head, valve cover, front cover, oil pan, water pump, thermostat and gasket kit to transfer trim parts

1шт.

AC174398

CORE-BASIC ENGINE

Return Number. KNOWN POTENTIAL CORE VARIATIONS, REFER TO CORE CRITERIA FOR PROPER CORE IDENTIFICATION

1шт.

1989098C2

BASIC ENGINE

ENGINE ASSEMBLY basic, new

1шт.

Includes all parts except: starter, alternator, fan, fan belt, fan bracket, air cleaner, muffler, exhaust manifold and pipe, flywheel and housing, oil fill tube dipstick, fuel injection pump, injectors and lines, front crank pulley, belt tensioner and turbocharger, uses piston kits shown on Figure 2-70

1шт.

J921843

SKELETON ENGINE

BLOCK ASSEMBLY short, engine, new, includes stripped block, pistons, connecting rods and bearings, crankshaft and bearings, uses piston kits shown on Figure 2-70, Includes: Ref. 1 - 9

1шт.

JR921843

ENGINE, EXCHANGE

Block Assembly Short, Remanufactured, Component Parts Shown On This Figure Do Not Apply To The Remanufactured Assembly

1шт.

JC921843

CORE-SHORT ENGINE

Return Part Number, Use This Part Number To Return Short Block Core For Credit

1шт.

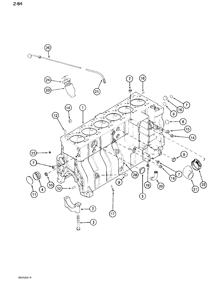
1

J919934

CYLINDER BLOCK

BLOCK ASSEMBLY stripped, engine, Includes: Ref. 2 - 9

1шт.

Order Refs. 10 - 20 on Figure 2-64, when ordering J919934 stripped block.

1шт.

1

JR919934

BLOCK

Assembly Stripped, Remanufactured, Component Parts Shown On This Figure Do Not Apply To The Remanufactured Assembly, No Longer Available

1шт.

1

JC919374

CORE-ENGINE

Return Part Number, Use This Part Number To Return Strippedt Block For Credit When Using a Remanufactured Assembly, No Longer Used

1шт.

2

J917313

BEARING CAP

CAP bearing, main

7шт.

3

J916369

FLANGE BOLT,Hex, M14 x 2 x 128mm, Cl 10.9

SCREW, , Main bearing cap to block Hex Flg Hd, M14 x 128

14шт.

4

J901685

BUSHING

camshaft, See Figure 2-52, ref. 6

7шт.

5

A77782

PLUG

expansion, 58 mm O.D., Replaces: J900965

1шт.

6

A77586

PLUG

expansion, 28.9 mm O.D.

1шт.

7

A77506

PLUG

- expansion, 21 mm O.D.

4шт.

8

J905401

PLUG

expansion, 35 mm O.D.

4шт.

9

A77439

PLUG

expansion, 22 mm O.D.

1шт.

A77716

BLOCK

KIT block hardware, no longer available, order components separately, Includes: Ref. 10 - 20

1шт.

10

A77530

PLUG

expansion, 30 mm O.D.

2шт.

11

J901969

PLUG

expansion, 69 mm O.D.

1шт.

12

J901846

PIN,12.01mm OD x 24mm L

dowel

4шт.

13

J906619

PLUG,1/8" - 27

hex, 1/8 inch PT

6шт.

14

A77429

PLUG

hex socket, 1/2 inch PT

4шт.

15

A77505

PLUG

hex socket, 3/4 inch PT

2шт.

16

A77533

PLUG

hex socket, 1 inch PT

1шт.

17

J919003

NOZZLE INJECTION

NOZZLE cooling, piston

12шт.

18

J900257

PIN,10.01mm OD x 16mm L

dowel, 16 mm

2шт.

19

217-103

COCK, DRAIN

VALVE drain, coolant

1шт.

20

J903744

PIPE FITTING,22.42 mm ID x 28 mm OD x 90.2, 64 mm L

TUBE turbo drain

1шт.

21

J920762

ELBOW

HOSE elbow, water, Replaces: J909389

1шт.

22

J918521

HOSE CLAMP,59mm - 83mm

CLAMP adjustable, hose, coolant, 1-13/16 - 2-3/4

1шт.

23

J905408

TUBE,35.13 mm ID x 52.39 mm OD x 100 mm L

filler, oil

1шт.

24

A77424

FILLER CAP

CAP filler

1шт.

25

J905778

TUBE,9.52 mm OD x 184.8, 107.7 mm L

oil dipstick

1шт.

26

J908094

DIPSTICK

oil

1шт.

27

A77595

KIT

engine block heater, not shown, See Figure 2-54 for component parts

1шт.

28

J900955

PLUG

10 mm, left-hand or right-hand dipstick hole, if used

1шт.

Выбрано товаров: 43