Запчасти Case IH 7120 (3-14) - FOOT THROTTLE CONTROL (03) - FUEL SYSTEM

Схема запчастей Case IH 7120 - (3-14) - FOOT THROTTLE CONTROL (03) - FUEL SYSTEM
26
39
28
22
41
43
24
28
38
18
29
6
45
29
9
8
30
42
21
30
27
2
46
42
18
20
4
37
1
3
11
27
12
7
19
40
10
44
23
5
34
FIT
1:1
100%

Артикул

Название

Примечание

Количество

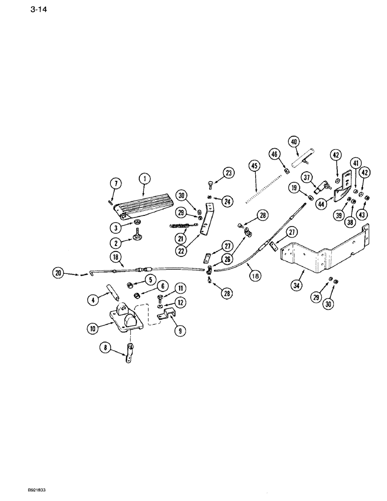
A67887

THROTTLE

ATTACHMENT - foot, machinery item, Includes: Ref. 1 - 44

1шт.

1

1975959C4

PEDAL ASSY.

PEDAL ASSEMBLY - throttle, with pad, Replaces: 1975959C3

1шт.

2

434-516

CARRIAGE BOLT,Sht Sq Nk, 5/16" - 18 x 1", Gr 5

BOLT - round head square neck, 5/16 NC x 1 inch

1шт.

3

425-145

JAM NUT,Jam, 5/16"-18, G5

1шт.

4

97043C4

SHAFT

- throttle pedal, Replaces: 97043C3

1шт.

5

1975973C1

BUSHING

- shaft, left

1шт.

6

1975974C1

BUSHING

- shaft, right

1шт.

7

138-2038

PIN,1/8" x 1", Coiled

1шт.

8

1975961C2

LEVER ASSY.

LEVER - throttle pedal, Replaces: 1975961C1

1шт.

9

1977463C1

STOP

- throttle pedal

1шт.

10

97046C4

SUPPORT

- throttle pedal, Replaces: 97046C3

1шт.

11

614-8020

BOLT,Hex, M8 x 1.25 x 20mm

- hex, 8 x 20 mm

3шт.

12

892-11008

LOCK WASHER,8mm ID

WASHER, LOCK, M8

3шт.

18

97173C3

CABLE

ASSEMBLY - foot throttle, Includes: Ref. 19

1шт.

19

225-14210

NUT,#10-32

1шт.

20

432-48

COTTER PIN,1/16" x 1/2"

PIN, SPLIT (COTTER), 1/16" x 1/2"

1шт.

21

1975966C1

SPRING

- extension, pedal return

1шт.

22

1344278C1

SUPPORT ASSY.

BRACKET - cable, foot throttle, Replaces: 1971263C2

1шт.

23

628-6016

BOLT,Hex, M6 x 16mm, Cl 10.9, Full Thd

- hex, 6 x 16 mm, class 10.9

2шт.

24

892-11006

LOCK WASHER,M6

WASHER, LOCK, M6

2шт.

26

A75815

CLAMP

- cable

3шт.

27

L40315

SHIM,5.55mm ID x 12.7mm OD x 2.28mm Thk

- clamp

3шт.

28

461-31012

HEX SOC SCREW,#10 - 24 x 3/4"

SCREW - hex socket, No. 10-24 x 3/4 inch

4шт.

29

492-11010

LOCK WASHER,#10

WASHER, LOCK, #10

4шт.

30

225-14110

NUT,#10-24

4шт.

34

1289499C2

SUPPORT

BRACKET - throttle cable, Replaces: 97035C1

1шт.

37

19725R1

BALL JOINT

JOINT ASSEMBLY - ball

1шт.

38

225-14210

NUT,#10-32

1шт.

39

492-11010

LOCK WASHER,#10

WASHER, LOCK, #10

1шт.

40

120319C2

BALL JOINT

JOINT ASSEMBLY - ball, foot throttle requires use of this ball joint for hand throttle, See Figure 3-12

1шт.

41

1971259C1

SPACER

- 3/8 ID x 7/32 inch

1шт.

42

495-81107

WASHER,.281" x 7/8" x .060"

- flat, 9/32 x 7/8 x 3/64 inch

2шт.

43

131-1168

LOCK NUT,1/4"-28, GA

NUT, LOCK, 1/4"-28, GA

1шт.

44

97038C3

LEVER

- throttle, Replaces: 97038C2

1шт.

45

REF

INSTRUCTION

CABLE ASSEMBLY - hand throttle, See Figure 3-12

1шт.

46

225-14210

NUT,#10-32

1шт.

Выбрано товаров: 36