Запчасти Case IH 7140 (5-030) - STEERING PRIORITY VALVE ASSEMBLY, G108966 (05) - STEERING

Схема запчастей Case IH 7140 - (5-030) - STEERING PRIORITY VALVE ASSEMBLY, G108966 (05) - STEERING
12
25
6
18
14
15
23
22
27
4
13
26
19
22
22
7
16
5
3
9
24
8
17
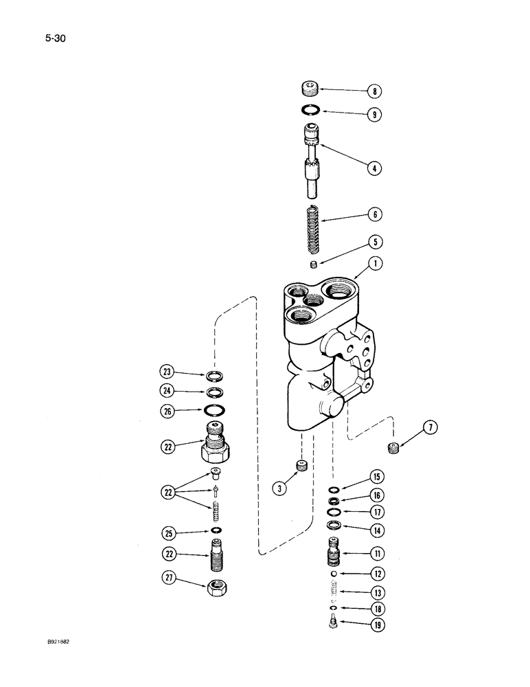
1
11
FIT
1:1
100%

Артикул

Название

Примечание

Количество

G108966

LOCK VALVE

VALVE ASSEMBLY - priority, steering, no longer available, order 1994591C3 valve on Figure 5-031A, Includes: Ref. 1-27

1шт.

1

NSS

NOT SOLD SEPARAT

BODY - valve

1шт.

3

G110017

PLUG

- orifice

1шт.

4

NSS

NOT SOLD SEPARAT

SPOOL - valve

1шт.

5

G108700

PLUG

- orifice, spool

1шт.

6

G110111

VALVE SPRING

SPRING - priority

1шт.

7

G110240

PLUG

- orifice

1шт.

8

86625138

PLUG,7/18" - 14

Assy, Spool, 5/8 inch PT, Includes Ref. 9 Hex Soc, 7/8"-14 ORB

1шт.

9

237-6010

O-RING,0.097" Thk x 0.755" ID, -910, Cl 6, 90 Duro

- 3/4 x 7/64 inch

1шт.

11

G108633

CHECK VALVE

VALVE ASSEMBLY - check, Includes: Refs. 12-19

1шт.

12

211-256

BALL

- steel, 7/32 inch diameter

1шт.

13

G108938

VALVE SPRING

SPRING - load

1шт.

14

G108723

RING,14.34mm ID x 16.94mm OD x 1.32mm Thk

- backup

1шт.

15

G108724

BACK-UP RING

RING - backup

1шт.

16

238-6012

O-RING,0.07" Thk x 0.364" ID, -12, Cl 6, 90 Duro

1шт.

17

238-6015

O-RING,0.07" Thk x 0.551" ID, -15, Cl 6, 90 Duro

1шт.

18

237-6002

O-RING,0.064" Thk x 0.239" ID, -902, Cl 6, 90 Duro

2-1, .239" ID x .064" Thk

1шт.

19

86632547

PLUG,Hex, 5/16"-24 ORB

Seat Hex Soc, 5/16"-24 ORB

1шт.

22

G108868

VALVE PRESSURE RELIE

RELIEF ASSEMBLY - pilot, Includes: Refs. 23-27

1шт.

23

238-6018

O-RING,0.07" Thk x 0.739" ID, -18, Cl 6, 90 Duro

Pilot relief -018, 90 Duro, .739" ID x .070" Thk

1шт.

24

G35540

BACK-UP RING,19.43mm ID x 22.23mm OD x 1.32mm Thk

- backup

1шт.

25

238-6012

O-RING,0.07" Thk x 0.364" ID, -12, Cl 6, 90 Duro

1шт.

26

237-6012

O-RING,0.116" Thk x 0.924" ID, -912, Cl 6, 90 Duro

12-1, 90 Duro, .924 ID x .116" Thk

1шт.

27

425-1510

JAM NUT,Jam, 5/8"-18, G5

- hex jam, 5/8 inch NF

1шт.

Выбрано товаров: 24