Запчасти Case IH 7140 (6-076) - TRANSMISSION CONTROL VALVE ASSEMBLY, VALVE BOLTS AND PATTERN, TWO SPEED REVERSE VALVES (06) - POWER TRAIN

Схема запчастей Case IH 7140 - (6-076) - TRANSMISSION CONTROL VALVE ASSEMBLY, VALVE BOLTS AND PATTERN, TWO SPEED REVERSE VALVES (06) - POWER TRAIN
10
1
1
7
11
6
2
12
8
13
2
7
6
5
10
11
9
11
1
14
FIT
1:1
100%

Артикул

Название

Примечание

Количество

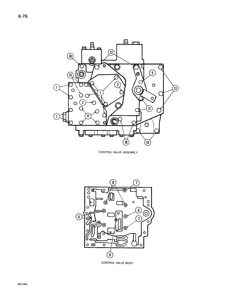
1286200C2

LOCK VALVE

VALVE ASSEMBLY - control, 2-speed reverse, without creeper, Includes: Ref. 1 thru 7 P/N 864-8055 in this figure and parts in Figures 6-060 thru 6-074

1шт.

1289333C3

LOCK VALVE

VALVE ASSEMBLY - control, 2-speed reverse, with creeper, Includes: Ref. 1 thru 7 P/N 864-8055 in this figure and parts in Figures 6-060 thru 6-074

1шт.

1

613-8025

BOLT,Hex, M8 x 1.25 x 25mm, Cl 8.8, Full Thd

- hex, 8 x 25 mm

10шт.

2

613-8025

BOLT,Hex, M8 x 1.25 x 25mm, Cl 8.8, Full Thd

- hex, 8 x 25 mm, If equipped

2шт.

5

31255R1

BOLT,Hex, M8 x 1.25 x 120mm, Cl 10.9

- hex, 8 x 120 mm, class 10.9

1шт.

6

864-8055

HEX SOC SCREW,M8 x 55mm, Cl 8.8

BOLT - hex socket, 8 x 55 mm

3шт.

7

864-8055

HEX SOC SCREW,M8 x 55mm, Cl 8.8

BOLT - hex socket, 8 x 55 mm

2шт.

Use 70 mm bolts for repairs prior to Transmission S/N AJB0002481 if any of the following apply: (A) Replacement of mounting plate assembly and rework of body plate. (B) Replacement of body plate assembly and rework of mounting plate. (C) Replacement of control valve assembly and rework of mounting plate.

1шт.

7

30830R1

HEX SOC SCREW,M8 x 70mm, Cl 12.9

BOLT - hex socket, 8 x 70 mm, Grade 12.9

2шт.

Use 70 mm bolts for repairs prior to Transmission S/N AJB0002481 if any of the following apply: (A) Replacement of mounting plate assembly and rework of body plate. (B) Replacement of body plate assembly and rework of mounting plate. (C) Replacement of control valve assembly and rework of mounting plate.

1шт.

Part of Mounting Plate Kit, P/N 1975531C1

1шт.

Part of Body Plate Kit, P/N 1975530C1

1шт.

Part of Control Valve Kit, P/N 1981078C1

1шт.

8

30830R1

HEX SOC SCREW,M8 x 70mm, Cl 12.9

BOLT - hex socket, 8 x 70 mm, Grade 12.9

2шт.

9

864-6070

HEX SOC SCREW,M6 x 70mm, Cl 8.8

1шт.

10

31255R1

BOLT,Hex, M8 x 1.25 x 120mm, Cl 10.9

- hex, 8 x 120 mm, class 10.9

3шт.

11

31256R1

BOLT,Hex, M8 x 1.25 x 140mm, Cl 10.9

- hex, 8 x 140 mm, class 10.9

8шт.

12

813-10175

BOLT,Hex, M10 x 1.5 x 175mm, Cl 8.8

- hex, 10 x 175 mm

2шт.

13

931352R1

BOLT,Hex, M10 x 1.5 x 65mm, Cl 8.8

- hex, 10 x 65 mm

3шт.

14

814-10055

BOLT,Hex, M10 x 1.5 x 55mm, Cl 8.8

4шт.

1975531C1

PACKAGE

PLATE KIT - mounting, Includes: Ref. 7

1шт.

Use 70 mm bolts for repairs prior to Transmission S/N AJB0002481 if any of the following apply: (A) Replacement of mounting plate assembly and rework of body plate. (B) Replacement of body plate assembly and rework of mounting plate. (C) Replacement of control valve assembly and rework of mounting plate.

1шт.

1975530C1

PACKAGE

PLATE KIT - body, Includes: Ref. 7

1шт.

Use 70 mm bolts for repairs prior to Transmission S/N AJB0002481 if any of the following apply: (A) Replacement of mounting plate assembly and rework of body plate. (B) Replacement of body plate assembly and rework of mounting plate. (C) Replacement of control valve assembly and rework of mounting plate.

1шт.

1981078C1

SET OF PARTS

VALVE KIT - control, Includes: Ref. 7

1шт.

Use 70 mm bolts for repairs prior to Transmission S/N AJB0002481 if any of the following apply: (A) Replacement of mounting plate assembly and rework of body plate. (B) Replacement of body plate assembly and rework of mounting plate. (C) Replacement of control valve assembly and rework of mounting plate.

1шт.

Выбрано товаров: 26