Запчасти Case IH 7140 (7-006) - BRAKE PEDAL SYSTEM, P.I.N. JJA0028200 AND AFTER (07) - BRAKES

Схема запчастей Case IH 7140 - (7-006) - BRAKE PEDAL SYSTEM, P.I.N. JJA0028200 AND AFTER (07) - BRAKES
48
65
40
69
61
70
55
68
11
23
43
35
23
38
56
12
52
41
8
34
33
32
30
52
52
62
54
14
36
37
67
13
24
11
1
20
50
5
59
25
52
66
63
24
53
56
21
39
50
42
50
31
22
60
37
38
19
3
4
10
29
57
36
15
16
44
10
64
FIT
1:1
100%

Артикул

Название

Примечание

Количество

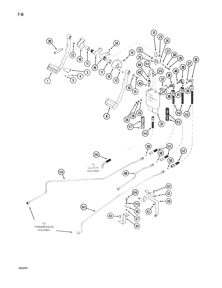
1

1340257C1

PEDAL

- brake, left

1шт.

3

120451C1

PLATE

- lock, pedal

1шт.

4

51293D0

SPRING, LEAF

SPRING - tension, pedal

1шт.

5

20895R1

PIN,1/4" x 1", Coiled

1шт.

8

1340258C1

PEDAL

- brake, right

1шт.

10

120175C1

HOUSING

ASSEMBLY - pedal, brake, Includes: Ref. 11

2шт.

11

120171C1

BUSHING

- pivot, housing

1шт.

12

413-538

BOLT,Hex, 5/16" - 18 x 2-3/8", Gr 5

- hex, 5/16 NC x 2-3/8 inch

3шт.

13

231-5145

SERRATED NUT,Flg, USR, 5/16"-18

NUT - hex, 5/16 inch NC, Replaces: P/N 129-509

3шт.

14

413-612

BOLT,Hex, 3/8" - 16 x 3/4", Gr 5

4шт.

15

413-512

BOLT,Hex, 5/16" - 18 x 3/4", Gr 5

- hex, 5/16 NC x 3/4 inch

2шт.

16

495-81120

WASHER,.344" x 1 1/4" x .120"

- flat, 11/32 x 1-1/4 x 7/64 inch

2шт.

19

103956C4

LEVER

- pedal and valve

2шт.

20

104783C1

SPRING

- return, pedal

2шт.

21

384082R1

LINK

- operating, brake

2шт.

22

141-63

CLEVIS PIN,1/2" x 1 11/16'"

PIN - clevis, 1/2 x 1-11/16 inch

2шт.

23

495-11053

WASHER,1/2", SAE

(17/32" x 1-1/16" x 3/32") 1/2", SAE

4шт.

24

432-816

COTTER PIN,1/8" x 1"

1/8" x 1"

4шт.

25

384083R2

YOKE

YOKE - brake

2шт.

29

413-518

BOLT,Hex, 5/16" - 18 x 1-1/8", Gr 5

- hex, 5/16 NC x 1-1/8 inch

2шт.

30

492-11031

LOCK WASHER,5/16"

WASHER, LOCK, 5/16"

2шт.

31

REF

INSTRUCTION

VALVE ASSEMBLY - brake, See Figure: 7-012

1шт.

32

413-656

BOLT,Hex, 3/8" - 16 x 3-1/2", Gr 5

- hex, 3/8 NC x 3-1/2 inch

2шт.

33

495-11041

WASHER,0.406" ID x 0.812" OD x 0.065" W

(Flat, 13/32 x 13/16 x 1/16") 3/8", SAE

2шт.

34

492-11038

LOCK WASHER,3/8"

2шт.

35

129-529

NUT,3/8"-16, G5, Hvy

2шт.

36

201-304

ELBOW,90 Degree Elbow, 11/16" - 16 Male ORFS x 9/16" - 18 Male ORB

- 90°, adjustable, 11/16 x 9/16 inch thread, Includes: Ref. 37-38

2шт.

38

238-6012

O-RING,0.07" Thk x 0.364" ID, -12, Cl 6, 90 Duro

Face end -012, 90 Duro, .364" ID x .070" Thk

1шт.

39

92967C1

VALVE POPPET

VALVE ASSEMBLY - check, brake, Includes: Ref. 40-41

1шт.

41

238-6012

O-RING,0.07" Thk x 0.364" ID, -12, Cl 6, 90 Duro

Face end -012, 90 Duro, .364" ID x .070" Thk

1шт.

42

201-101

HYD CONNECTOR,11/16" - 16 Male ORFS x 9/16" - 18 Male ORB

Adapter - straight, Incl Ref. 43-44 11/16"-16 ORFS x 9/16"-18 ORB

1шт.

44

238-6012

O-RING,0.07" Thk x 0.364" ID, -12, Cl 6, 90 Duro

Face end -012, 90 Duro, .364" ID x .070" Thk

1шт.

48

1340543C1

HYD TUBE

TUBE - supply, valve

1шт.

50

238-6012

O-RING,0.07" Thk x 0.364" ID, -12, Cl 6, 90 Duro

(Replaces P/N 238-6014) -012, 90 Duro, .364" ID x .070" Thk

3шт.

52

1334376C2

HOSE ASSY.,9.5mm ID x 584mm L, SAE 100R1

HOSE - supply, brake

3шт.

53

1334579C3

PIPE

SHIELD - hose, Order 1968083C3 and, Serial Range: cut-length

3шт.

54

1289242C1

HYD TUBE,0.375" OD, 57.15, 70 mm Length

TUBE - return, brake, Includes: Ref. 55

1шт.

55

238-6012

O-RING,0.07" Thk x 0.364" ID, -12, Cl 6, 90 Duro

Face seal -012, 90 Duro, .364" ID x .070" Thk

1шт.

56

1334377C2

HOSE ASSY.,9.5mm ID x 914mm L

HOSE - return

1шт.

57

1968083C3

TUBE,27 mm ID, 34 mm OD

SHIELD - hose

1шт.

59

1340545C1

HYD TUBE

TUBE - brake, left

1шт.

60

1340544C1

HYD TUBE

TUBE - brake, right

1шт.

61

1334459C1

CLAMP

- support, tube mouting

1шт.

62

614-8016

BOLT,Hex, M8 x 1.25 x 16mm, Cl 8.8, Full Thd

- hex, 8 x 16 mm

2шт.

63

825-1408

NUT,M8, Cl 8

2шт.

64

1968088C1

BRACKET

- mounting, cable

1шт.

65

614-10020

BOLT,Hex, M10 x 1.5 x 20mm, Cl 8.8, Full Thd

1шт.

66

535307R1

CLAMP

- tube

2шт.

67

3072723R1

SPACER

- clamp

2шт.

68

614-6025

BOLT,Hex, M6 x 1 x 25mm, Cl 8.8, Full Thd

2шт.

69

1334460C1

BRACKET

- support, tube

1шт.

70

895-10006

WASHER,6.6mm ID x 12mm OD x 1.6mm Thk

- flat, 7 x 13 x 2 mm

2шт.

37

237-6006

O-RING,0.078" Thk x 0.468" ID, -906, Cl 6, 90 Duro

6-1, 90 Duro, .468" ID x .078" Thk, Boss end

1шт.

40

237-6006

O-RING,0.078" Thk x 0.468" ID, -906, Cl 6, 90 Duro

6-1, 90 Duro, .468" ID x .078" Thk, Boss end

1шт.

43

237-6006

O-RING,0.078" Thk x 0.468" ID, -906, Cl 6, 90 Duro

6-1, 90 Duro, .468" ID x .078" Thk, Boss end

1шт.

Выбрано товаров: 55