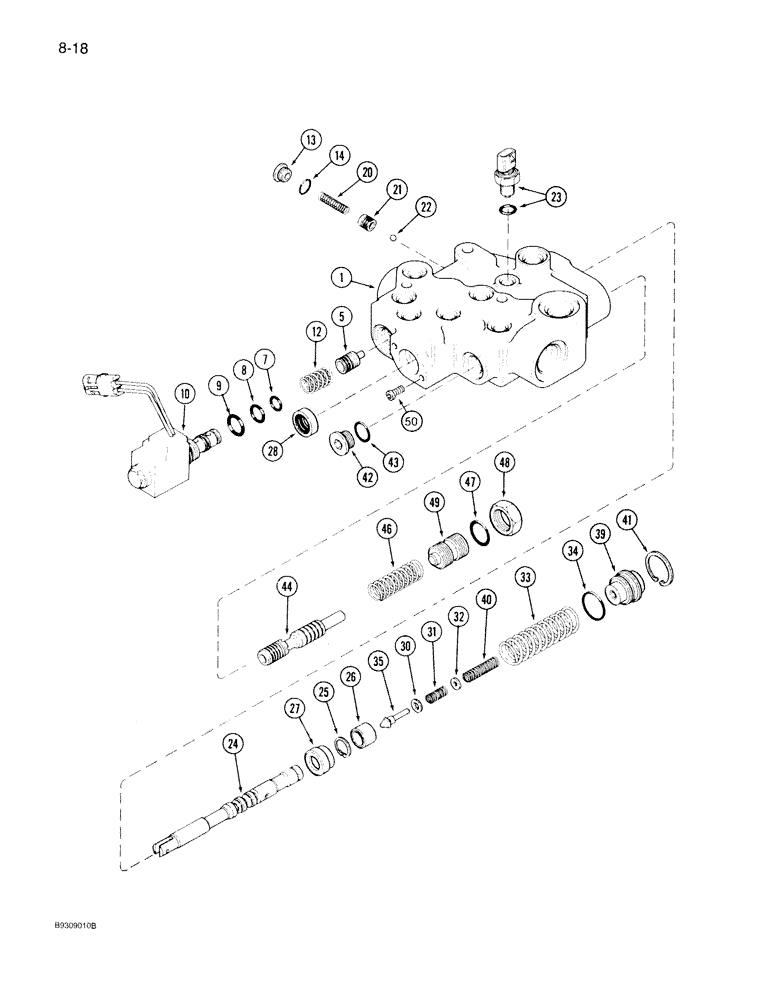
Запчасти Case IH 7140 (8-018) - PTO VALVE ASSEMBLY, TRANSMISSION S/N AJB0044915 AND AFTER (08) - HYDRAULICS

Схема запчастей Case IH 7140 - (8-018) - PTO VALVE ASSEMBLY, TRANSMISSION S/N AJB0044915 AND AFTER (08) - HYDRAULICS
9
31
12
50
20
39
30
32
48
33
22
40
26
7
27
24
41
5
23
21
10
25
46
1
44
14
34
35
8
42
28
47
43
49
13
FIT
1:1
100%

Артикул

Название

Примечание

Количество

1986567C2

VALVE

ASSEMBLY - PTO, Includes: Ref. 1-50

1шт.

1

NSS

NOT SOLD SEPARAT

BODY - valve, PTO

1шт.

5

1341958C2

SPOOL

POPPET - valve check

1шт.

1986618C1

SOLENOID

SOLENOID ASSEMBLY - differential lock, Includes: Ref. 7-10

1шт.

7

237-6010

O-RING,0.097" Thk x 0.755" ID, -910, Cl 6, 90 Duro

10-1, 90 Duro, .755" ID x .097" Thk

1шт.

8

238-5015

O-RING,0.07" Thk x 0.551" ID, -15, Cl 5, 75 Duro

-015, 70 Duro, .551" ID x .070" Thk

1шт.

9

238-5014

O-RING,0.07" Thk x 0.489" ID, -14, Cl 5, 75 Duro

-014, 70 Duro, .489" ID x .070" Thk

1шт.

10

NSS

NOT SOLD SEPARAT

SOLENOID - differential lock

1шт.

12

1341960C1

SPRING

- check valve

1шт.

13

9625178

PLUG,9/16" - 18 ORB

Incl. Ref. 14 Hex Soc, 9/16"-18 ORB

1шт.

20

1341952C1

SPRING

- detent

1шт.

21

1341948C3

GUIDE

- detent, Replaces: 1341948C1 and 1341948C2, without balance groove

1шт.

22

211-206

BALL,1/4" Dia

- chrome, 1/4 inch diameter

1шт.

23

1964698C3

SWITCH

ASSEMBLY - neutral start

1шт.

1343754C1

SPOOL

ASSEMBLY - PTO valve, Includes: Ref. 24-27

1шт.

24

NSS

NOT SOLD SEPARAT

SPOOL - PTO

1шт.

25

A60273

SNAP RING,#62, Ext

Ring, Snap, , spool #62, Ext

1шт.

26

G108812

SHOULDER

STOP - spool, shoulder

1шт.

27

G108813

STOP

- spool

1шт.

28

G105700

OIL SEAL

- oil

1шт.

30

G108811

WASHER,8mm ID x 14.27mm OD x 1.65mm Thk

- poppet

1шт.

31

G108818

SPRING

- secondary, modulator

1шт.

32

G108810

WASHER

- poppet

1шт.

33

G110014

VALVE SPRING

SPRING - centering

1шт.

34

238-5024

O-RING,0.07" Thk x 1.114" ID, -24, Cl 5, 75 Duro

-024, 70 Duro, 1.114" ID x .070" Thk, Poppet (Replaces G108884)

1шт.

35

G108809

VALVE POPPET

POPPET - valve

1шт.

39

G108808

CAP

- end

1шт.

40

G108816

SPRING

- primary, modulator

1шт.

41

A32181

SNAP RING,1.375", Int, #137

Ring, Snap, 1.375", Int, #137

1шт.

42

71100209

PLUG,Hex Soc, 3/4"-16 ORB

Assy, Incl Ref 43 Hex Soc, 3/4"-16 ORB

1шт.

43

237-6008

O-RING,0.087" Thk x 0.644" ID, -908, Cl 6, 90 Duro

8-1, 90 Duro, .644" ID x .087" Thk

1шт.

44

1986880C1

SPOOL

- regulator, Replaces: 1340765C2

1шт.

46

1341961C2

SPRING

- regulator

1шт.

47

237-6012

O-RING,0.116" Thk x 0.924" ID, -912, Cl 6, 90 Duro

12-1, 90 Duro, .924 ID x .116" Thk

1шт.

48

218-1280

BHD LOCK NUT,Blkhd, 1 1/16"-12

NUT - hex jam, 1-1/16 inch NC

1шт.

49

1341962C1

PLUG

- adjusting

1шт.

50

879-10625

SET SCREW,Hex Skt, M6 x 20mm, Cup Pt

SCREW - set, hex socket, 6 x 25 mm

2шт.

14

237-6006

O-RING,0.078" Thk x 0.468" ID, -906, Cl 6, 90 Duro

6-1, 90 Duro, .468" ID x .078" Thk

1шт.

Выбрано товаров: 38