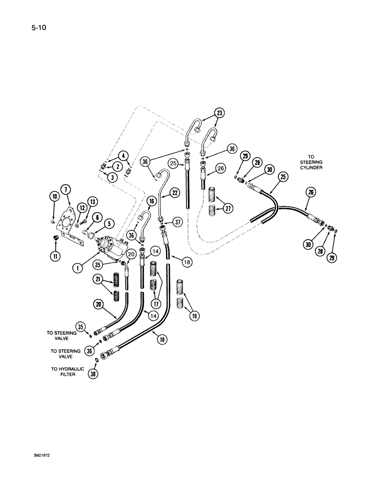
Запчасти Case IH 7150 (5-010) - HYDROSTATIC STEERING SYSTEM, STEERING PUMP TO STEERING CYLINDER, TRW PUMP, TWO WHEEL DRIVE (05) - STEERING

Схема запчастей Case IH 7150 - (5-010) - HYDROSTATIC STEERING SYSTEM, STEERING PUMP TO STEERING CYLINDER, TRW PUMP, TWO WHEEL DRIVE (05) - STEERING
28
35
10
37
3
29
13
35
18
14
17
29
20
36
27
21
6
25
22
11
16
7
36
30
19
20
28
1
30
2
36
12
26
23
5
36
14
4
25
26
38
18
FIT
1:1
100%

Артикул

Название

Примечание

Количество

1

REF

INSTRUCTION

PUMP ASSEMBLY, steering, hydrostatic, See Figure 5-022

1шт.

2

201-102

HYD CONNECTOR,13/16" - 16 Male ORFS x 3/4" - 16 Male ORB

CONNECTOR, HYD., , Includes Refs. 3-4 13/16"-16 ORFS x 3/4"-16 ORB

2шт.

3

237-6008

O-RING,0.087" Thk x 0.644" ID, -908, Cl 6, 90 Duro

8-1, 90 Duro, .644" ID x .087" Thk, Boss end

1шт.

4

238-6014

O-RING,0.07" Thk x 0.489" ID, -14, Cl 6, 90 Duro

Face end -014, 90 Duro, .489" ID x .070" Thk

1шт.

5

148481C1

SEAL,40mm ID x 58mm OD x 8mm Thk

dust, shaft

1шт.

6

104008C1

RUBBER INSULATOR

INSULATOR vibration, shaft

1шт.

7

1344478C1

SUPPORT

BRACKET mounting, pump

1шт.

10

113-118

BOLT,Hex, 5/16" - 18 x 5/8", Gr 5

4шт.

11

104809C1

ISOLATOR,27.94mm OD x 18.29mm L

isomount, pump

3шт.

12

196-5

WASHER,13/32" x 1 1/16" x .095", HDN

flat, 13/32 x 1-1/16 x 3/32 inch

3шт.

13

814-10035

BOLT,Hex, M10 x 1.5 x 35mm, Cl 8.8, Full Thd

3шт.

14

1334378C1

HOSE ASSY.,12.7mm ID x 533mm L

HOSE steering supply

1шт.

16

1334397C1

HYD TUBE

TUBE steering supply, upper

1шт.

17

1334592C3

TUBE

TUBING corrugated, 41 ID x 585 mm

1шт.

18

1289468C1

HOSE ASSY.,15.88mm ID x 457.2mm L, SAE 100R3

HOSE return, steering, Prior to P.I.N JJA0027701

1шт.

18

1342123C1

HOSE ASSY.

HOSE return, steering, P.I.N. JJA0027701 and After

1шт.

19

NSS

NOT SOLD SEPARAT

TUBING corrugated, 41 ID x 475 mm, Order: P/N 1334592C3 and, Serial Range: cut-length

1шт.

20

1334384C2

HOSE ASSY.,9.53mm ID x 558.8mm L, SAE 100R2

HOSE steering signal

1шт.

21

NSS

NOT SOLD SEPARAT

TUBING corrugated, 27 ID x 585 mm, Order: P/N 1968083C3 and, Serial Range: cut-length

1шт.

22

1334202C1

HYD TUBE

TUBE steering return

1шт.

23

1334379C1

HYD TUBE

TUBE right and left turn

2шт.

25

1334208C1

HOSE ASSY.,9.53mm ID x 2692mm L

HOSE left turn

1шт.

26

1976794C1

HOSE ASSY.,9.53mm ID x 2108mm L

HOSE right turn

1шт.

27

1334593C3

TUBE,31.8 mm ID, 36.8 mm OD, 500 mm Length

TUBING corrugated, 32 ID x 500 mm

2шт.

28

201-101

HYD CONNECTOR,11/16" - 16 Male ORFS x 9/16" - 18 Male ORB

Adapter, Incl Ref 29-30 11/16"-16 ORFS x 9/16"-18 ORB

2шт.

30

238-6012

O-RING,0.07" Thk x 0.364" ID, -12, Cl 6, 90 Duro

Face end -012, 90 Duro, .364" ID x .070" Thk

1шт.

35

238-6012

O-RING,0.07" Thk x 0.364" ID, -12, Cl 6, 90 Duro

2шт.

36

238-6014

O-RING,0.07" Thk x 0.489" ID, -14, Cl 6, 90 Duro

6шт.

37

238-6016

O-RING,0.07" Thk x 0.614" ID, -16, Cl 6, 90 Duro

1шт.

38

238-6018

O-RING,0.07" Thk x 0.739" ID, -18, Cl 6, 90 Duro

1шт.

29

237-6006

O-RING,0.078" Thk x 0.468" ID, -906, Cl 6, 90 Duro

6-1, 90 Duro, .468" ID x .078" Thk, Boss end

1шт.

Выбрано товаров: 31