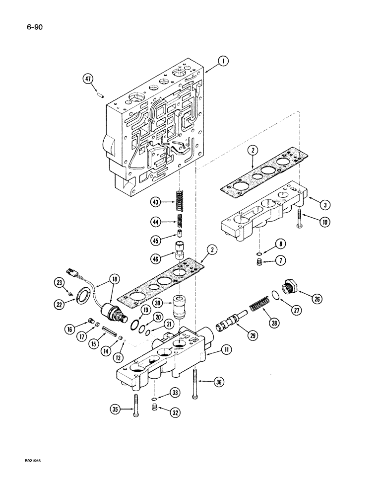
Запчасти Case IH 7150 (6-090) - TRANS. CONTROL VALVE ASSY., BODY SECTION, CREEPER VALVE BODY & LOWER PLATE, 4 SPEED REVERSE VALVES (06) - POWER TRAIN

Схема запчастей Case IH 7150 - (6-090) - TRANS. CONTROL VALVE ASSY., BODY SECTION, CREEPER VALVE BODY & LOWER PLATE, 4 SPEED REVERSE VALVES (06) - POWER TRAIN
8
30
2
18
35
11
32
10
22
20
14
19
44
2
26
13
36
29
47
3
45
23
16
46
27
28
15
33
21
7
1
43
17
FIT
1:1
100%

Артикул

Название

Примечание

Количество

1981145C2

VALVE

ASSEMBLY - control, Without creeper, Includes: Ref. 1 thru 47

1шт.

Prior to Transmission S/N AJB0055133

1шт.

1981146C2

VALVE

ASSEMBLY - control, With creeper, Includes: Ref. 1 thru 47

1шт.

Prior to Transmission S/N AJB0055133

1шт.

1994672C1

VALVE, CONTROL

VALVE ASSEMBLY - control, Without creeper, Includes: Ref. 1 thru 47

1шт.

Transmission S/N AJB0055133 thru AJB0059983

1шт.

1994673C1

VALVE, CONTROL

VALVE ASSEMBLY - control, With creeper, Includes: Ref. 1 thru 47

1шт.

Transmission S/N AJB0055133 thru AJB0059983

1шт.

103182A1

VALVE, CONTROL

VALVE ASSEMBLY - control, Without creeper, Includes: Ref. 1 thru 47

1шт.

Transmission S/N AJB0059984 and after

1шт.

103183A1

VALVE, CONTROL

VALVE ASSEMBLY - control, With creeper, Includes: Ref. 1 thru 47

1шт.

Transmission S/N AJB0059984 and after

1шт.

1

REF

INSTRUCTION

BODY ASSEMBLY - valve, See Figure 6-084

1шт.

2

1968260C2

GASKET

- lower plate and valve body

1шт.

3

1981070C1

PLATE ASSY.

PLATE - lower, Without creeper

1шт.

7

86529630

PLUG,Hex Soc, 3/8"-24 ORB

Assembly, Includes Ref. 8 Hex Soc, 3/8"-24 ORB

2шт.

8

218-5002

O-RING,0.064" Thk x 0.301" ID, -903, Cl 6, 90 Duro

3-1, .301" ID x .064" Thk

1шт.

10

814-8050

BOLT,Hex, M8 x 1.25 x 50mm, Cl 8.8

- hex, 8 mm - 1.25 x 55 mm, Replaces 814-8055

6шт.

1981301C2

VALVE

ASSEMBLY - creeper, Includes: creeper valve body assembly and Ref. 11 thru 33

1шт.

1968248C3

BODY

ASSEMBLY - creeper valve, Includes: Ref. 11 thru 17

1шт.

11

NSS

NOT SOLD SEPARAT

BODY - creeper valve

1шт.

13

211-205

BALL

- 7/32 inch diameter, Replaces: 17007R1

1шт.

14

NSS

NOT SOLD SEPARAT

SEAT - check valve

1шт.

15

138-137

LOCK PIN,1/4" x 1 3/8", Slotted

PIN, 1/4" x 1 3/8", Slotted

1шт.

16

86529630

PLUG,Hex Soc, 3/8"-24 ORB

Includes Ref. 17 Hex Soc, 3/8"-24 ORB

7шт.

17

218-5002

O-RING,0.064" Thk x 0.301" ID, -903, Cl 6, 90 Duro

3-1, .301" ID x .064" Thk

1шт.

18

1958159C2

SOLENOID VALVE

VALVE ASSEMBLY - solenoid, creeper, Includes: Ref. 19 - 21

1шт.

19

238-5121

O-RING,0.103" Thk x 1.049" ID, -121, Cl 5, 75 Duro

1шт.

20

238-5017

O-RING,0.07" Thk x 0.676" ID, -17, Cl 5, 75 Duro

-017, 70 Duro, .676" ID x .070" Thk

1шт.

21

238-5014

O-RING,0.07" Thk x 0.489" ID, -14, Cl 5, 75 Duro

-014, 70 Duro, .489" ID x .070" Thk

1шт.

22

1968281C1

RETAINER

- solenoid valve

1шт.

23

30841R1

SCREW,Cross Pan Hd, M4 x 8

- pan head cross recessed, 4 x 8 mm

2шт.

26

1963881C1

PLUG

- hex, 1-1/16-12 inch O-ring boss

1шт.

27

237-6012

O-RING,0.116" Thk x 0.924" ID, -912, Cl 6, 90 Duro

12-1, 90 Duro, .924 ID x .116" Thk

1шт.

28

1968250C2

COMPRESSION SPRING

SPRING - compression, Replaces: 1968250C1

1шт.

29

1981127C3

SPOOL

- creeper valve

1шт.

30

1981071C1

PLUG

- valve body

1шт.

32

86529630

PLUG,Hex Soc, 3/8"-24 ORB

Assembly, Includes Ref. 33 Hex Soc, 3/8"-24 ORB

2шт.

33

218-5002

O-RING,0.064" Thk x 0.301" ID, -903, Cl 6, 90 Duro

3-1, .301" ID x .064" Thk

1шт.

35

814-8050

BOLT,Hex, M8 x 1.25 x 50mm, Cl 8.8

- hex, 8 x 55 mm, Replaces 814-8055

3шт.

36

813-8080

BOLT,Hex, M8 x 1.25 x 80mm, Cl 8.8

- hex, 8 x 80 mm, Replaces: 931535R1

3шт.

43

1963814C1

SPRING

- compression, Creeper only

1шт.

44

1963815C1

SPRING

- compression, Creeper only

1шт.

45

1981089C1

STOP

- spool, Creeper only

1шт.

46

1981068C1

SPOOL

- blocker. Creeper only

1шт.

47

837-6016

DOWEL,M6 x 16

PIN - dowel, 6 x 16 mm, Without creeper

1шт.

Выбрано товаров: 46