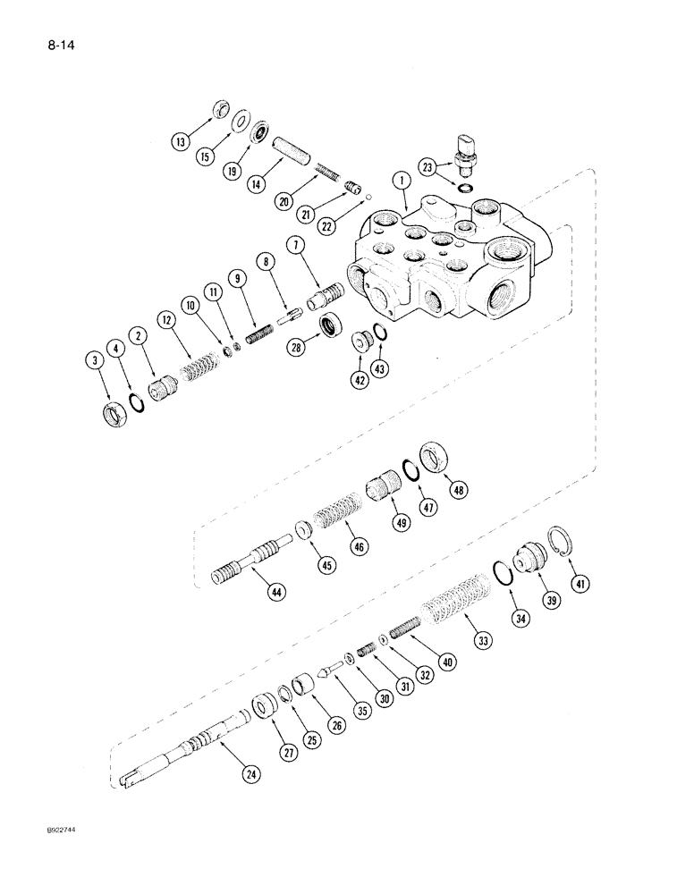
Запчасти Case IH 7150 (8-014) - PTO VALVE ASSEMBLY, PRIOR TO TRANSMISSION S/N AJB0041225 (08) - HYDRAULICS

Схема запчастей Case IH 7150 - (8-014) - PTO VALVE ASSEMBLY, PRIOR TO TRANSMISSION S/N AJB0041225 (08) - HYDRAULICS
33
47
45
15
39
30
48
40
8
21
22
2
1
28
41
4
23
3
35
26
10
7
14
20
32
11
12
24
13
9
49
44
27
25
42
31
34
43
19
46
FIT
1:1
100%

Артикул

Название

Примечание

Количество

1971782C2

DISTRIBUTOR

VALVE ASSEMBLY - PTO, no longer available, for service order 1994504C1 valve kit, see below, Includes: Ref. 1-49

1шт.

1

NSS

NOT SOLD SEPARAT

BODY - valve, PTO

1шт.

2

G108853

PLUG

- adjusting

1шт.

3

218-1279

BHD LOCK NUT,Blkhd, 7/8"-14

NUT - hex lock, 7/8-14 inch thread

1шт.

4

237-6010

O-RING,0.097" Thk x 0.755" ID, -910, Cl 6, 90 Duro

- 3/4 x 15/16 x 3/32 inch

1шт.

1978338C1

SPOOL

ASSEMBLY - pressure, Includes: Ref. 7-11

1шт.

7

NSS

NOT SOLD SEPARAT

SPOOL - pressure

1шт.

8

NSS

NOT SOLD SEPARAT

POPPET - relief valve

1шт.

9

NSS

NOT SOLD SEPARAT

SPRING - relief

1шт.

10

NSS

NOT SOLD SEPARAT

RING - snap

1шт.

11

NSS

NOT SOLD SEPARAT

WASHER - valve

1шт.

12

G108861

VALVE SPRING

SPRING - pressure

1шт.

13

129-146

NUT,Jam, 9/16"-12, G5

- hex jam, 9/16 inch NC

1шт.

14

176-392

SET SCREW,9/16"-12 x 2", Slotted

SCREW - adjusting

1шт.

15

195-537

WASHER,9/16"

- flat, 19/32 x 1-5/32 x 1/8 inch

1шт.

19

G109427

SEAL

- thread

1шт.

20

G110013

SPRING

- detent

1шт.

21

G108807

GUIDE

- detent

1шт.

22

211-206

BALL,1/4" Dia

- chrome, 1/4 inch diameter

1шт.

23

1964698C3

SWITCH

ASSEMBLY - neutral start

1шт.

1957898C1

SPOOL

ASSEMBLY - regulating, PTO, Includes: Ref. 24-27

1шт.

24

NSS

NOT SOLD SEPARAT

SPOOL - PTO

1шт.

25

A60273

SNAP RING,#62, Ext

Ring, Snap, , spool #62, Ext

1шт.

26

G108812

SHOULDER

STOP - spool, shoulder

1шт.

27

G108813

STOP

- spool

1шт.

28

G105700

OIL SEAL

- oil

1шт.

30

G108811

WASHER,8mm ID x 14.27mm OD x 1.65mm Thk

- poppet

1шт.

31

G108818

SPRING

- secondary, modulator

1шт.

32

G108810

WASHER

- poppet

1шт.

33

G110014

VALVE SPRING

SPRING - centering

1шт.

34

G108884

O-RING,1.114" ID x 1.254" OD

- poppet

1шт.

35

G108809

VALVE POPPET

POPPET - valve

1шт.

39

G108808

CAP

- end

1шт.

40

G108816

SPRING

- primary, modulator

1шт.

41

A32181

SNAP RING,1.375", Int, #137

Ring, Snap, 1.375", Int, #137

1шт.

42

71100209

PLUG,Hex Soc, 3/4"-16 ORB

Assy, Incl Ref 43 Hex Soc, 3/4"-16 ORB

1шт.

43

237-6008

O-RING,0.087" Thk x 0.644" ID, -908, Cl 6, 90 Duro

8-1, 90 Duro, .644" ID x .087" Thk

1шт.

44

G108865

SPOOL

- regulator

1шт.

45

G108846

RETAINER

- spring

1шт.

46

1957846C1

VALVE SPRING

SPRING - regulator

1шт.

47

237-6012

O-RING,0.116" Thk x 0.924" ID, -912, Cl 6, 90 Duro

12-1, 90 Duro, .924 ID x .116" Thk

1шт.

48

218-1280

BHD LOCK NUT,Blkhd, 1 1/16"-12

NUT - hex jam, 1-1/16 inch NC

1шт.

49

G108852

PLUG

- adjusting

1шт.

1994504C1

SET OF PARTS

KIT - valve, PTO, includes 1343635C4 PTO valve, 201-307 elbow, 218-5154 plug, 218-5158 plug, 1543234C1 elbow and 1348354C1 drain tube; also includes installation instructions

1шт.

Выбрано товаров: 44