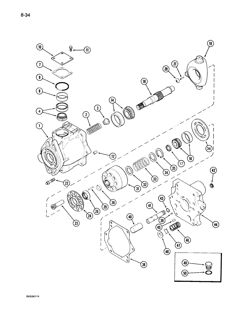
Запчасти Case IH 7150 (8-034) - HYDRAULIC PISTON PUMP ASSEMBLY (08) - HYDRAULICS

Схема запчастей Case IH 7150 - (8-034) - HYDRAULIC PISTON PUMP ASSEMBLY (08) - HYDRAULICS
19
11
7
29
42
50
39
9
14
25
33
36
46
23
41
2
3
49
35
17
44
18
31
20
24
1
30
40
48
16
43
38
12
21
32
47
45
4
10
22
34
8
FIT
1:1
100%

Артикул

Название

Примечание

Количество

1346423C1

REMAN-HYD PUMP

PUMP ASSEMBLY - hydraulic Remanufactured

1шт.

1346424C1

CORE-HYDRAULIC PUMP

RETURN NUMBER - core, use this part number when returning pump core for credit

1шт.

149619C3

PUMP,45.06 CC

ASSEMBLY - piston, hydraulic new, Includes: Ref. 1 thru 50 in this figure and parts in Figure 8-038

1шт.

1

A47278

HOUSING

- pump, piston

1шт.

2

1263237C1

SPRING

- yoke

1шт.

3

A47282

PLUG

SEAT - spring

1шт.

1263241C1

WHEEL BEARING KIT

BEARING KIT - yoke, Includes: Ref. 4 thru 7

1шт.

4

NSS

NOT SOLD SEPARAT

BEARING - yoke

2шт.

145590C1

SHIM KIT

- bearing, Includes: Ref. 7

1шт.

7

NSS

NOT SOLD SEPARAT

SHIM - bearing, 0.003 inch

1шт.

7

NSS

NOT SOLD SEPARAT

SHIM - bearing, 0.005 inch

1шт.

7

NSS

NOT SOLD SEPARAT

SHIM - bearing, 0.010 inch

1шт.

8

A47286

SPACER

- bearing

2шт.

9

238-6137

O-RING,0.103" Thk x 2.05" ID, -137, Cl 6, 90 Duro

Cover, included in 1263244C2 seal kit in Figure 8-038 -137, 90 Duro, 2.05" ID x .103" Thk

2шт.

10

A47288

COVER

- housing

2шт.

11

121-3

SERRATED BOLT,Hex, 1/4" - 20 x 1/2", Gr 5

- hex lock, 1/4 x 1 inch

8шт.

12

A47301

PIN

- locating

2шт.

1263242C1

KIT

BEARING KIT - shaft, Includes: Ref. 14-17

1шт.

14

NSS

NOT SOLD SEPARAT

BEARING - shaft, front

1шт.

16

NSS

NOT SOLD SEPARAT

BEARING - shaft, rear

1шт.

145582C1

KIT

- spacer, bearing, Includes: Ref. 17

1шт.

17

NSS

NOT SOLD SEPARAT

SPACER - bearing, 0.139 inch

1шт.

17

NSS

NOT SOLD SEPARAT

SPACER - bearing, 0.142 inch

1шт.

17

NSS

NOT SOLD SEPARAT

SPACER - bearing, 0.145 inch

1шт.

17

NSS

NOT SOLD SEPARAT

SPACER - bearing, 0.148 inch

1шт.

17

NSS

NOT SOLD SEPARAT

SPACER - bearing, 0.151 inch

1шт.

17

NSS

NOT SOLD SEPARAT

SPACER - bearing, 0.154 inch

1шт.

17

NSS

NOT SOLD SEPARAT

SPACER - bearing, 0.157 inch

1шт.

17

NSS

NOT SOLD SEPARAT

SPACER - bearing, 0.160 inch

1шт.

17

NSS

NOT SOLD SEPARAT

SPACER - bearing, 0.163 inch

1шт.

17

NSS

NOT SOLD SEPARAT

SPACER - bearing, 0.166 inch

1шт.

17

NSS

NOT SOLD SEPARAT

SPACER - bearing, 0.169 inch

1шт.

18

1263234C1

SHAFT

- drive pump

1шт.

19

1263235C1

YOKE

- shaft

1шт.

20

A47283

SEAT

- piston, pump

1шт.

21

138-88

LOCK PIN,3/16" x 1/2", Slotted

PIN, 3/16" x 1/2", Slotted

1шт.

22

116-47

SCREW

- 12 point head, 3/8 NC x 1-1/2 inch

6шт.

1263239C1

REPAIR KIT

ROTATING KIT - piston, Includes: Ref. 23-35

1шт.

23

NSS

NOT SOLD SEPARAT

PISTON ASSEMBLY - rotating

9шт.

24

A47292

PLATE

- shoe

1шт.

25

A47293

WASHER

- spherical

1шт.

29

A47296

PIN

- block

3шт.

30

A47297

SNAP RING,7.11mm Thk, Int

- pin

1шт.

31

NSS

NOT SOLD SEPARAT

BLOCK - cylinder

1шт.

32

A47299

WASHER

- spring

1шт.

33

A47298

SPRING

- block

1шт.

34

A47300

SPRING WASHER

WASHER - spring

1шт.

35

D27833

SNAP RING,1.625", Int, #162

Ring, Snap, 1.625", Int, #162

1шт.

36

1263236C1

PLATE

- wafer

1шт.

38

A47280

GASKET,0.53mm Thk

- housing, included in 1263244C2 seal kit in Figure 8-038

1шт.

39

A47309

PIN

PLUG - headless, 1/4 x 1/2 inch

1шт.

1263240C1

PACKAGE

PISTON AND ROD KIT - compensator, Includes: Ref. 40-42

1шт.

40

NSS

NOT SOLD SEPARAT

PISTON - compensator

1шт.

41

NSS

NOT SOLD SEPARAT

ROD - piston

1шт.

42

A47340

RING

- retaining

1шт.

43

238-8112

O-RING,0.103" Thk x 0.487" ID, -112, Cl 8, 90 Duro

Rod, piston, included in 1263244C2 seal kit in Figure 8-038 -112, Cl 8, .487" ID x .103" Thk

1шт.

44

1971490C1

COVER

BLOCK - valve

1шт.

Ref. 44 - small plug in valve is 1/8 -27 NPTF

1шт.

45

A47309

PIN

- headless, 1/4 x 1/2 inch

1шт.

46

A47308

SPRING

- block, valve

1шт.

47

A47307

VALVE

- check

1шт.

48

A47306

PLUG

SEAT - valve, block

1шт.

49

86512512

PLUG,7/8" - 14 ORB

ASSEMBLY - hex, 7/8-14 inch thread if equipped, Incl. Ref. 50

2шт.

50

237-6010

O-RING,0.097" Thk x 0.755" ID, -910, Cl 6, 90 Duro

- plug

1шт.

Выбрано товаров: 64