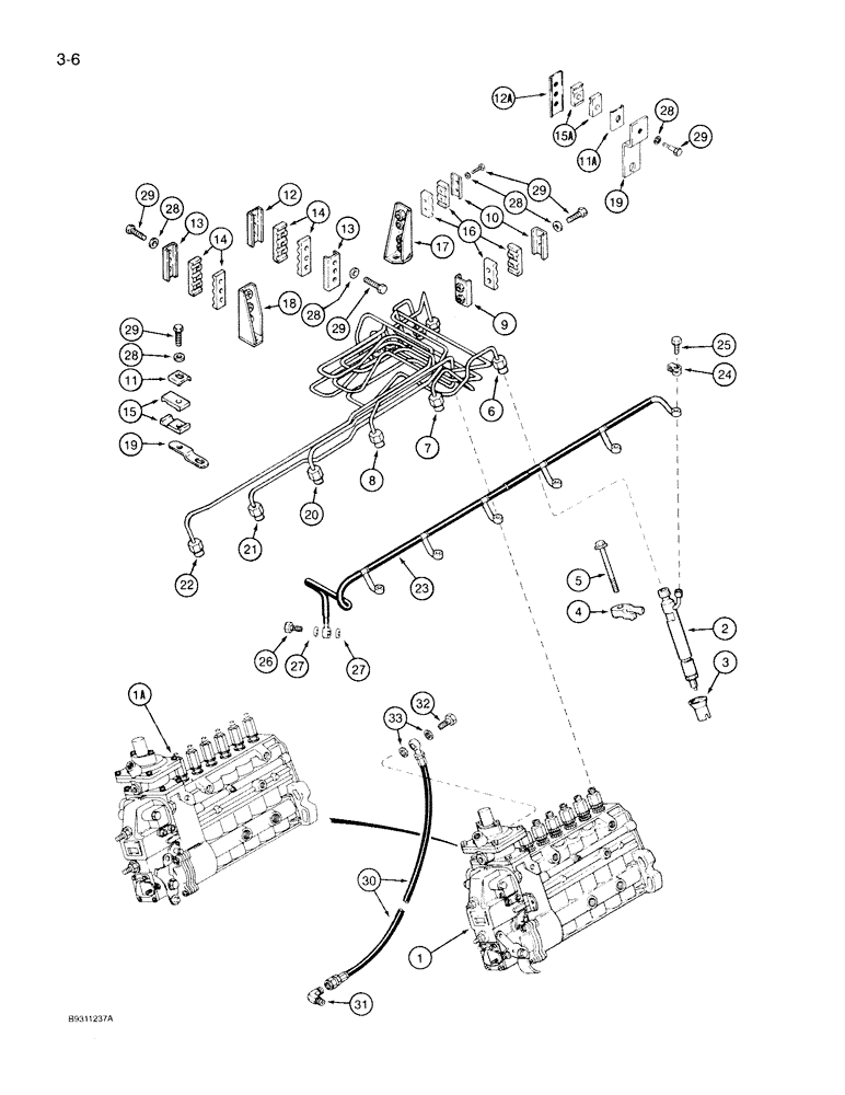
Запчасти Case IH 7150 (3-006) - FUEL INJECTION SYSTEM, 6TA-830 ENGINE, J921232 PUMP ASSEMBLY (03) - FUEL SYSTEM

Схема запчастей Case IH 7150 - (3-006) - FUEL INJECTION SYSTEM, 6TA-830 ENGINE, J921232 PUMP ASSEMBLY (03) - FUEL SYSTEM
27
12
8
29
5
19
10
9
33
24
1
28
29
13
27
29
15a
16
23
11a
20
12a
11
19
14
28
26
28
30
15
17
3
32
18
31
29
21
14
28
13
25
6
2
1a
22
4
28
29
7
FIT
1:1
100%

Артикул

Название

Примечание

Количество

1

J921232

PUMP, FUEL INJECTION

PUMP ASSEMBLY fuel injection, prior to Engine Serial Number 44827524, See Figure 3-018

1шт.

1a

J926162

PUMP, FUEL INJECTION

PUMP ASSEMBLY fuel injection, Engine Serial Number 44827524 and after, See Figure 3-019A

1шт.

2

REF

INSTRUCTION

INJECTOR ASSEMBLY fuel, See Figure 3-020

6шт.

3

J909886

SEAL,16.9mm ID x 22mm OD x 38mm L

SLEEVE seal, injector

6шт.

4

J910279

CLAMP

injector

6шт.

5

845-8080

BOLT,Hvy Hex, M8 x 80mm, Cl 8.8

heavy hex flange, 8 - 1.25 x 80 mm

6шт.

6

J921307

FUEL TUBE

TUBE fuel, No. 1 cylinder

1шт.

7

J921308

FUEL TUBE

TUBE fuel, No. 2 cylinder

1шт.

8

J921309

FUEL TUBE

TUBE fuel, No. 3 cylinder

1шт.

9

J917716

BRACE

supply tube

1шт.

10

J904519

SUPPORT

BRACE tube

3шт.

11

J910686

BRACE

supply tube, if used

1шт.

11a

CURJ904711

CLAMP

BRACE supply tube, if used

1шт.

12

J917740

BRACE

tube, if used

1шт.

12a

J918784

CLAMP

BRACE tube, if used

1шт.

13

J918785

BRACE

tube

1шт.

14

J918786

FIXING BRACKET

CLAMP vibration

2шт.

15

J917749

CLAMP

vibration, if used

2шт.

15a

J919359

CLAMP

vibration, if used

2шт.

16

J917747

CLAMP

tube

6шт.

17

J921415

HOLDER

BRACE tube

1шт.

18

J921416

HOLDER

BRACE tube

1шт.

19

J921418

HOLDER

BRACE tube, if used

1шт.

20

J921310

FUEL TUBE

TUBE fuel, No. 4 cylinder

1шт.

21

J921311

FUEL TUBE

TUBE fuel, No. 5 cylinder

1шт.

22

J921312

FUEL TUBE

TUBE fuel, No. 6 cylinder

1шт.

23

J920595

TUBE ASSY.

MANIFOLD fuel drain

1шт.

24

J903380

SEAL

connector

6шт.

25

J905307

BANJO BOLT,M6 x 1 x 14.30mm

BOLT, BANJO, , Connector M6 x 1 x 14.3

7шт.

26

J916360

VALVE

check

1шт.

27

J918188

WASHER,7.8mm ID x 13.5mm OD x 1.2mm Thk

sealing, banjo fitting

2шт.

28

J903723

WASHER

flat, special

13шт.

29

J920854

CAPTIVE WASHER SCREW,HWH, M5 x 0.8 x 24.5mm, Cl 8.8

SCREW, Hex Hd, M5 x .8 x 20, w/LW

13шт.

30

J916779

FUEL HOSE,508.00 mm

Cylinder Block To Injection Pump 508.00 mm

1шт.

31

222-762

ELBOW,90 Degree, 7/16"-20, 45 Degree Fl x 1/8" NPT

1шт.

32

J918002

BANJO BOLT

SCREW banjo, hose to injection pump

1шт.

33

J918190

SEALING WASHER,10mm ID x 15.5mm OD x 1mm Thk

WASHER sealing, banjo screw to injection pump, 10 x 15.5 x 1 mm

2шт.

Выбрано товаров: 37