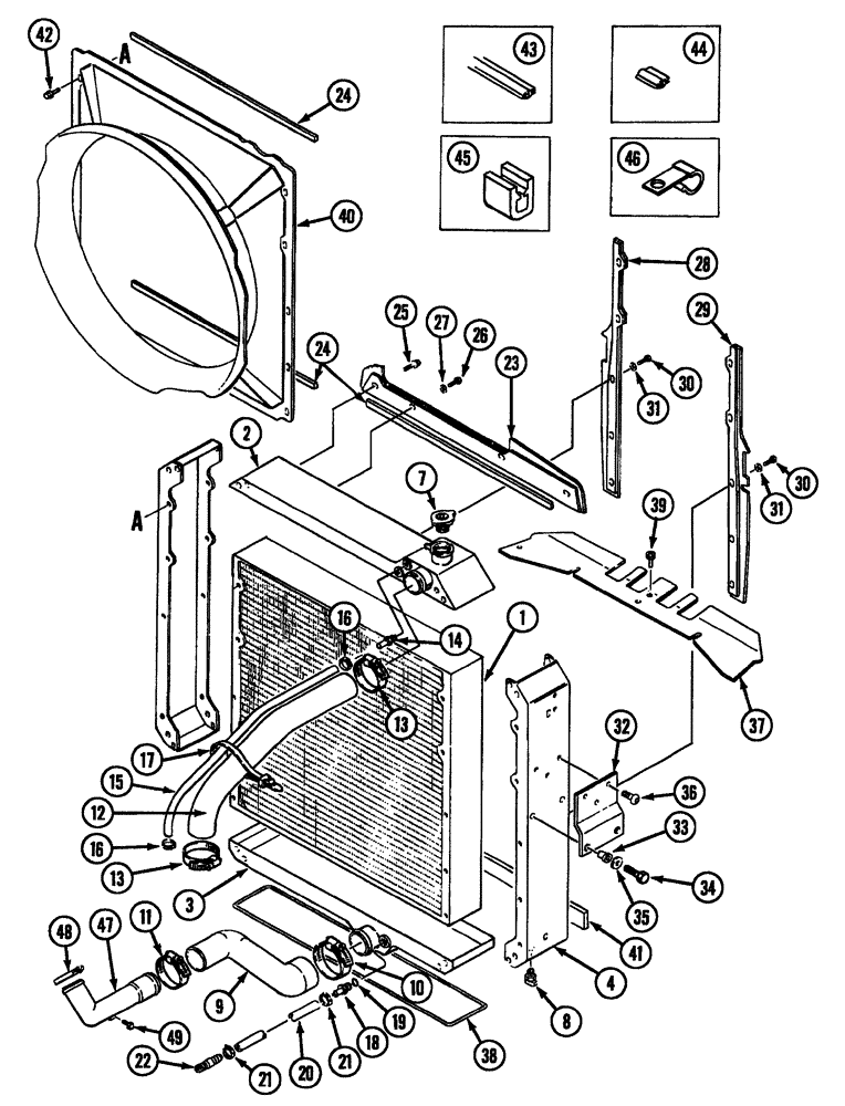
Запчасти Case IH 7220 (2-004) - RADIATOR AND ATTACHING PARTS, TRACTOR P.I.N. JJA0064978 AND AFTER (02) - ENGINE

Схема запчастей Case IH 7220 - (2-004) - RADIATOR AND ATTACHING PARTS, TRACTOR P.I.N. JJA0064978 AND AFTER (02) - ENGINE
19
42
3
46
7
20
22
40
21
16
13
26
39
32
34
12
48
18
29
14
10
13
1
35
15
25
38
4
17
24
28
33
37
45
49
9
8
21
16
24
47
30
44
30
31
43
36
11
41
2
27
23
31
FIT
1:1
100%

Артикул

Название

Примечание

Количество

1

140501A2

RADIATOR

ASSEMBLY - cooling system, emission control engines

1шт.

2

243898A1

TANK

radiator, upper

1шт.

3

243895A1

RESERVOIR

TANK - radiator, lower

1шт.

4

243899A1

SUPPORT

radiator

1шт.

5

614-8012

BOLT,Hex, M8 x 1.25 x 12mm, Cl 8.8, Full Thd

Not shown

8шт.

6

895-15008

WASHER,9mm ID x 20mm OD x 1.6mm Thk

Not shown

8шт.

7

A170241

RADIATOR CAP

15 psi

1шт.

8

217-103

COCK, DRAIN

VALVE-1/4 inch PT

1шт.

9

186489A1

LARGE HOSE,58.00 mm ID, 67.00 mm ID x 273.00 mm, SAE J20, SAE 20R4 Class D1

HOSE,LARGE Lower

1шт.

10

198883A1

CLAMP

lower radiator hose, radiator side

1шт.

11

138773A1

CLAMP,52.32mm - 76.2mm

lower radiator hose, engine side

1шт.

12

184299A1

LARGE HOSE,58.80 mm ID x 366.00 mm, SAE 20R4 Class D1, SAE J 20

HOSE,LARGE Upper

1шт.

13

138773A1

CLAMP,52.32mm - 76.2mm

upper radiator hose

2шт.

14

217-151

FITTING,3/8" Hose Barb x 1/4" Male NPTF

Adapter - straight, Vent hose

1шт.

15

1960764C1

RADIATOR HOSE,9.50 mm ID x 560.00 mm, SAE 20R3

Radiator vent to engine

1шт.

16

1348264C1

HOSE CLAMP

3/8 inch, radiator vent hose

2шт.

17

L18337

CABLE TIE,9.95"-12.1" lg

CABLE STRAP tie, 15 inch, vent hose to upper radiator hose

1шт.

18

196816C1

FITTING

ADAPTER - barb stem, radiator, lower

1шт.

19

237-6008

O-RING,0.087" Thk x 0.644" ID, -908, Cl 6, 90 Duro

1шт.

20

3225216R2

HEATER HOSE,15.5mm ID x 460mm L

Cut from 97252CX bulk hose, High Temperature Heater Hose Return

1шт.

21

1954736C1

HOSE CLAMP,#24

Adjustable

2шт.

22

1301342C1

FITTING

ADAPTER - straight, special

1шт.

23

184111A2

SUPPORT

BRACKET - radiator, upper

1шт.

24

187107A2

SEALING STRIP,12.7mm W x 608mm L x 9.5mm Thk

adhesive back, 608 mm (23-15/16 inch) long, upper and lower fan shroud and upper radiator bracket

3шт.

25

844-8016

BOLT,Hex, M8 x 16mm, Cl 8.8

Upper bracket to radiator, outer mounting holes

2шт.

26

614-6016

BOLT,Hex, M6 x 1 x 16mm, Cl 8.8, Full Thd

Upper bracket inner mounting holes

2шт.

27

495-81107

WASHER,.281" x 7/8" x .060"

flat, 9/32 x 7/8 x 3/64 inch

2шт.

28

184112A2

SUPPORT

BRACKET - radiator, left-hand side

1шт.

29

184113A2

SUPPORT

BRACKET - radiator, right-hand side

1шт.

30

844-8018

BOLT,Hvy Hex, M8 x 18mm, Cl 8.8

hex, 8 - 1.25 x 16 mm, left-hand and right-hand brackets, replaces 614-8020 bolt, for upper and lower hardware see hardware used with cooler and condenser mounting brackets on Figure 5-16

1шт.

31

895-15008

WASHER,9mm ID x 20mm OD x 1.6mm Thk

If used

4шт.

32

177080A1

SUPPORT

BRACKET - radiator support

2шт.

33

60-6650T1

RUBBER BUSHING

CUSHION - mount, radiator support bracket lower mounting holes

4шт.

34

844-10030

BOLT,Hvy Hex, M10 x 30mm, Cl 8.8

BOLT - heavy hex flange, 10 - 1.5 x 30 mm, Support bracket lower mounting holes

4шт.

35

495-81140

WASHER,13/32" x 1 1/4" x .060"

4шт.

36

234017A1

HEX SOC SCREW

BOLT - hex socket, 8 - 1.25 x 16 mm, upper mounting holes, replaces 844-8020 bolt

6шт.

37

223350A2

LARGE PLATE

PLATE, LARGE radiator

1шт.

38

227240A1

GASKET,3.3mm Thk

rubber seal, tank replacement

1шт.

39

864-10016

HEX SOC SCREW,M10 x 16mm, Cl 8.8

2шт.

40

141002A2

DEFLECTOR

SHROUD - fan, emission control engines

1шт.

41

256990A1

SEAL

adhesive back, 764 mm (30-5/64 inch) long, radiator, lower frame between radiator and support

1шт.

42

844-8016

BOLT,Hex, M8 x 16mm, Cl 8.8

Case installed, service with 614-8016, 892-11008 and 895-11008

10шт.

614-8016

BOLT,Hex, M8 x 1.25 x 16mm, Cl 8.8, Full Thd

10шт.

892-11008

LOCK WASHER,8mm ID

10шт.

895-11008

WASHER,9mm ID x 16mm OD x 1.6mm Thk

10шт.

43

185672A2

SEAL

trim, 3010 mm (118-1/2 inch) long, hood perimeter

1шт.

44

177362A2

RUBBER SEAL,55mm L

trim, 55 mm (2-1 1/64 inch) long, hood, radiator frame and bolster plate

8шт.

45

245983A1

SEAL ASSY.

TRIM - edge, black, 28 mm (1-1/8 inch) long, order 1330108CX bulk seal and cut to length, attach to vertical leg at rear

2шт.

46

231604A1

CLIP

open type

1шт.

47

J907208

TUBE,50.8 mm DIA x 295.3 mm L

water inlet

1шт.

Reference #s 35, 36, 37 are included in the engine assembly.

1шт.

48

J922847

CLAMP

tube

1шт.

Reference #s 35, 36, 37 are included in the engine assembly.

1шт.

49

845-8016

BOLT,Hvy Hex, M8 x 16mm, Cl 8.8

1шт.

Reference #s 35, 36, 37 are included in the engine assembly.

1шт.

Выбрано товаров: 55