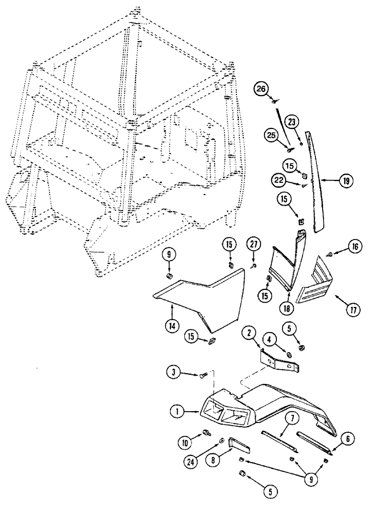
Запчасти Case IH 7220 (9-108) - RIGHT REAR FENDER AND PANELS (09) - CHASSIS/ATTACHMENTS

Схема запчастей Case IH 7220 - (9-108) - RIGHT REAR FENDER AND PANELS (09) - CHASSIS/ATTACHMENTS
24
3
15
7
16
22
19
15
23
4
2
5
9
5
15
9
1
27
15
18
6
17
25
10
15
8
14
26
FIT
1:1
100%

Артикул

Название

Примечание

Количество

1

97004C2

FENDER

right, tractor

1шт.

2

1283847C1

SUPPORT

BRACKET - rear support

1шт.

3

434-516

CARRIAGE BOLT,Sht Sq Nk, 5/16" - 18 x 1", Gr 5

4шт.

4

495-21038

WASHER,5/16"

(flat, 3/8 x 7/8 x 3/32")

2шт.

5

231-5145

SERRATED NUT,Flg, USR, 5/16"-18

6шт.

6

1990670C1

SUPPORT

fender, lower right

1шт.

7

1990671C1

SUPPORT

fender, upper right

1шт.

8

1990672C1

SUPPORT

fender, right front

1шт.

9

231-5144

SERRATED NUT,Flg, USR, 1/4"-20

1шт.

10

409-7512

BOLT,Hex Flg, 5/16" - 18 x 3/4", Spcl

Replaces 1348499C1 bolt

1шт.

14

96702C2

PANEL ASSY.

side, right

1шт.

15

96900C1

SPRING NUT,U, #10-16, Panel type

1шт.

16

1975782C1

SELF-TAP SCREW,Truss HD, #10 - 16 x 5/8"

1шт.

17

1348226C1

PANEL ASSY.

frame, lower right front

1шт.

18

96710C1

COVER ASSY

post, lower right

1шт.

19

96703C2

COVER

post, upper right

1шт.

22

1975782C1

SELF-TAP SCREW,Truss HD, #10 - 16 x 5/8"

2шт.

23

495-31016

WASHER,#6

Used with item 25, if used

1шт.

24

1990583C1

WASHER

flat, fender mounting

1шт.

25

140670A1

CAPTIVE WASHER SCREW,Hi-Lo, #8 x 3/4"

hex washer, No. 8 x 3/4 inch, hi-lo, if used, may be replaced by 253419A1 screw with washer, item 26

1шт.

26

253419A1

SCREW,Hex Wshr Hd, #8 - 18 x 5/8"

Special, Hi-Lo

1шт.

27

104033C2

SELF-TAP SCREW,Truss HD, #10 - 16 x 3/4"

self-tapping, truss head, No. 10 - 16 x 3/4 inch

2шт.

Выбрано товаров: 22