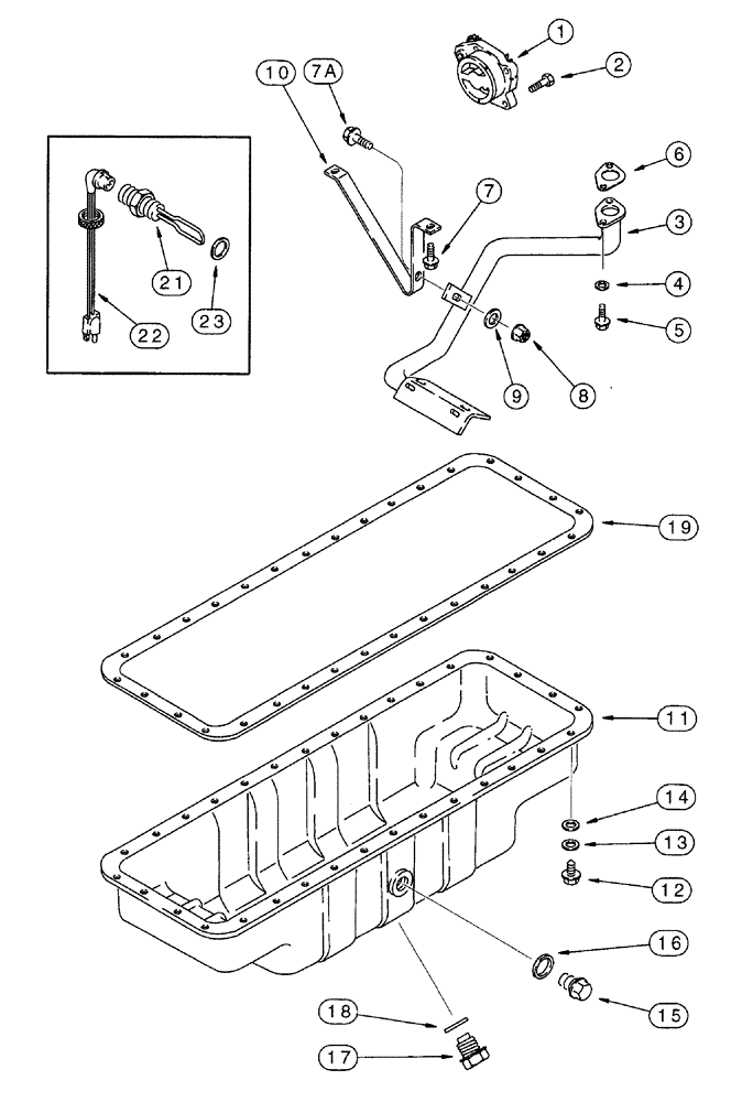
Запчасти Case IH 7220 (2-052) - OIL PUMP, PAN AND HEATER, 6T-830 EMISSIONS CERT. ENGINE, 7220 TRACTOR, P.I.N. JJA0064978 AND AFTER (02) - ENGINE

Схема запчастей Case IH 7220 - (2-052) - OIL PUMP, PAN AND HEATER, 6T-830 EMISSIONS CERT. ENGINE, 7220 TRACTOR, P.I.N. JJA0064978 AND AFTER (02) - ENGINE
16
3
18
23
7a
1
21
13
17
9
2
22
8
19
5
15
10
14
12
7
11
6
4
FIT
1:1
100%

Артикул

Название

Примечание

Количество

1

J930338

PUMP, ENGINE OIL

ASSEMBLY - oil, 24 teeth drive gear, replaces J926201 pump

1шт.

JR930338

REMAN-ENG OIL PUMP

REMAN-ENGINE OIL PUMP ASSY - oil, N.A. only, 24 teeth drive gear, for service order J930338 pump assy., replaces JR926201 remanufactured pump

1шт.

JC926201

CORE-ENGINE OIL PUMP

CORE-ENGINE OIL PUMP RETURN NUMBER - use this part number to return pump core for credit when using a remanufactured assembly

1шт.

JR948071

REMAN-ENG OIL PUMP

REMAN-ENGINE OIL PUMP Remanufactured Oil Pump; For N.A. only

1шт.

JC948071

CORE-ENGINE OIL PUMP

CORE-ENGINE OIL PUMP Return number - For N.A. only

1шт.

2

J900677

BOLT,Hex

hex, full threads, 8 - 1.25 x 30 mm, replaces 614-8030 bolt

4шт.

3

J921719

TUBE

with screen, oil suction

1шт.

4

J926865

SPACER,6.9mm ID x 12.7mm OD x 14mm L

mounting, replaces J908738 spacer

2шт.

5

845-6030

BOLT,Hvy Hex, M6 x 30mm, Cl 8.8

Heavy

2шт.

6

J914302

GASKET

mounting, oil suction tube

1шт.

Part of the Oil pan gasket kit P/N A77679

1шт.

7

845-6015

BOLT,Hvy Hex, M6 x 15mm, Cl 8.8

Heavy

2шт.

7a

845-6020

BOLT,Hvy Hex, M6 x 20mm, Cl 8.8

1шт.

8

J906216

FLANGE NUT

hex flange, special, 6 mm - 1.0

1шт.

9

J910960

WASHER

flat, special

1шт.

10

J927611

BRACKET

suction tube

1шт.

11

J914015

ENGINE OIL PAN

oil, engine

1шт.

12

J920400

FLANGE BOLT,Hex, M8 x 1.25 x 21mm, Gr 8.8

8 - 1.25 x 25 mm, Oil pan to block

32шт.

13

J910266

LOCK WASHER

spring, Belleville

32шт.

14

J908316

WASHER

flat, special, 9 x 16 x 1 mm

32шт.

15

J924148

PLUG,M22 x 1.5

hex magnetic, special, 22 mm - 1.5, heater hole

1шт.

16

J902425

SEALING WASHER,22.2mm ID x 26.9mm OD x 1.75mm Thk

sealing, plug

1шт.

Part of the oil pan gasket kit P/N A77679

1шт.

17

J924147

PLUG,M18 x 1.5

hex magnetic, special, 12 mm - 1.5, drain

1шт.

18

J920773

SEALING WASHER

WASHER - sealing, drain plug

1шт.

Part of the oil pan gasket kit P/N A77679

1шт.

19

NSS

NOT SOLD SEPARAT

GASKET - oil pan, order A77679 gasket kit shown below

1шт.

Part of the oil pan gasket kit P/N A77679

1шт.

A77679

GASKET KIT

oil pan, Includes: REF 6, 16, 18, 19

1шт.

A77580

SERVICE KIT

oil pan heater, engine oil

1шт.

21

NSS

NOT SOLD SEPARAT

ELEMENT - heater, 12 volt, oil pan kit

1шт.

22

196466A1

ELECTRIC CABLE

engine block heater, replaces J905113, oil pan kit

1шт.

23

J902425

SEALING WASHER,22.2mm ID x 26.9mm OD x 1.75mm Thk

sealing, plug, oil pan heater kit

1шт.

Выбрано товаров: 33