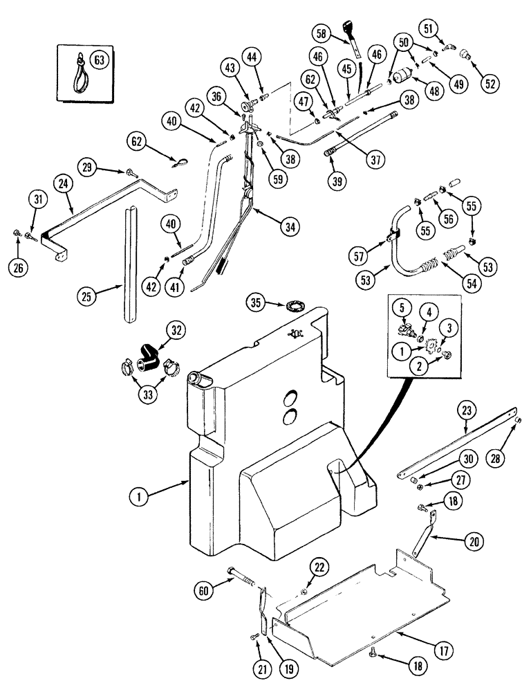
Запчасти Case IH 7220 (3-036) - AUXILIARY FUEL TANK AND FUEL LINES, TRACTOR P.I.N. JJA0064978 AND AFTER (03) - FUEL SYSTEM

Схема запчастей Case IH 7220 - (3-036) - AUXILIARY FUEL TANK AND FUEL LINES, TRACTOR P.I.N. JJA0064978 AND AFTER (03) - FUEL SYSTEM
58
42
39
3
38
53
36
49
20
62
50
53
45
63
27
56
28
38
57
59
62
35
52
43
42
55
26
48
33
21
23
41
40
40
18
37
47
25
46
29
19
18
31
55
17
22
1
24
1
5
32
51
54
34
60
44
4
30
2
46
FIT
1:1
100%

Артикул

Название

Примечание

Количество

1

137700C6

RESERVOIR

TANK ASSEMBLY - fuel, auxiliary, standard capacity

1шт.

2

1251790C1

FITTING

ADAPTER - straight, fuel tank drain

1шт.

3

238-5210

O-RING,0.139" Thk x 0.734" ID, -210, Cl 5, 75 Duro

1шт.

4

1251791C1

JAM NUT,3/4" - 16 LH Thread

hex, jam, special

1шт.

5

217-103

COCK, DRAIN

VALVE - 1/4 inch PT

1шт.

17

137702C5

SUPPORT ASSY.

tank

1шт.

18

614-12025

BOLT,Hex, M12 x 1.75 x 25mm, Cl 8.8, Full Thd

Front support and tank support

4шт.

19

1280992C2

SUPPORT ASSY.

tank, rear

1шт.

20

137704C2

SUPPORT ASSY.

tank, front

1шт.

21

614-12025

BOLT,Hex, M12 x 1.75 x 25mm, Cl 8.8, Full Thd

1шт.

22

9804279

FLANGE NUT,Hex, M12, Cl 8

2шт.

23

1259898C1

BRACKET

retaining, tank

1шт.

24

144252C2

STIFFENER

BRACKET - hold down, tank

1шт.

25

1251937C1

REINFORCEMENT

CHANNEL - reinforcement brace, tank

1шт.

26

614-10020

BOLT,Hex, M10 x 1.5 x 20mm, Cl 8.8, Full Thd

2шт.

27

825-1410

NUT,M10, Cl 8

2шт.

28

1259899C1

SPACER

support, front

1шт.

29

814-10040

BOLT,Hex, M10 x 1.5 x 40mm, Cl 8.8

1шт.

30

144253C1

SPACER

support, rear

1шт.

31

814-10045

BOLT,Hex, M10 x 1.5 x 45mm, Cl 8.8

1шт.

32

97013C1

FUEL HOSE

tank, auxiliary

1шт.

33

214-1428

HOSE CLAMP,#28, 1.31" - 2.25", Type F Worm

Adjustable

2шт.

34

193855A2

FUEL GAUGE

SENSOR - auxiliary fuel tank level

1шт.

35

104812C3

GASKET,3.05mm Thk

fuel level sender

1шт.

36

1978426C1

SCREW

pan Phillips, with O-ring, No. 10 - 24 x 3/4 inch

5шт.

37

196265A1

FUEL HOSE,8.34 mm ID x 3530.00 mm, SAE 30R7

Return, Fuel Cooler to Auxillary Tank

1шт.

38

196244A1

LOOM

SLEEVE - corrugated, 17 (5/8) ID x 3480 mm (137 inch) long

1шт.

39

A171099

HOSE CLAMP,13.2mm - 15.4mm

spring-type, hose, retaining

2шт.

40

103010A1

HOSE,8.34 mm ID x 1970.00 mm

Vent, Auxiliary Tank

1шт.

41

103011A1

CONDUIT

SLEEVE - corrugated, 17 (5/8) ID x 1841 mm (72-1/2 inch) long, cut from 291262A2 bulk conduit

1шт.

42

A171099

HOSE CLAMP,13.2mm - 15.4mm

spring-type, retaining

2шт.

43

196465A1

COCK, DRAIN

VALVE - fuel shutoff, supply, brass

1шт.

44

196458A1

TUBE

CONNECTOR - barb, 1/2 barb x 1/2 inch female pipe

1шт.

45

196267A1

FUEL HOSE,12.70 mm ID x 1235.00 mm, SAE 100R7

Supply, Auxillary Tank to In-Line Filter

1шт.

46

196248A1

LOOM

SLEEVE - corrugated, 27 (1-1/6) ID x 560 mm (22-3/64 inch) long, cut from 291260A2 bulk conduit

1шт.

47

196252A1

CLAMP

hose at supply valve connector

1шт.

48

194199A1

FUEL FILTER

fuel, in-line

1шт.

49

196247A1

FUEL HOSE,12.70 mm ID x 78.0 mm, SAE 30R7

Fuel Filter to Lift Pump

1шт.

50

196252A1

CLAMP

at in-line fuel filter

3шт.

51

197095A1

ELBOW

90 degree, 1/2 barb end x 1/2 inch PT, 7220 Tractors

1шт.

51

217-290

FITTING,90 Degree Elbow, 1/2" Hose Barb x 3/8" Male NPTF

7210 Tractors

1шт.

52

217-1012

ADAPTER,1/4" - 18 Male NPTF x 3/8" - 18 Female NPTF

ADAPTER - straight, 1/4 PT x 3/8 inch female PT, 7210 Tractors

1шт.

53

196263A1

FUEL HOSE,8.34 mm ID x 1800.00 mm, SAE 30R7

Fuel Injection Pump to Fuel Cooler, Engine Serial Number 45361256 and Below, Use with J918176 Hose, See Figure 3-16, Item 38

1шт.

53

235337A1

FUEL HOSE,8.34 mm ID x 1345.0 mm , SAE 30R7

Fuel Injection Pump to Fuel Cooler, Engine Serial No. 45361257 and Above. Use with J930842 Hose, see Figure 3-16, item 38

1шт.

54

196246A1

CONDUIT

SLEEVE - corrugated, 17 (5/8) ID x 1650 mm (65 inch) long, cut from 291262A2 bulk conduit

1шт.

55

A171099

HOSE CLAMP,13.2mm - 15.4mm

spring-type, hose

3шт.

56

195509A1

COUPLING

CONNECTOR - barbed, 5/16 inch hose

1шт.

57

362123R1

CLIP

hose

1шт.

58

1954474C4

SHIN

CLAMP - fuel line, at left front cab support, return and supply lines

1шт.

59

193-1000

NUT,Keps, w/LW,#10-32

hex, with external tooth lock washer, No.10 NF, harness electrical lead to sender

1шт.

60

813-16140

BOLT,Hex, M16 x 2 x 140mm, Cl 8.8

BOLT - hex, 16 - 2.0 x 140 mm

1шт.

62

306132C1

CABLE TIE,14.5" L

CABLE STRAP Nylon

2шт.

63

L18337

CABLE TIE,9.95"-12.1" lg

CABLE STRAP tie, 15 inch

1шт.

Выбрано товаров: 53