Запчасти Case IH 7230 (6-054) - INCHING PEDAL (06) - POWER TRAIN

Схема запчастей Case IH 7230 - (6-054) - INCHING PEDAL (06) - POWER TRAIN
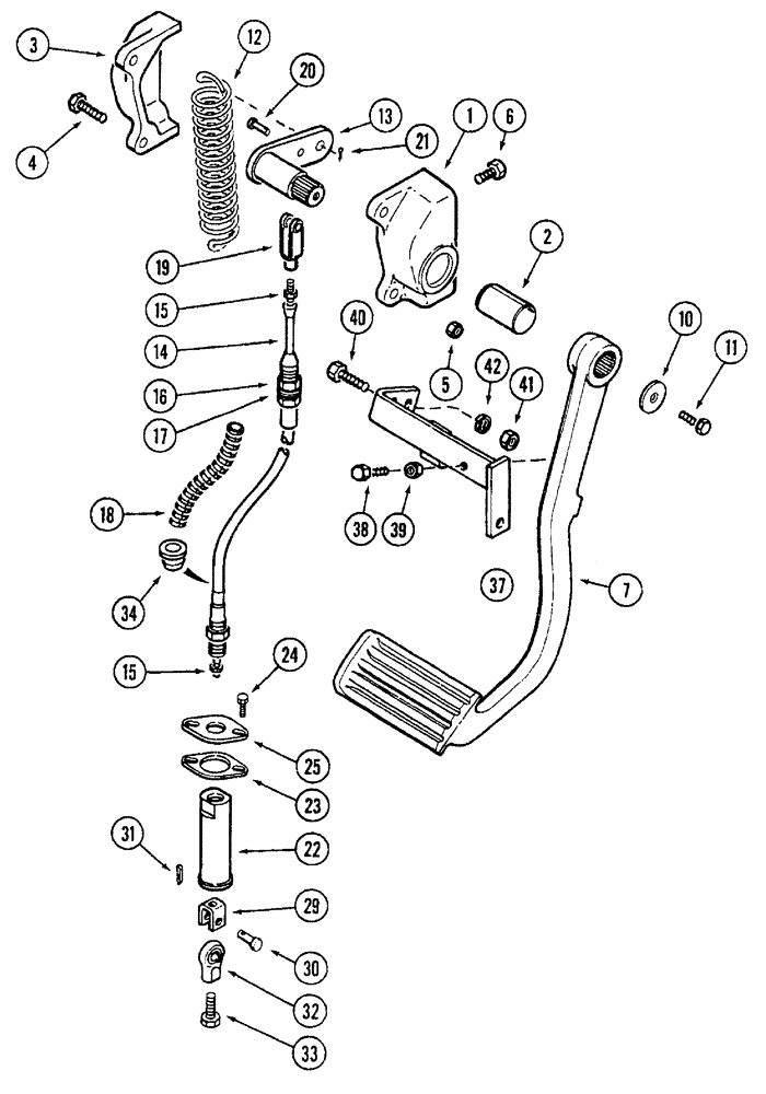
1
11
18
6
41
13
4
25
7
16
37
31
34
12
42
21
5
2
20
30
32
33
39
17
19
15
24
40
15
14
10
23
29
3
22
38
FIT
1:1
100%

Артикул

Название

Примечание

Количество

1

120174C1

SUPPORT

ASSEMBLY - pivot

1шт.

2

120173C1

BUSHING,30.28mm ID x 32.56mm OD x 47.37mm L

pivot

1шт.

3

1252700C1

SUPPORT ASSY.

pivot, pedal

1шт.

4

413-620

BOLT,Hex, 3/8" - 16 x 1-1/4", Gr 5

2шт.

5

425-166

NUT,3/8"-16, G5, Hvy

heavy hex, 3/8 inch NC

2шт.

6

413-612

BOLT,Hex, 3/8" - 16 x 3/4", Gr 5

4шт.

7

1340256C1

PEDAL

clutch

1шт.

10

495-81120

WASHER,.344" x 1 1/4" x .120"

flat, 11/32 x 1-1/4 x 7/64 inch

1шт.

11

413-512

BOLT,Hex, 5/16" - 18 x 3/4", Gr 5

1шт.

12

96897C2

SPRING

return, replaces 1990620C1 spring

1шт.

13

1990549C1

ARM

lever, pedal

1шт.

14

96481C2

CABLE

clutch, includes Ref 34 grommet

1шт.

15

425-154

JAM NUT,Jam, 1/4"-28, G5

2шт.

16

425-1510

JAM NUT,Jam, 5/8"-18, G5

Hex

3шт.

17

495-21069

WASHER,5/8"

flat, 11/16 x 1 -3/4 x 9/64 inch

2шт.

18

118156C1

CONDUIT

SLEEVE - corrugated, cut from 1536137C1 bulk sleeve

1шт.

19

213-124

ADJUSTABLE CLEVIS,1/4"-28

Replaces 213-31

1шт.

20

427-4077

CLEVIS PIN,1/4" x .770"

Hardened

1шт.

21

432-48

COTTER PIN,1/16" x 1/2"

1шт.

22

1340478C1

HOUSING

support, cable

1шт.

23

1280055C2

FLANGE

housing

1шт.

24

864-6016

HEX SOC SCREW,M6 x 16mm, Cl 8.8

2шт.

25

97238C1

SPACER

flange, housing

1шт.

29

96790C2

CLEVIS COUPLING

cable

1шт.

30

96846C2

AXLE PIN,7.87mm OD x 19.78mm L

clevis

1шт.

31

732-2012

COTTER PIN,M2 x 12

1шт.

32

97202C1

BALL JOINT

END

1шт.

33

414-614

BOLT,Hex, 3/8" - 24 x 7/8", Gr 5

BOLT - hex, 3/8 NF x 7/8 inch

1шт.

34

96989C2

GROMMET

cable, included with Ref 14 cable

1шт.

37

96934C3

BRACKET

stop, pedal

1шт.

38

614-8030

BOLT,Hex, M8 x 1.25 x 30mm, Cl 8.8, Full Thd

Full Thd

1шт.

39

825-1408

NUT,M8, Cl 8

1шт.

40

614-10025

BOLT,Hex, M10 x 1.5 x 25mm, Cl 8.8

3шт.

41

825-1410

NUT,M10, Cl 8

2шт.

42

892-11010

LOCK WASHER,M10

3шт.

Выбрано товаров: 35