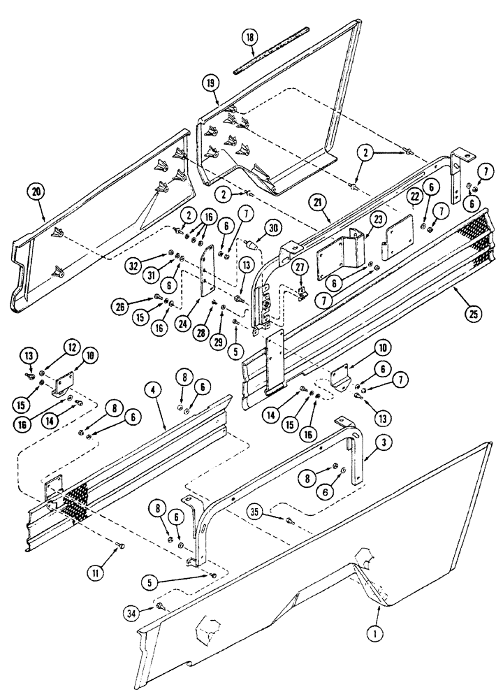
Запчасти Case IH 7230 (9-032) - HOOD LOWER SIDE PANELS AND SCREENS, TRACTOR PIN JJA0064978 AND AFTER (09) - CHASSIS/ATTACHMENTS

Схема запчастей Case IH 7230 - (9-032) - HOOD LOWER SIDE PANELS AND SCREENS, TRACTOR PIN JJA0064978 AND AFTER (09) - CHASSIS/ATTACHMENTS
24
6
27
6
15
26
7
16
1
8
16
3
8
13
8
31
14
29
19
6
2
8
23
14
5
5
15
6
7
16
34
6
22
11
2
21
13
7
25
32
7
12
18
20
6
2
6
10
7
15
6
6
16
30
13
4
28
6
10
35
FIT
1:1
100%

Артикул

Название

Примечание

Количество

1

128014A1

PANEL ASSY.

hood, screen, lower right side, includes item 36

1шт.

2

1968127C1

STUD

1/4 inch NC

1шт.

3

122967A1

SUPPORT

side panel, right

1шт.

4

1960793C5

PROTECTION PLATE

SCREEN - hood, side right

1шт.

5

413-412

BOLT,Hex, 1/4" - 20 x 3/4", Gr 5

1шт.

6

495-21031

WASHER,1/4"

flat, 5/16 x 3/4 x 1/16 inch

1шт.

7

231-1444

NUT,1/4"-20, GB

1шт.

8

131-1418

LOCK NUT,1/4"-20, Thin

light hex, self-locking, 1/4 inch NC

4шт.

10

1960849C1

BRACKET

screen latch outer

2шт.

11

614-6016

BOLT,Hex, M6 x 1 x 16mm, Cl 8.8, Full Thd

2шт.

12

825-2406

FLANGE NUT,M6 x 1, Cl 8.8

2шт.

13

1348465C1

BALL STUD,#10 - 32

rear side panel latch

1шт.

14

463-61010

SCREW,Hex, #10 - 32 x 5/8"

2шт.

15

493-21020

LOCK WASHER,Int Tooth, #10

(3/16")

1шт.

16

495-31022

WASHER,#10

1шт.

18

1348429C1

SEAL

lower side panels, top, 15-3/16 inch (386 mm) long, cut from 252768A1 bulk seal

2шт.

19

195934A1

PANEL ASSY.

screen, hood, front low, includes item 36

1шт.

20

1289399C3

PANEL ASSY.

hood, rear lower side left

1шт.

21

122969A1

SUPPORT

side panel, left

1шт.

22

194873A1

HINGE

side panel, front, left

1шт.

23

192284A1

HINGE

side panel, rear, left

1шт.

24

1968038C3

SUPPORT ASSY.

latch outer

1шт.

25

1960792C5

PROTECTION PLATE

SCREEN - hood side, left

1шт.

26

463-61010

SCREW,Hex, #10 - 32 x 5/8"

2шт.

27

1960763C3

LATCH

RECEIVER - left rear side panel stud

2шт.

28

260-5448

SELF-TAP SCREW,Cross Pan Hd, #8 x 1/2"

Phillips

4шт.

29

495-21019

WASHER,#8

4шт.

30

A149863

GUIDE

left rear side panel

1шт.

31

492-11025

LOCK WASHER,1/4"

1шт.

32

425-104

NUT,1/4"-20, Cl 5

1шт.

34

1348552C1

STUD,9/32" - 16 x 0.7"

mounting, lower side panel

1шт.

35

1348465C1

BALL STUD,#10 - 32

rear side panel latch

2шт.

36

1348479C1

FOAM

STRIP - wear, 517 mm (20-3/8 inch) long, cut from 1348532C1 bulk strip, not shown

2шт.

252768A1

RUBBER SEAL,15240mm L

SEAL - foam, adhesive back, 6.4 (1/4) x 10.0 (25/64) x 15240 mm (600 inch) long, replaces 1348430C1 seal

1шт.

1348532C1

ROLL

STRIP - wear, 12.7 mm (1/2 inch) x 10.97 meters (36 foot) long

1шт.

Выбрано товаров: 35