Запчасти Case IH 7230 (9-120) - CAB, RIGHT SIDE WINDOW (09) - CHASSIS/ATTACHMENTS

Схема запчастей Case IH 7230 - (9-120) - CAB, RIGHT SIDE WINDOW (09) - CHASSIS/ATTACHMENTS
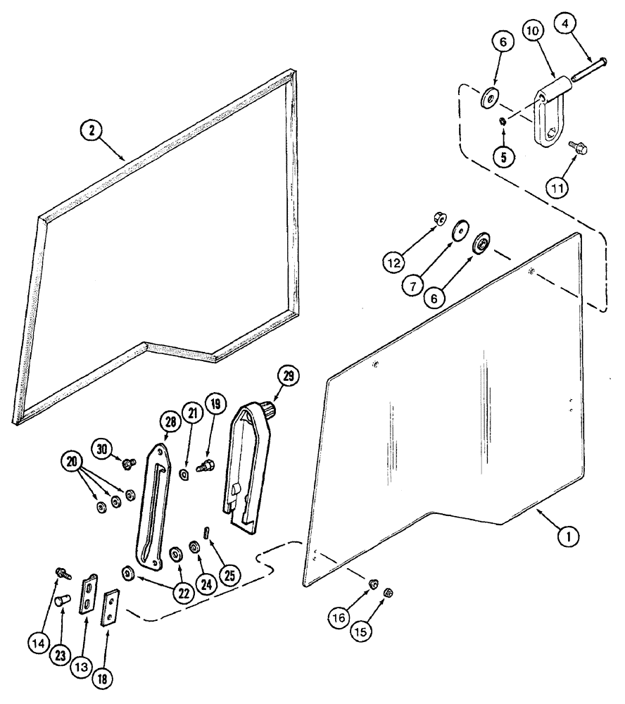
18
15
20
23
16
10
1
30
24
6
22
19
11
29
28
21
4
13
2
25
7
5
6
14
12
FIT
1:1
100%

Артикул

Название

Примечание

Количество

1

96671C3

GLASS

window, right side

1шт.

2

1987247C2

SEAL,4350mm L

window

1шт.

4

K303517

PIN

hinge

2шт.

5

800-418

SNAP RING,M8, Ext

Replaces 31355R1 ring

2шт.

6

K303501

SPACER,12mm ID x 18.5mm OD x 5.5mm L

rubber

4шт.

7

K303571

WASHER,6.5mm ID x 36mm OD x 3mm Thk

flat, 6 mm

2шт.

10

1999808C1

HINGE

window

2шт.

11

107135A1

BOLT

BOLT - hex flange

2шт.

12

97005C1

FLANGE NUT

hex flange, self-locking, special, 6 mm - 1

2шт.

13

1954284C1

BRACKET

cylinder, sector

2шт.

14

97006C1

BOLT,Hex, M6 x 20mm, Cl 8.8

hex flange, special, 6 - 1 x 20 mm

4шт.

15

97005C1

FLANGE NUT

hex flange, self-locking special 6 mm - 1

4шт.

16

109171C1

BUSHING,6.6mm ID x 8.74mm OD x 6.46mm L

bolt

4шт.

18

109587C2

PAD

bracket

2шт.

19

1954283C1

BOLT (SPREADER),Hex, M6 x 1 x 25mm

hex shoulder, 6 x 25 mm

2шт.

20

1954279C1

WASHER

flat, 7 x 16 x 2 mm

10шт.

21

96849C2

WASHER

spring, curved

6шт.

22

96814C3

WASHER,10mm ID x 22.25mm OD x 2.25mm Thk

flat, special, sector

4шт.

23

427-5071

CLEVIS PIN,7.92mm OD x 18.26mm L

Hardened, Replaces 24660R1 pin

2шт.

24

1954280C1

WASHER,8.74mm ID x 17.48mm OD x 1.65mm Thk

flat, pivot

2шт.

25

432-612

COTTER PIN,3/32" x 3/4"

2шт.

28

96810C5

ARM

sector, window

2шт.

29

1954277C1

COVER ASSY

arm, latch

2шт.

30

175-466

SCREW,Phil Truss Hd, 5/16" - 18 x 5/8"

2шт.

Выбрано товаров: 24