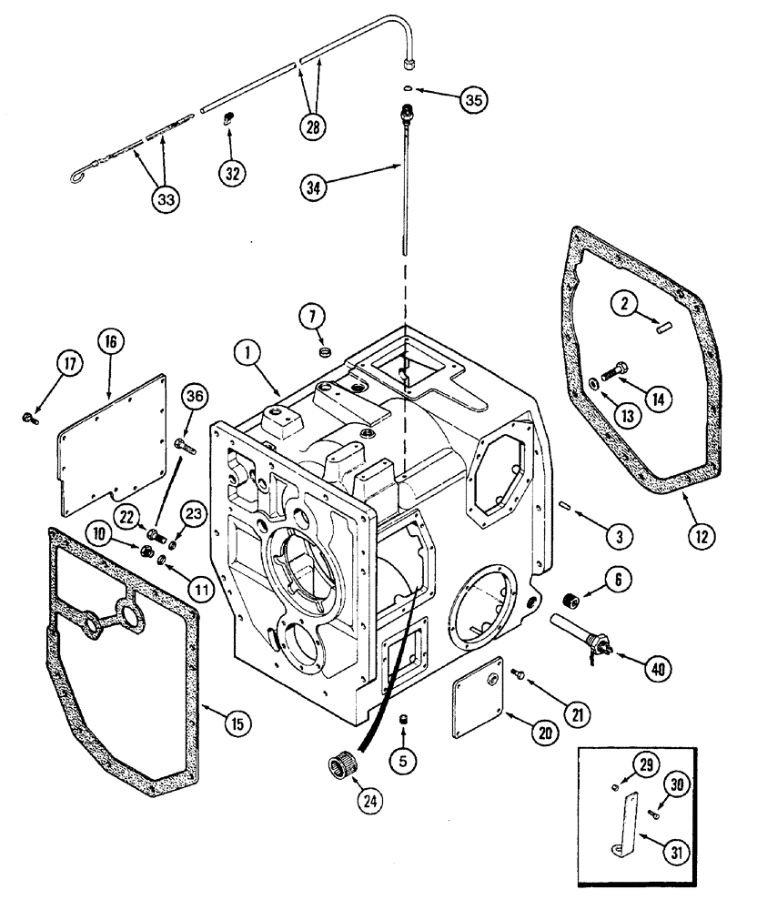
Запчасти Case IH 7240 (6-018) - TRANSMISSION, RANGE HOUSING (06) - POWER TRAIN

Схема запчастей Case IH 7240 - (6-018) - TRANSMISSION, RANGE HOUSING (06) - POWER TRAIN
35
5
29
16
21
11
20
32
40
1
28
30
33
24
13
7
34
36
22
6
12
14
2
23
10
31
17
15
3
FIT
1:1
100%

Артикул

Название

Примечание

Количество

1

125806A1

HOUSING

ASSEMBLY - range, transmission

1шт.

2

837-16035

DOWEL,M16 x 35

PIN - 16 x 35 mm, hardened

4шт.

3

837-12025

DOWEL,M12 x 25

Hardened

2шт.

5

192792A1

PLUG

square countersunk, 3/4 - 14 inch thread

1шт.

6

221-847

PLUG,Hex Soc, 1 1/4"-11 1/2

square socket headless, 1-1/4 inch PT (Without heater), replaces 23391R1 square socket head plug

1шт.

7

41-1618

PLUG,Cup, 1 1/8", Stainless

cup, 1-1/8 inch diameter (Without hitch), replaces 41600D plug

1шт.

10

214389

PLUG,3/4" - 16 ORB

Without MFD

1шт.

11

237-6008

O-RING,0.087" Thk x 0.644" ID, -908, Cl 6, 90 Duro

1шт.

12

87390949

GASKET,0.79mm Thk

housing

1шт.

13

896-11016

WASHER,17.5mm ID x 30mm OD x 4mm Thk

12шт.

14

813-16060

BOLT,Hex, M16 x 2 x 60mm, Cl 8.8

Bolt, Hex, M16 x 60, 8.8, Full Thd

10шт.

14

814-16070

BOLT,Hex, M16 x 2 x 70mm, Cl 8.8

2шт.

15

92821C2

GASKET,0.79mm Thk

housing, axle

1шт.

16

93364C1

COVER

access, shift fork

1шт.

17

628-10025

BOLT,Hex, M10 x 1.5 x 25mm, Cl 10.9, Full Thd

12шт.

20

1976744C2

COVER ASSY

opening, brake, see Figure 8-50 for adapter and hose

1шт.

21

613-10020

BOLT,Hex, M10 x 1.5 x 20mm, Cl 8.8, Full Thd

BOLT - hex, full threads, 10 - 1.5 x 20 mm

4шт.

22

613-16030

BOLT,Hex, M16 x 2 x 30mm, Cl 8.8, Full Thd

Bolt, , used as a plug, if used, may be replaced by item 36 Hex, M16 x 30, 8.8, Full Thd

2шт.

23

238-5114

O-RING,0.103" Thk x 0.612" ID, -114, Cl 5, 75 Duro

Used with item 22, if used, may be replaced by item 36

2шт.

24

301533R1

NEEDLE BEARING,Needle, 44.44mm ID x 53.96mm OD x 38.1mm W

front, pinion shaft

1шт.

28

1340584C1

HYD TUBE,1" OD, 1063, 240 mm Length

dipstick, transmission

1шт.

29

825-1406

NUT,M6, Cl 8

1шт.

30

614-6020

BOLT,Hex, M6 x 1 x 20mm, Cl 8.8, Full Thd

Full threads

1шт.

31

1342132C1

SUPPORT

BRACKET - dipstick (With hitch)

1шт.

31

1342155C1

SUPPORT

BRACKET - dipstick (Without hitch)

1шт.

32

515-21127

CLAMP,1/2", Insul, 1/4" Bolt

P-type, Tube, Replaces 49833 clamp

1шт.

33

1342137C2

DIPSTICK

oil level, transmission

1шт.

34

1968044C2

TUBE,250 mm Length

dipstick, internal, transmission

1шт.

35

238-6014

O-RING,0.07" Thk x 0.489" ID, -14, Cl 6, 90 Duro

1шт.

36

605-16020

BOLT,Hex, M16 x 20mm, Cl 8.8

BOLT - hex, locking, 16 - 2.0 x 20 mm

2шт.

40

536850R1

HEATER

ASSEMBLY - oil, transmission, component parts not serviced separately

1шт.

Выбрано товаров: 0