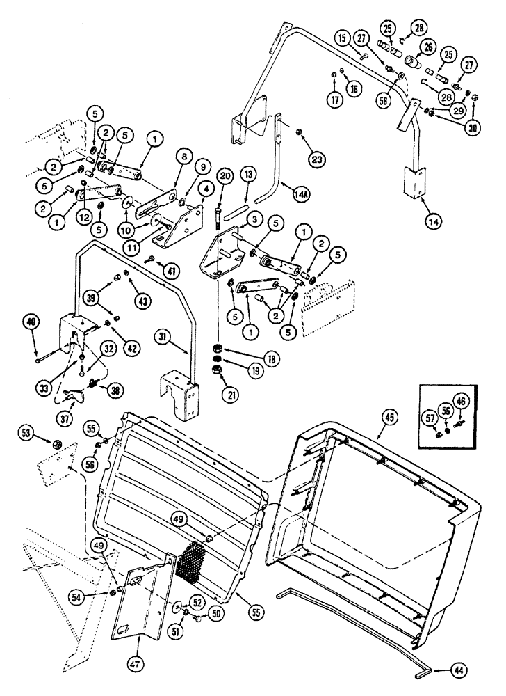
Запчасти Case IH 7240 (9-038) - HOOD SUPPORTS, HINGE AND LATCH AND LOWER GRILLE, TRACTOR PIN JJA0064978 AND AFTER (09) - CHASSIS/ATTACHMENTS

Схема запчастей Case IH 7240 - (9-038) - HOOD SUPPORTS, HINGE AND LATCH AND LOWER GRILLE, TRACTOR PIN JJA0064978 AND AFTER (09) - CHASSIS/ATTACHMENTS
1
25
30
14a
5
28
43
2
37
56
49
26
2
1
42
2
15
55
8
44
56
25
50
11
53
27
5
38
14
5
5
45
57
5
49
54
58
1
23
29
52
17
13
5
2
1
51
27
41
3
46
19
12
55
39
40
18
10
31
9
16
2
28
20
5
33
47
32
5
4
21
FIT
1:1
100%

Артикул

Название

Примечание

Количество

1

1968100C3

DRAG LINK

ASSEMBLY - hood tilt

4шт.

2

A59809

BUSHING,12.8mm ID x 15.93mm OD x 25.4mm L

hood tilt link

2шт.

3

141465A2

SUPPORT

BRACKET - hinge support, right

1шт.

4

141467A2

SUPPORT

BRACKET - hinge support, left

1шт.

5

131-425

PUSH-ON NUT,Push, 1/2"

8шт.

8

A185252

LEVER

hood lock

1шт.

9

100-11100

SNAP RING,#100, Ext

Hood lock lever, replaces B18208 ring

1шт.

10

495-81147

WASHER,0.41" ID x 2" OD x 0.11" Thk

2шт.

11

413-620

BOLT,Hex, 3/8" - 16 x 1-1/4", Gr 5

1шт.

12

131-206

NUT,3/8"-16

Heavy hex, self-locking

1шт.

13

1348231C1

HANDLE

GRIP - hood handle

1шт.

14

181030A1

SUPPORT

BRACE - hood, cylinder

1шт.

14a

183009A1

HANDLE

hood lift

1шт.

16

495-81286

WASHER,.281" x 1 1/8" x .060"

3шт.

17

231-1444

NUT,1/4"-20, GB

3шт.

18

829-1412

NUT,M12, Cl 10.9

4шт.

19

892-11012

LOCK WASHER,M12

4шт.

20

614-12110

BOLT,Hex, M12 x 1.75 x 110mm, Cl 8.8, Full Thd

4шт.

21

829-2312

FLANGE NUT,M12 x 1.75, Flg, Cl 10

12шт.

23

832-10408

NUT,M8 x 1.25, Cl 8.8

2шт.

25

1968168C3

GAS STRUT

CYLINDER ASSEMBLY - hood tilt

2шт.

26

NSS

NOT SOLD SEPARAT

SEAL - gas cylinder, order 1968168C3 cylinder assembly

1шт.

27

142597A1

STUD

ball

4шт.

28

3233348R1

CLIP

retaining, ball stud

4шт.

29

892-11010

LOCK WASHER,M10

4шт.

30

825-1410

NUT,M10, Cl 8

4шт.

31

1289137C1

BRACE

hood support, rear

1шт.

32

413-528

BOLT,Hex, 5/16" - 18 x 1-3/4", Gr 5

2шт.

33

425-105

NUT,5/16"-18, G5

2шт.

37

A147728

TRIGGER

LATCH - hood lock

2шт.

38

1978450C2

SPRING

hood lock

2шт.

39

231-1444

NUT,1/4"-20, GB

5шт.

40

413-452

BOLT,Hex, 1/4" - 20 x 3-1/4", Gr 5

2шт.

42

495-21031

WASHER,1/4"

flat, 5/16 x 3/4 x 1/16 inch

2шт.

43

495-81286

WASHER,.281" x 1 1/8" x .060"

3шт.

44

1348428C2

SEAL

foam, adhesive back, 1042 mm (41 inch) long, cut from 1348430C1 bulk seal, lower housing

1шт.

45

179095A1

HOUSING

lower grille

1шт.

46

1974428C1

STUD

mounting

1шт.

47

141564A2

ANGLE

grille support, right (Shown)

1шт.

48

141565A2

ANGLE

grille support, left

1шт.

49

A147030

SPACER

SPACER - grille screen

12шт.

50

814-10060

BOLT,Hex, M10 x 1.5 x 60mm, Cl 8.8

1шт.

51

892-11010

LOCK WASHER,M10

4шт.

52

495-81147

WASHER,0.41" ID x 2" OD x 0.11" Thk

4шт.

53

231-1444

NUT,1/4"-20, GB

4шт.

54

825-1410

NUT,M10, Cl 8

4шт.

55

192170A1

GRILLE

SCREEN - lower grille

1шт.

56

495-21031

WASHER,1/4"

flat, 5/16 x 3/4 x 1/16 inch

1шт.

57

231-1444

NUT,1/4"-20, GB

12шт.

58

495-81132

WASHER,0.41" ID x 0.88" OD x 0.18" Thk

1шт.

1348430C1

SEAL

foam, adhesive back, 6.4 (1/4) x 12.7 (1/2) x 15240 mm (600 inch) long

1шт.

15

413-420

BOLT,Hex, 1/4" - 20 x 1-1/4", Gr 5

3шт.

41

413-420

BOLT,Hex, 1/4" - 20 x 1-1/4", Gr 5

3шт.

Выбрано товаров: 53